电脑桌面
添加小米粒文库到电脑桌面
安装后可以在桌面快捷访问

装饰工程分部分项检验批质量验收记录表VIP免费

装饰工程分部分项检验批质量验收记录表_第1页
1/12
装饰工程分部分项检验批质量验收记录表_第2页
2/12
装饰工程分部分项检验批质量验收记录表_第3页
3/12
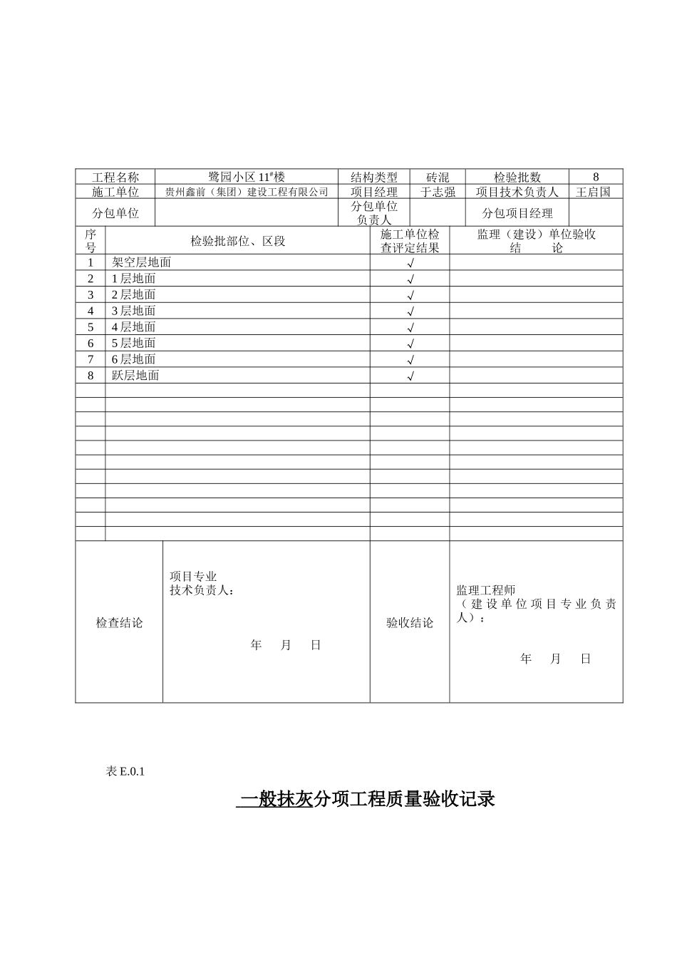
鹭园小区11#楼装饰装修分部工程检验批质量验收记录表表E.0.1找平层分项工程质量验收记录表E.0.1一般抹灰分项工程质量验收记录工程名称鹭园小区11#楼结构类型砖混检验批数8施工单位贵州鑫前(集团)建设工程有限公司项目经理于志强项目技术负责人王启国分包单位分包单位负责人分包项目经理序号检验批部位、区段施工单位检查评定结果监理(建设)单位验收结论1架空层地面√21层地面√32层地面√43层地面√54层地面√65层地面√76层地面√8跃层地面√检查结论项目专业技术负责人:年月日验收结论监理工程师(建设单位项目专业负责人):年月日表E.0.1装饰抹灰分项工程质量验收记录表E.0.1工程名称鹭园小区11#楼结构类型砖混检验批数8施工单位贵州鑫前(集团)建设工程有限公司项目经理于志强项目技术负责人王启国分包单位分包单位负责人分包项目经理序号检验批部位、区段施工单位检查评定结果监理(建设)单位验收结论1架空层内墙√21层内墙√32层内墙√43层内墙√54层内墙√5层内墙√6层内墙√跃层内墙√检查结论项目专业技术负责人:年月日验收结论监理工程师(建设单位项目专业负责人):年月日工程名称鹭园小区11#楼结构类型砖混检验批数8施工单位贵州鑫前(集团)建设工程有限公司项目经理于志强项目技术负责人王启国分包单位分包单位负责人分包项目经理序号检验批部位、区段施工单位检查评定结果监理(建设)单位验收结论1架空层外墙√21层外墙√32层外墙√43层外墙√54层外墙√5层外墙√6层外墙√跃层外墙√检查结论项目专业技术负责人:年月日验收结论监理工程师(建设单位项目专业负责人):年月日塑钢门窗安装分项工程质量验收记录表E.0.1门窗玻璃安装分项工程质量验收记录工程名称鹭园小区11#楼结构类型砖混检验批数8施工单位贵州鑫前(集团)建设工程有限公司项目经理于志强项目技术负责人王启国分包单位分包单位负责人分包项目经理序号检验批部位、区段施工单位检查评定结果监理(建设)单位验收结论1架空层塑钢门窗安装√21层塑钢门窗安装√32层塑钢门窗安装√43层塑钢门窗安装√54层塑钢门窗安装√5层塑钢门窗安装√6层塑钢门窗安装√跃层塑钢门窗安装√检查结论项目专业技术负责人:年月日验收结论监理工程师(建设单位项目专业负责人):年月日工程名称鹭园小区11#楼结构类型砖混检验批数8施工单位贵州鑫前(集团)建设工程有限公司项目经理于志强项目技术负责人王启国分包单位分包单位负责人分包项目经理序号检验批部位、区段施工单位检查评定结果监理(建设)单位验收结论1架空层门窗玻璃安装√21层门窗玻璃安装√32层门窗玻璃安装√43层门窗玻璃安装√54层门窗玻璃安装√5层门窗玻璃安装√6层门窗玻璃安装√跃层门窗玻璃安装√检查结论项目专业技术负责人:年月日验收结论监理工程师(建设单位项目专业负责人):年月日饰面砖分项工程质量验收记录表E.0.1护拦和扶手制作与安装分项工程质量验收记录工程名称金苑商贸城2#楼结构类型框剪检验批数7施工单位重庆涪陵三峡水电建安公司项目经理代治仕项目技术负责人郑祥飞分包单位分包单位负责人分包项目经理序号检验批部位、区段施工单位检查评定结果监理(建设)单位验收结论115层~12层外墙√212层~10层外墙√310层~7层外墙√47层~4层外墙√54层~2层外墙√检查结论项目专业技术负责人:年月日验收结论监理工程师(建设单位项目专业负责人):年月日工程名称金苑商贸城2#楼结构类型框剪检验批数2施工单位重庆涪陵三峡水电建安公司项目经理代治仕项目技术负责人郑祥飞分包单位分包单位负责人分包项目经理序号检验批部位、区段施工单位检查评定结果监理(建设)单位验收结论11号楼梯护拦和扶手制作与安装√22号楼梯护拦和扶手制作与安装√检查结论项目专业技术负责人:年月日验收结论监理工程师(建设单位项目专业负责人):年月日装饰装修分部工程验收记录表F.O.1工程名称金苑商贸城2#楼结构类型框剪层数-2层15层施工单位重庆涪陵三峡水电建安公司项目经理代治仕项目技术负责人郑祥飞分包单位分包单位负责人分包技术负责人序号子分部工程名称分项工程名称检验批数施工单位检查评定验收意见1地面水泥砂浆面层14√2抹灰一...

1、当您付费下载文档后,您只拥有了使用权限,并不意味着购买了版权,文档只能用于自身使用,不得用于其他商业用途(如 [转卖]进行直接盈利或[编辑后售卖]进行间接盈利)。
2、本站所有内容均由合作方或网友上传,本站不对文档的完整性、权威性及其观点立场正确性做任何保证或承诺!文档内容仅供研究参考,付费前请自行鉴别。
3、如文档内容存在违规,或者侵犯商业秘密、侵犯著作权等,请点击“违规举报”。

碎片内容

装饰工程分部分项检验批质量验收记录表

确认删除?
VIP
微信客服
  • 扫码咨询
会员Q群
  • 会员专属群点击这里加入QQ群
客服邮箱
回到顶部