电脑桌面
添加小米粒文库到电脑桌面
安装后可以在桌面快捷访问

核奥达门机说明书VIP免费

核奥达门机说明书_第1页
1/16
核奥达门机说明书_第2页
2/16
核奥达门机说明书_第3页
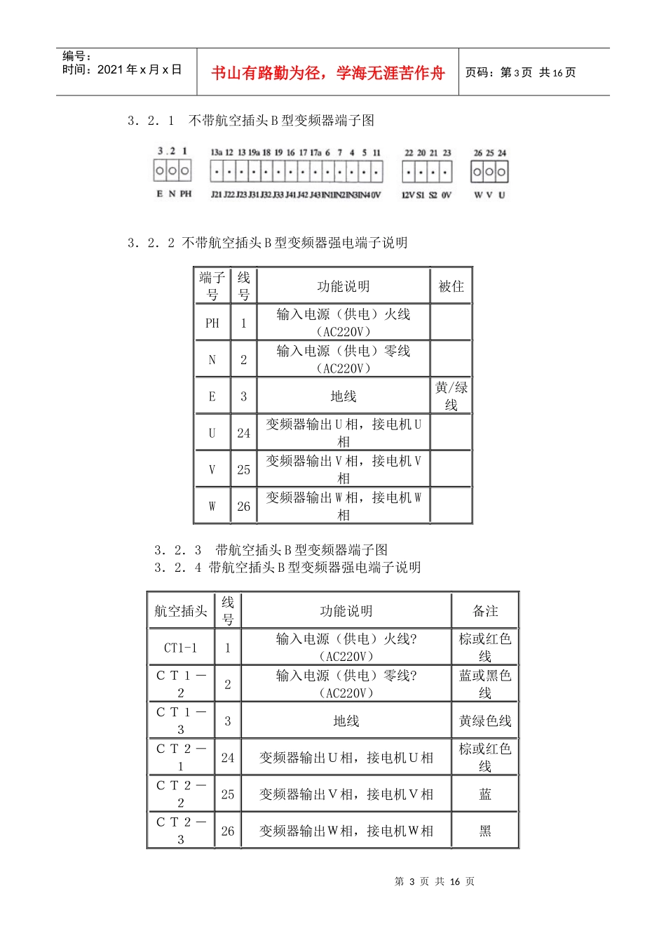
3/16
第1页共16页编号:时间:2021年x月x日书山有路勤为径,学海无涯苦作舟页码:第1页共16页核奥达门机控制器操作说明VVVF门机控制器——操作说明书注:H100版以后(包括H100版)的门机变频器、面板控制模式和端子控制模式的设定是由变频器壳体上手动/自动开关来设定,开关放到手动即为面板控制模式;开关放到自动即为端子控制模式。F11对于H100版以后的门机变频器不起作用,对于H100版以前仍然为0—面板控制模式;2—端子控制模式。1.安装工作程序1.1安装注意事项1.1.1控制器设计安装于轿顶。操作及安装时应小心,尤其不能有金属、水、油或其它异物进入门机控制1.1.2不要将门机控制器安装于易燃材料上。1.1.3在轿顶安装门机控制器时,一方面要保证面板能被良好的观察,另一方面要保证门机控制器的清洁。1.1.4在进行接线工作前,必须确保门机控制器电源至少已切断两分钟。否则会存在电击或放电危险。1.1.5门机控制器的接线必须由有专业资格的人员来完成。1.1.6检查安全开关电路是否断开(急停)。1.1.7确保所有的电气部件都正确接地。1.1.8确认门机控制器有正确的电源电压。1.1.9反复确认装置接线正确。1.2使用注意事项1.2.1在布线过程中始终注意信号及控制线(弱电)与交流电源线、电机线(强电)之间保持一定距离,不要混在一起,避免造成干扰。1.2.2在轿厢启动前,控制系统必须给出关门指令,并且在轿厢运行过程中始终给出关门指令,避免门锁断开造成中途停车。1.2.3HdXX或HXXX(Hd4、H100等为软件版本号)为软件版本标志,“20.00”—为可读入脉冲数,如遇软件版本升级,恕不再另行通知。1.2.4对于开关门控制信号输入必须使用无源触点,避免造成门机变频器损坏或工作不正常。1.2.5在使用前必须仔细阅读本说明书。2.产品介绍2.1工作环境2.1.1使用在无尘埃、腐蚀性气体、可燃性气体、油雾、水蒸气的环境中。2.1.2温度:-10℃~+40℃。2.1.3湿度:小于90%RH,无结露。2.1.4存贮温度:-40℃~+70℃。2.1.5防护等级:IP40。2.1.6冷却方式:自然冷却。2.2产品技术指标及规格第2页共16页第1页共16页编号:时间:2021年x月x日书山有路勤为径,学海无涯苦作舟页码:第2页共16页2.2.1供电电源:(1)单相交流180V~264V。(2)频率50Hz~60Hz±5%。2.2.2输出电压:三相交流220V。2.2.3输出功率:0.4KW、0.8KW。2.2.4输出频率:0.45Hz~50Hz。2.2.5输出频率分辨率:0.01Hz。2.2.6载波频率4KHz~16KHz。2.2.7外型尺寸:见3.1.12.3控制面板说明通过操作装有8个按钮及四位七段数码管显示的控制面板给装置设定参数。2.3.1DO发光二级管点亮,指示变频器正在执行开门。2.3.2DC发光二级管点亮,指示变频器正在执行关门。2.3.3Hz发光二级管点亮,指数码管所显示数值的单位为赫兹。2.3.4%发光二级管点亮,指数码管所显示数值的单位为百分数。2.3.5SEC发光二级管点亮,指数码管所显示数值的单位为秒。2.3.6MIN、MIC、MIS发光二级管为备用。2.3.7写入键,把修改后的数据存储到变频器中。2.3.8功能键,用以切换数码管所显示的是参数值还是参数单元。2.3.9增减键,用以调整数码管所显示数值大小。2.3.10面板控制状态下的开关门按键。2.3.11“强迫关门compelclose”面板控制状态下的慢速关门按键。2.3.12“停止Stop”面板控制状态下的停止按键。3.变频器安装及配线3.1安装位置与空间3.1.1B型、C型、D型变频器外型尺寸单位:mm3.1.2门机变频器安装轿顶上,一方面要方便观察门机变频器工作状态,另一方面要保证门机变频器清洁,有一个良好散热空间。3.2端子图及说明第3页共16页第2页共16页编号:时间:2021年x月x日书山有路勤为径,学海无涯苦作舟页码:第3页共16页3.2.1不带航空插头B型变频器端子图3.2.2不带航空插头B型变频器强电端子说明端子号线号功能说明被住PH1输入电源(供电)火线(AC220V)N2输入电源(供电)零线(AC220V)E3地线黄/绿线U24变频器输出U相,接电机U相V25变频器输出V相,接电机V相W26变频器输出W相,接电机W相3.2.3带航空插头B型变频器端子图3.2.4带航空插头B型变频器强电端...

1、当您付费下载文档后,您只拥有了使用权限,并不意味着购买了版权,文档只能用于自身使用,不得用于其他商业用途(如 [转卖]进行直接盈利或[编辑后售卖]进行间接盈利)。
2、本站所有内容均由合作方或网友上传,本站不对文档的完整性、权威性及其观点立场正确性做任何保证或承诺!文档内容仅供研究参考,付费前请自行鉴别。
3、如文档内容存在违规,或者侵犯商业秘密、侵犯著作权等,请点击“违规举报”。

碎片内容

核奥达门机说明书

确认删除?
VIP
微信客服
  • 扫码咨询
会员Q群
  • 会员专属群点击这里加入QQ群
客服邮箱
回到顶部