电脑桌面
添加小米粒文库到电脑桌面
安装后可以在桌面快捷访问

软件设计与加工单元PLC控制系统设计VIP免费

软件设计与加工单元PLC控制系统设计_第1页
1/23
软件设计与加工单元PLC控制系统设计_第2页
2/23
软件设计与加工单元PLC控制系统设计_第3页
3/23
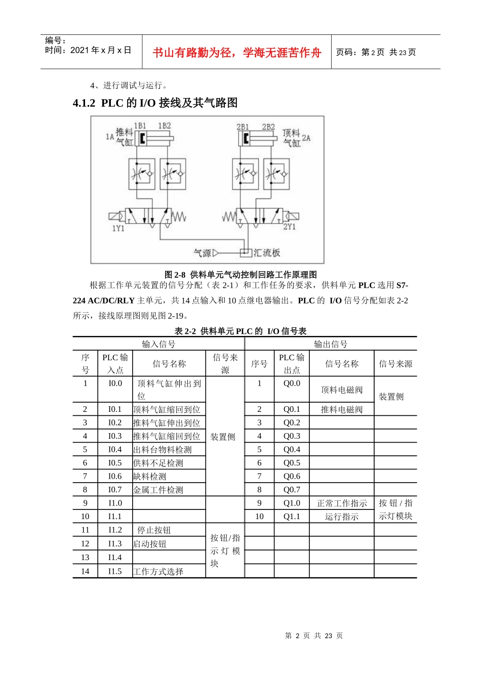
第1页共23页编号:时间:2021年x月x日书山有路勤为径,学海无涯苦作舟页码:第1页共23页四、软件设计174.1.1供料站的要求本项目只考虑供料单元作为独立设备运行时的情况,单元工作的主令信号和工作状态显示信号来自PLC旁边的按钮/指示灯模块。并且,按钮/指示灯模块上的工作方式选择开关SA应置于“单站方式”位置。具体的控制要求为:①设备上电和气源接通后,若工作单元的两个气缸均处于缩回位置,且料仓内有足够的待加工工件,则“正常工作”指示灯HL1常亮,表示设备准备好。否则,该指示灯以1Hz频率闪烁。②若设备准备好,按下启动按钮,工作单元启动,“设备运行”指示灯HL2常亮。启动后,若出料台上没有工件,则应把工件推到出料台上。出料台上的工件被人工取出后若没有停止信号,则进行下一次推出工件操作。③若在运行中按下停止按钮,则在完成本工作周期任务后,各工作单元停止工作,HL2指示灯熄灭。④若在运行中料仓内工件不足,则工作单元继续工作,但“正常工作”指示灯HL1以1Hz的频率闪烁,“设备运行”指示灯HL2保持常亮。若料仓内没有工件,则HL1指示灯和HL2指示灯均以2Hz频率闪烁。工作站在完成本周期任务后停止。除非向料仓补充足够的工件,工作站不能再启动。要求完成如下任务。1、规划PLC的I/O分配及接线端子分配。2、进行系统安装接线。3、按控制要求编制PLC程序。第2页共23页第1页共23页编号:时间:2021年x月x日书山有路勤为径,学海无涯苦作舟页码:第2页共23页4、进行调试与运行。4.1.2PLC的I/O接线及其气路图图2-8供料单元气动控制回路工作原理图根据工作单元装置的信号分配(表2-1)和工作任务的要求,供料单元PLC选用S7-224AC/DC/RLY主单元,共14点输入和10点继电器输出。PLC的I/O信号分配如表2-2所示,接线原理图则见图2-19。表2-2供料单元PLC的I/O信号表输入信号输出信号序号PLC输入点信号名称信号来源序号PLC输出点信号名称信号来源1I0.0顶料气缸伸出到位装置侧1Q0.0顶料电磁阀装置侧2I0.1顶料气缸缩回到位2Q0.1推料电磁阀3I0.2推料气缸伸出到位3Q0.24I0.3推料气缸缩回到位4Q0.35I0.4出料台物料检测5Q0.46I0.5供料不足检测6Q0.57I0.6缺料检测7Q0.68I0.7金属工件检测8Q0.79I1.09Q1.0正常工作指示按钮/指示灯模块10I1.110Q1.1运行指示11I1.2停止按钮按钮/指示灯模块12I1.3启动按钮13I1.414I1.5工作方式选择第3页共23页第2页共23页编号:时间:2021年x月x日书山有路勤为径,学海无涯苦作舟页码:第3页共23页图2-19供料单元PLC的I/O接线原理图4.1.3供料单元单站控制的编程思路1、程序结构:有两个子程序,一个是系统状态显示,另一个是供料控制。主程序在每一扫描周期都调用系统状态显示子程序,仅当在运行状态已经建立才可能调用供料控制子程序。2、PLC上电后应首先进入初始状态检查阶段,确认系统已经准备就绪后,才允许投入运行,这样可及时发现存在问题,避免出现事故。例如,若两个气缸在上电和气源接入时不在初始位置,这是气路连接错误的缘故,显然在这种情况下不允许系统投入运行。通常的PLC控制系统往往有这种常规的要求。3、供料单元运行的主要过程是供料控制,它是一个步进顺序控制过程。4、如果没有停止要求,顺控过程将周而复始地不断循环。常见的顺序控制系统正常停止要求是,接收到停止指令后,系统在完成本工作周期任务即返回到初始步后才停止下来。5、当料仓中最后一个工件被推出后,将发生缺料报警。推料气缸复位到位,亦即完成本工作周期任务即返回到初始步后,也应停止下来。按上述分析,可画出如图2-20所示的系统主程序流程图。第4页共23页第3页共23页编号:时间:2021年x月x日书山有路勤为径,学海无涯苦作舟页码:第4页共23页第5页共23页第4页共23页编号:时间:2021年x月x日书山有路勤为径,学海无涯苦作舟页码:第5页共23页图2-20主程序梯形图供料控制子程序的步进顺序流程则如下图2-21所示。图中,初始步S0.0在主程序中,当系统准备就绪且接收到启动脉冲时被置位。图2-21供料控制子程序流程图4.1.4调试与运行(1)调整气动部分,检查气路是否正确,气压是否合理,气缸的动作速度是否合理。(2)检查磁性开关的安装位置是否到位,...

1、当您付费下载文档后,您只拥有了使用权限,并不意味着购买了版权,文档只能用于自身使用,不得用于其他商业用途(如 [转卖]进行直接盈利或[编辑后售卖]进行间接盈利)。
2、本站所有内容均由合作方或网友上传,本站不对文档的完整性、权威性及其观点立场正确性做任何保证或承诺!文档内容仅供研究参考,付费前请自行鉴别。
3、如文档内容存在违规,或者侵犯商业秘密、侵犯著作权等,请点击“违规举报”。

碎片内容

软件设计与加工单元PLC控制系统设计

您可能关注的文档

确认删除?
VIP
微信客服
  • 扫码咨询
会员Q群
  • 会员专属群点击这里加入QQ群
客服邮箱
回到顶部