电脑桌面
添加小米粒文库到电脑桌面
安装后可以在桌面快捷访问

压铸模具设计制作标准VIP免费

压铸模具设计制作标准_第1页
1/24
压铸模具设计制作标准_第2页
2/24
压铸模具设计制作标准_第3页
3/24
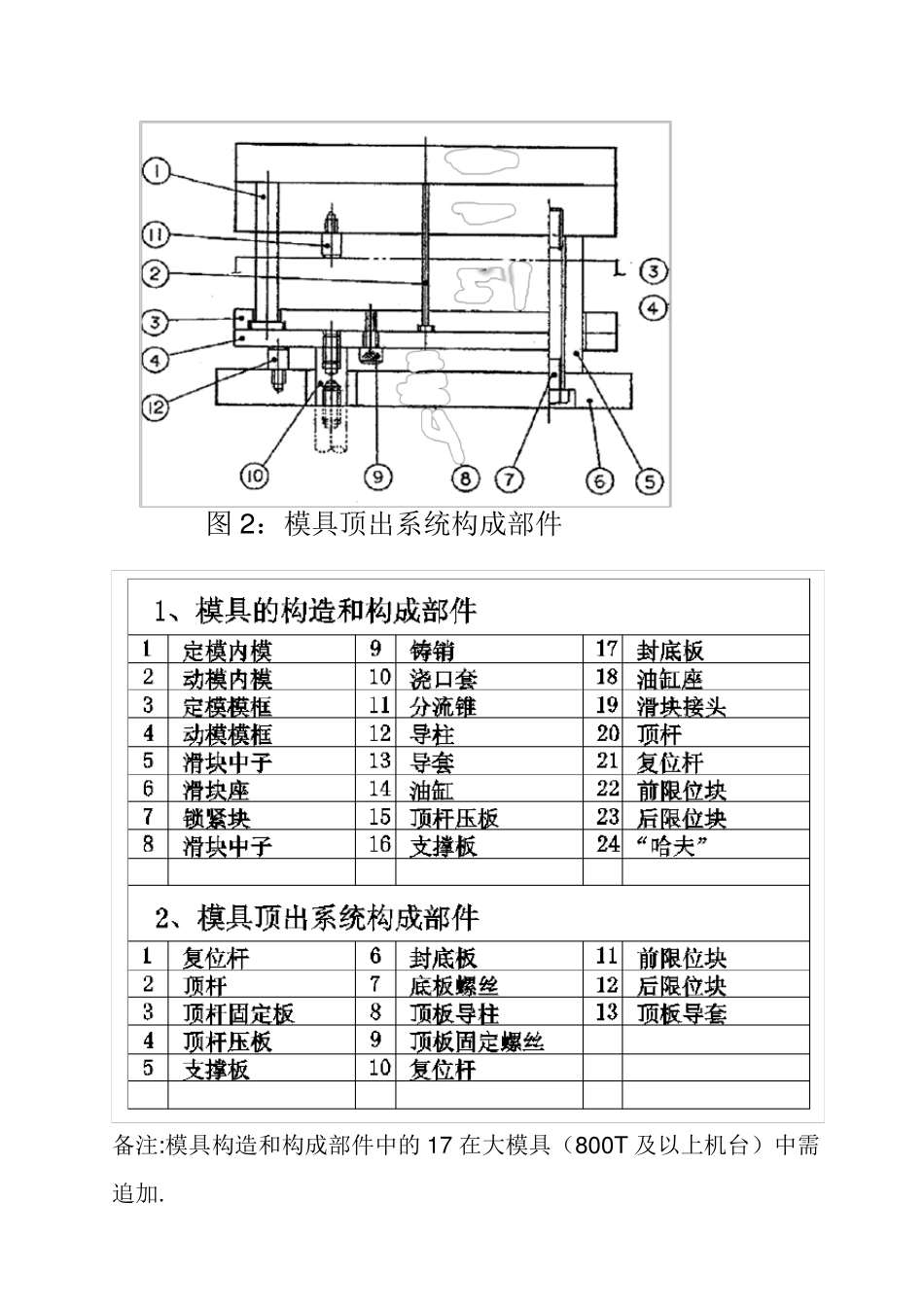
XXX机械制造有限公司压铸模具设计制作标准与检验规范编制(Compile):审核(Verify):批准(Approve):Distribution:分发部门:□总经理/GM□管理者代表/ManagementRepresentative□总经办■品质部■市场部■工程部■模具部□行政部■文控中心■压铸生产■后处理车间■采购部版本号:001修订号:1受控特性:受控发放编号:发布日期:2020年03月14日生效日期:年月日一、目的1.按本公司的压铸机规格尺寸设计模具与压铸机配合尺寸,防止干涉;2.模具各部件制作标准化,便于生产使用装拆,缩短了换模时间。二、适用范围本公司模具设计制造和外协厂商。三、模具结构图1:模具的构造和构成部件图2:模具顶出系统构成部件备注:模具构造和构成部件中的17在大模具(800T及以上机台)中需追加.四、模具与压铸机配合结构尺寸4.1.选用标准料管时模具与压铸机配合尺寸见下图;4.2.模具与压铸机配合压板槽,拉杆孔,模具总厚相关尺寸见下图;注:800吨及800吨以上必须做封底版(特殊情况需提出)五、外模结构5.1.每副模具固定模和活动模的模架顶部和底部(天侧和地侧)各做2个吊环孔,左右侧有位置也需加上,需设于模具的重心上(每半模),吊环平面必须安装到位与模面平齐,吊装时不允许干涉水管,装模时吊起的倾斜角度不能大于5°,以利于吊装时的安全。吊环规格表5.2.钻吊环孔时,需先做5mm深的避空孔。如下图所示5.3.冷却水管和恒温油管接头螺纹为PT1/4;PT3/8。所有的冷却水管、油管必须全部装配上,同时用5BAR气压进行测试,不能漏水漏油。模架上用IN1&OUT1(IN2&OUT2……)标识(含点冷、直通冷却、恒温油管)。5.4.模架上水管过孔直径壁空至少N+10mm;模架上顶针过孔直径壁空N+2mm。5.5点冷却水管要求编号,并在冷却塔上安装阀门,控制每只点冷却的进水和出水。普通水管螺纹接头用PT1/4并在模具图上标明。5.6.模具模号、产品料号、模具尺寸、模具重量、制造日期、厂商标记,需刻在铭牌上用四颗螺丝锁紧在模架上或直接翻砂在模架易识别处。5.7.如下是苏州精密铸造有限公司模具铭牌。(模具,模架送到铭牌必须装好)铭牌尺寸:120X70X1.5mm5.8.为防止生产过程中模具铭牌掉落,故铭牌安装后固定铭牌的螺丝不能超出模架平面,所以每套模具都要在动模架操作侧中间位置开一个125X75X3mm的槽,以方便安装铭牌。在操作侧的模脚上必须刻上产品料号,清晰可见。5.9.固定外模及活动外模需制作4个敲模孔。5.10.外模四周加工撬开槽。5.11.浇口套必须加装冷却水,冷却环厚度10MM以上,水管孔为PT1/4,冷却环热套装配,与外模装配。5.12.跨距大于150MM时都应考虑加支撑。支撑柱直径(或宽)不小于50MM,尽可能靠近压射变形位。5.13.大型模具(配合压铸机在800吨及以上的)地侧要加模脚支撑。(所有模具支撑脚不得用圆柱支撑,需要用铸铁方形支撑;安装时不得有干涉,特殊模具无法制作时需要提出)5.14.四根导柱用螺丝锁紧在固定模架上,同时导柱要加工排屑槽,导柱顶端要做成带20度斜度的锥形状。【见下图所示】【导柱安装图示】【斜导柱避空区域图示】5.15斜导柱在动模架的避空区域要至少10mm以上。【见上图所示】5.16模架外发订制时,所有孔和螺牙都要加工出来;包括:顶针过孔,水管孔,吊环孔,敲模孔,螺丝过孔,锁零件的螺丝孔,固定油缸支撑板的螺丝孔,倒拉孔等。模架厂同时要提供导柱,导套,复位杆,顶针板导柱导套,支撑柱,这些配件。其中需要特别说明的是,支撑柱要比模脚高,具体高多少见下表。六、内模6.1内模材料来料时,要求供应商标注清楚正反面。6.2.模仁加工后热处理前做去应力处理。真空淬火热处理硬度:500吨及以上模具为HRC46°-48°,500吨以下模具为HRC48°-50°(具体按图纸标识为准)。精加工后按模具工艺具体规定再做去应力处理。根据材料规格表;6.4.型腔最小圆角R0.5,最小拔模斜度1°~2°。特殊指定的除外。6.5.模芯上有镶件必须线割时,必须预先打穿丝孔,当跨距大于200mm时,穿丝孔要做2个。6.6.按本公司要求在内模表面指定位置刻上标记、产品料号、产品材质、批量管制章、模穴编号及环保标记。(具体按产品要求)6.7.在内模侧边基准角刻上材质及模具编号。6.8.内模若有镶...

1、当您付费下载文档后,您只拥有了使用权限,并不意味着购买了版权,文档只能用于自身使用,不得用于其他商业用途(如 [转卖]进行直接盈利或[编辑后售卖]进行间接盈利)。
2、本站所有内容均由合作方或网友上传,本站不对文档的完整性、权威性及其观点立场正确性做任何保证或承诺!文档内容仅供研究参考,付费前请自行鉴别。
3、如文档内容存在违规,或者侵犯商业秘密、侵犯著作权等,请点击“违规举报”。

碎片内容

压铸模具设计制作标准

您可能关注的文档

确认删除?
VIP
微信客服
  • 扫码咨询
会员Q群
  • 会员专属群点击这里加入QQ群
客服邮箱
回到顶部