电脑桌面
添加小米粒文库到电脑桌面
安装后可以在桌面快捷访问

项目财务分析及管理措施(doc 9)VIP免费

项目财务分析及管理措施(doc 9)_第1页
1/10
项目财务分析及管理措施(doc 9)_第2页
2/10
项目财务分析及管理措施(doc 9)_第3页
3/10
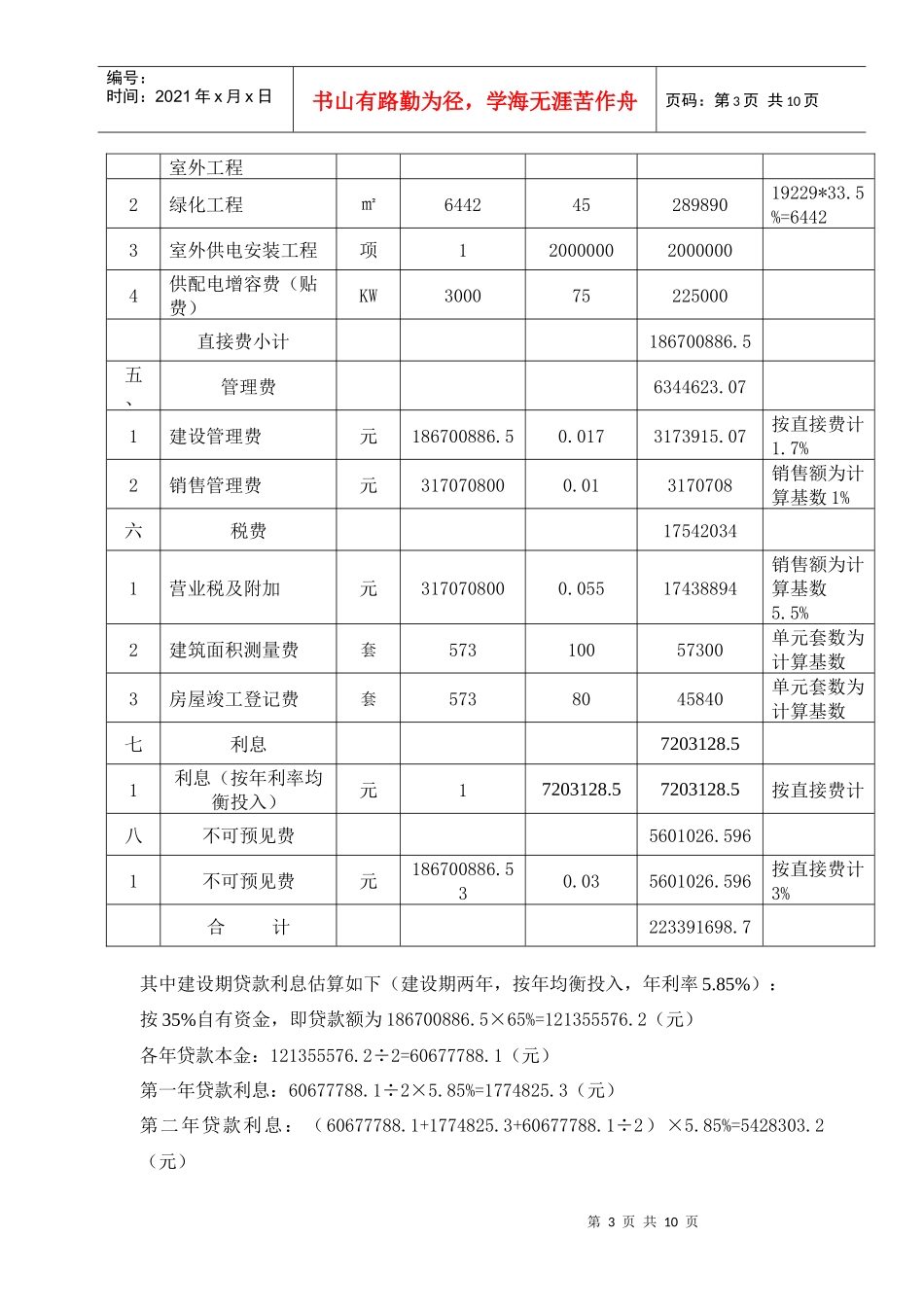
第1页共10页编号:时间:2021年x月x日书山有路勤为径,学海无涯苦作舟页码:第1页共10页茂名项目财务分析及管理措施一、投资与收入估算(一)投资估算:1、估算依据:(1)广东省及茂名市建设相关部门规定(依据广东省建设厅、茂名市政府等网站公示内容确定)。(2)建安工程费用、小区配套建设费、建设和销售管理等费用根据经验数据估算,其他费用(费率)根据“广东省价格信息网”及相关国家规定确定。2、估算方法如下表:序号工程项目费用名称单位数量单价(费率)合价(RMB元)备注一土地使用费260015961土地使用费(拍卖价)宗126000000260000002土地登记公证费宗115961596二勘察设计费及前期费用14597400.531地形图测绘费㎡192290.142692.06土地面积为计算基数2定点费㎡19229238458土地面积为计算基数3地质勘察费M120055660004建筑设计费㎡9125810912580建筑面积为计算基数5施工图审查费㎡912581.5136887建筑面积为计算基数6放线费处486028807招标费元1420870000.001142087建筑安装工第2页共10页第1页共10页编号:时间:2021年x月x日书山有路勤为径,学海无涯苦作舟页码:第2页共10页程费为计算基数0.1%8监理费元1420870000.002284174建筑安装工程费为计算基数0.2%9预结算审计费元1438768900.003431630.67建筑安装工程费为计算基数0.3%10施工合同鉴证费元1420870000.0001419892.18建筑安装工程费为计算基0.14%11设计勘察合同鉴证费㎡9125800.0007638.80613市政配套费(含消防设施配套费)元1420870000.045683480建筑安装工程费为计算基数4%14建设项目环境影响评价收费项112.512.515排污许可收费项12000200016避雷安装检测费㎡912580.000010.91258建筑面积为计算基数17河道维修建设费元3170708000.0005158535.4销售额为计算基数19防空地下室易地建设费㎡53841010543784019229*28%=538420工程质量监督费㎡912582182516建筑面积为计算基数21墙改费(民用)㎡912588730064建筑面积为计算基数22城市房屋安全鉴定费㎡912582182516建筑面积为计算基数23白蚁防治费㎡912582182516建筑面积为计算基数三建筑安装工程费1420870001单位工程建安工程费㎡912581500136887000建筑面积为计算基数2电梯安装工程项134000005200000四小区配套建设费40148901道路给排水围墙等项115000001500000第3页共10页第2页共10页编号:时间:2021年x月x日书山有路勤为径,学海无涯苦作舟页码:第3页共10页室外工程2绿化工程㎡64424528989019229*33.5%=64423室外供电安装工程项1200000020000004供配电增容费(贴费)KW300075225000直接费小计186700886.5五、管理费6344623.071建设管理费元186700886.50.0173173915.07按直接费计1.7%2销售管理费元3170708000.013170708销售额为计算基数1%六税费175420341营业税及附加元3170708000.05517438894销售额为计算基数5.5%2建筑面积测量费套57310057300单元套数为计算基数3房屋竣工登记费套5738045840单元套数为计算基数七利息7203128.51利息(按年利率均衡投入)元17203128.57203128.5按直接费计八不可预见费5601026.5961不可预见费元186700886.530.035601026.596按直接费计3%合计223391698.7其中建设期贷款利息估算如下(建设期两年,按年均衡投入,年利率5.85%):按35%自有资金,即贷款额为186700886.5×65%=121355576.2(元)各年贷款本金:121355576.2÷2=60677788.1(元)第一年贷款利息:60677788.1÷2×5.85%=1774825.3(元)第二年贷款利息:(60677788.1+1774825.3+60677788.1÷2)×5.85%=5428303.2(元)第4页共10页第3页共10页编号:时间:2021年x月x日书山有路勤为径,学海无涯苦作舟页码:第4页共10页建设期贷款利息合计为:7203128.5元经估算本项目投资额为RMB223391699元,即RMB22339.2万元,2929.4元/平方米。(二)收入估算:根据提供的数据收入估算表如下:序号项目单位数量单价(元/平方米)合价(RMB元)1住宅平方米5425826001410708002商业平方米220008000176000000合计317070800经估算本项目收入额为RMB317070800元,即RMB31707.1万元,4157.9元/平方米二、财务评价:(一)利润计算表(损益表):序号项目名称单位金额计算方法1项目成本万元22...

1、当您付费下载文档后,您只拥有了使用权限,并不意味着购买了版权,文档只能用于自身使用,不得用于其他商业用途(如 [转卖]进行直接盈利或[编辑后售卖]进行间接盈利)。
2、本站所有内容均由合作方或网友上传,本站不对文档的完整性、权威性及其观点立场正确性做任何保证或承诺!文档内容仅供研究参考,付费前请自行鉴别。
3、如文档内容存在违规,或者侵犯商业秘密、侵犯著作权等,请点击“违规举报”。

碎片内容

项目财务分析及管理措施(doc 9)

确认删除?
VIP
微信客服
  • 扫码咨询
会员Q群
  • 会员专属群点击这里加入QQ群
客服邮箱
回到顶部