电脑桌面
添加小米粒文库到电脑桌面
安装后可以在桌面快捷访问

财务管理表格汇总(doc 20页)VIP免费

财务管理表格汇总(doc 20页)_第1页
1/23
财务管理表格汇总(doc 20页)_第2页
2/23
财务管理表格汇总(doc 20页)_第3页
3/23
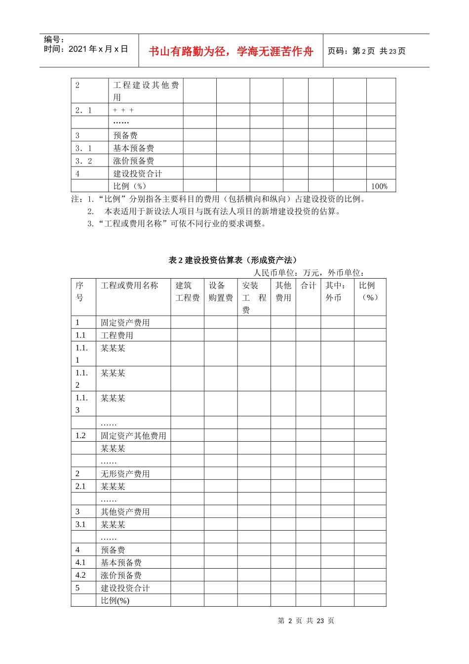
第1页共23页编号:时间:2021年x月x日书山有路勤为径,学海无涯苦作舟页码:第1页共23页财务评价(财务分析)补充资料1、评价项目类型1.1经营性项目:分析项目的盈利能力、偿债能力和财务生存能力;1.2非经营性项目:只分析项目的财务生存能力。2、财务分析的阶段划分2.1融资前分析:在考虑融资方案前进行的财务分析,即不考虑债务融资条件下进行的财务分析,此阶段只进行盈利能力分析,又称融资前项目投资现金流量分析,它从项目投资总获利能力角度考察项目方案设计的合理性,其分析指标包括:2.1.1所得税前指标的融资前分析——从息前税前角度进行的分析(利息和所得税均不作为现金流出);2.1.2所得税后指标的融资前分析——从息前税后角度进行的分析(利息不作为现金流出,所得税作为现金流出)。2.2融资后分析:是指以设定的融资方案为基础进行的财务分析,主要是针对项目资本金折现现金流量和投资各方折现现金流量进行分析,既包括盈利能力分析,又包括偿债能力分析和财务生存能力分析,进而判断项目方案在融资条件下的合理性,融资后分析是必选融资方案、进行融资决策和投资者最终决定出资依据。3、财务评价涉及的相关财务报表表1建设投资估算表(概算法)人民币单位:万元,外币单位:序号工程或费用名称建筑工程费设备购置费安装工程费其他费用合计其中:外币比例(%)1工程费用1.1主体工程1.1.1+++……1.2辅助工程1.2.1+++……1.3公用工程1.3.1+++……1.4服务性工程1.4.1+++……1.5厂外工程1.5.1+++……1.6+++第2页共23页第1页共23页编号:时间:2021年x月x日书山有路勤为径,学海无涯苦作舟页码:第2页共23页2工程建设其他费用2.1+++……3预备费3.1基本预备费3.2涨价预备费4建设投资合计比例(%)100%注:1.“比例”分别指各主要科目的费用(包括横向和纵向)占建设投资的比例。2.本表适用于新设法人项目与既有法人项目的新增建设投资的估算。3.“工程或费用名称”可依不同行业的要求调整。表2建设投资估算表(形成资产法)人民币单位:万元,外币单位:序号工程或费用名称建筑工程费设备购置费安装工程费其他费用合计其中:外币比例(%)1固定资产费用1.1工程费用1.1.1某某某1.1.2某某某1.1.3某某某……1.2固定资产其他费用某某某……2无形资产费用2.1某某某……3其他资产费用3.1某某某……4预备费4.1基本预备费4.2涨价预备费5建设投资合计比例(%)第3页共23页第2页共23页编号:时间:2021年x月x日书山有路勤为径,学海无涯苦作舟页码:第3页共23页注:1.“比例“分别指各主要科目的费用(包括横向和纵向)占建设投资的比例。2.本表适用于新设法人项目与既有法人项目的新增建设投资的估算。3.“工程或费用名称“可依不同行业的要求调整。表3建设期利息估算表人民币单位:万元序号项目合计建设期1234……n1借款1.1建设期利息1.1.1期初借款余额1.1.2当期借款1.1.3当期应计利息1.1.4期末借款余额1.2其他融资费用1.3小计(1.1+1.2)2债券2.1建设期利息2.1.1期初债务余额2.1.2当期债务金额2.1.3当期应计利息2.1.4期末债务余额2.2其他融资费用2.3小计(2.1+2.2)3合计(1.3+2.3)3.1建设期利息合计(1.1+2.1)3.2其他融资费用合计第4页共23页第3页共23页编号:时间:2021年x月x日书山有路勤为径,学海无涯苦作舟页码:第4页共23页(1.2+2.2)注:1.本表适用于新设法人项目与既有法人项目的新增建设期利息的估算。2.原则上应分别估算外币和人民币债务。3.如有多种借款或债券,必要时应分别列出。4.本表与“借款还本付息计划表”可二表合一。表4流动资金估算表人民币单位:万元序号项目最低周转天数周转次数计算期1234……n1流动资产1.1应收胀款1.2存货1.2.1原材料1.2.2+++……1.2.3燃料+++……1.2.4在产品1.2.5产成品1.3现金1.4预付胀款2流动负债2.1应付胀款2.2预收胀款3流动资金(1-2)4流动资金当期增加第5页共23页第4页共23页编号:时间:2021年x月x日书山有路勤为径,学海无涯苦作舟页码:第5页共23页额注:1.本表适用于新设法人项目与既有法人项目的“有项目”、“无项目”和增量流动资金的估算。2.表中科目可视行业变动。3.如发生外...

1、当您付费下载文档后,您只拥有了使用权限,并不意味着购买了版权,文档只能用于自身使用,不得用于其他商业用途(如 [转卖]进行直接盈利或[编辑后售卖]进行间接盈利)。
2、本站所有内容均由合作方或网友上传,本站不对文档的完整性、权威性及其观点立场正确性做任何保证或承诺!文档内容仅供研究参考,付费前请自行鉴别。
3、如文档内容存在违规,或者侵犯商业秘密、侵犯著作权等,请点击“违规举报”。

碎片内容

财务管理表格汇总(doc 20页)

您可能关注的文档

确认删除?
VIP
微信客服
  • 扫码咨询
会员Q群
  • 会员专属群点击这里加入QQ群
客服邮箱
回到顶部