电脑桌面
添加小米粒文库到电脑桌面
安装后可以在桌面快捷访问

成本会计学课后答案VIP专享VIP免费

成本会计学课后答案_第1页
1/18
成本会计学课后答案_第2页
2/18
成本会计学课后答案_第3页
3/18
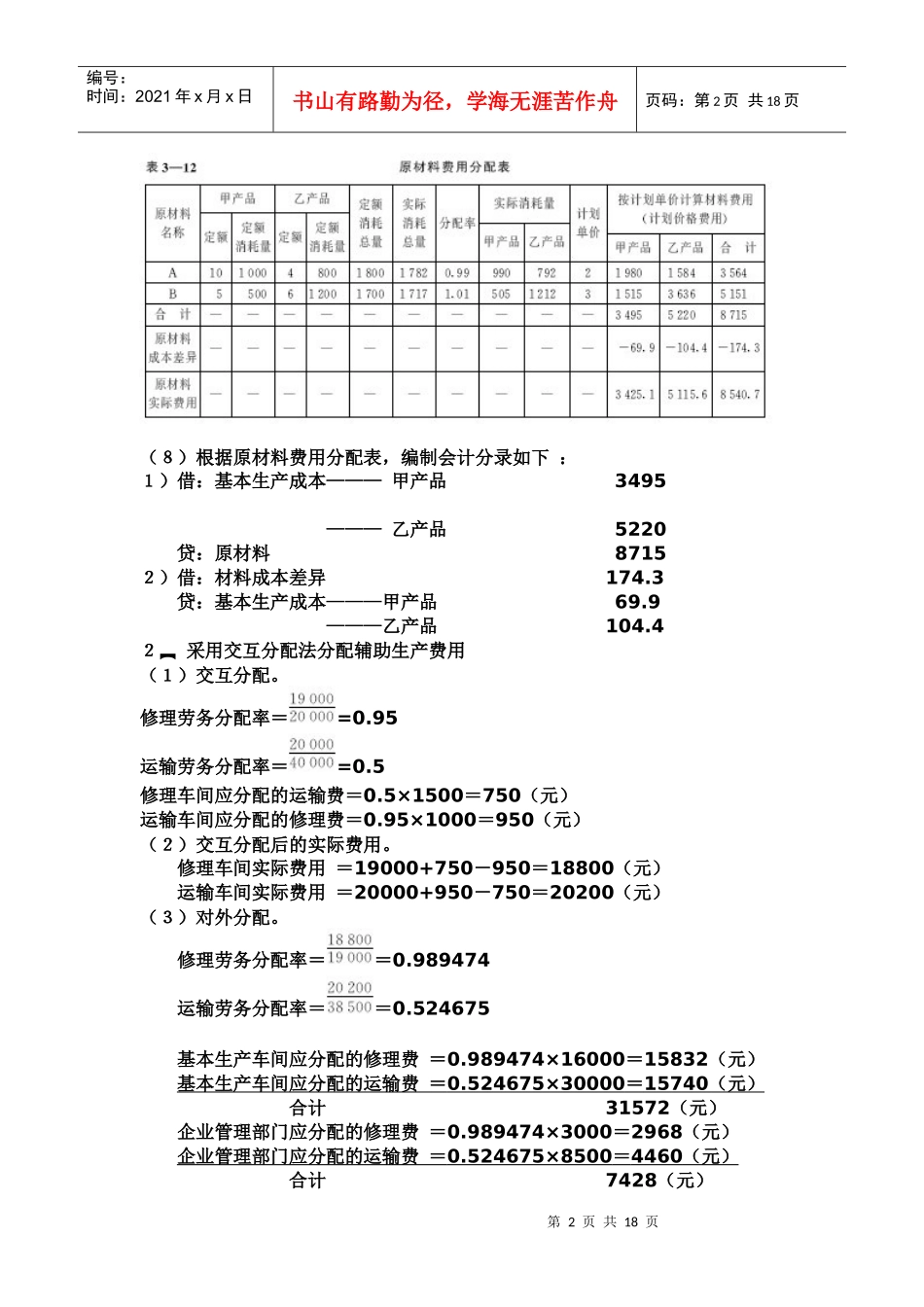
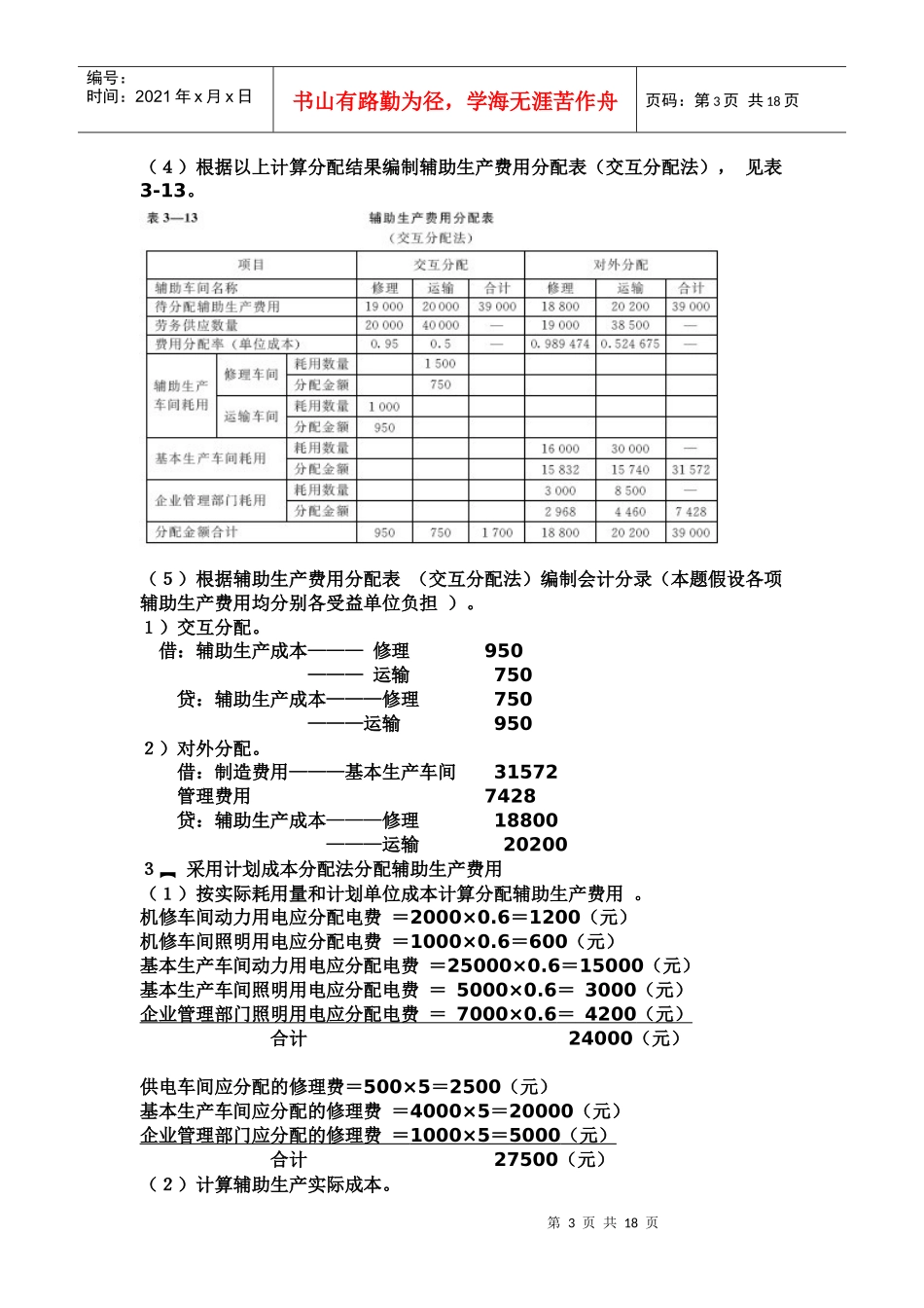
第1页共18页编号:时间:2021年x月x日书山有路勤为径,学海无涯苦作舟页码:第1页共18页第三章1按定额消耗量比例分配原材料费用(1)甲、乙两种产品的原材料定额消耗量。A材料:甲产品定额消耗量=100×10=1000(千克)乙产品定额消耗量=200×4=800(千克)合计1800(千克)B材料:甲产品定额消耗量=100×5=500(千克)乙产品定额消耗量=200×6=1200(千克)合计1700(千克)(2)计算原材料消耗量分配率。A材料消耗量分配率==0.99B材料消耗量分配率==1.01(3)计算甲、乙两种产品应分配的原材料实际消耗量。甲产品应分配的A材料实际数量=1000×0.99=990(千克)乙产品应分配的A材料实际数量=800×0.99=792(千克)甲产品应分配的B材料实际数量=500×1.01=505(千克)乙产品应分配的B材料实际数量=1200×1.01=1212(千克)(4)计算甲、乙两种产品应分配的原材料计划价格费用。甲产品应分配的A材料计划价格费用=990×2=1980(元)甲产品应分配的B材料计划价格费用=505×3=1515(元)合计3495(元)乙产品应分配的A材料计划价格费用=792×2=1584(元)乙产品应分配的B材料计划价格费用=1212×2=3636(元)合计5220(元)(5)计算甲、乙两种产品应负担的原材料成本差异。甲产品应负担的原材料成本差异=3495×(-2%)=-69.9(元)乙产品应负担的原材料成本差异=5220×(-2%)=-104.4(元)(6)计算甲、乙两种产品的实际原材料费用。甲产品实际原材料费用=3495-69.9=3425.1(元)乙产品实际原材料费用=5220-104.4=5115.6(元)(7)根据以上计算结果可编制原材料费用分配表(见表3—12)。第2页共18页第1页共18页编号:时间:2021年x月x日书山有路勤为径,学海无涯苦作舟页码:第2页共18页(8)根据原材料费用分配表,编制会计分录如下:1)借:基本生产成本———甲产品3495———乙产品5220贷:原材料87152)借:材料成本差异174.3贷:基本生产成本———甲产品69.9———乙产品104.42采用交互分配法分配辅助生产费用(1)交互分配。修理劳务分配率==0.95运输劳务分配率==0.5修理车间应分配的运输费=0.5×1500=750(元)运输车间应分配的修理费=0.95×1000=950(元)(2)交互分配后的实际费用。修理车间实际费用=19000+750-950=18800(元)运输车间实际费用=20000+950-750=20200(元)(3)对外分配。修理劳务分配率==0.989474运输劳务分配率==0.524675基本生产车间应分配的修理费=0.989474×16000=15832(元)基本生产车间应分配的运输费=0.524675×30000=15740(元)合计31572(元)企业管理部门应分配的修理费=0.989474×3000=2968(元)企业管理部门应分配的运输费=0.524675×8500=4460(元)合计7428(元)第3页共18页第2页共18页编号:时间:2021年x月x日书山有路勤为径,学海无涯苦作舟页码:第3页共18页(4)根据以上计算分配结果编制辅助生产费用分配表(交互分配法),见表3-13。(5)根据辅助生产费用分配表(交互分配法)编制会计分录(本题假设各项辅助生产费用均分别各受益单位负担)。1)交互分配。借:辅助生产成本———修理950———运输750贷:辅助生产成本———修理750———运输9502)对外分配。借:制造费用———基本生产车间31572管理费用7428贷:辅助生产成本———修理18800———运输202003采用计划成本分配法分配辅助生产费用(1)按实际耗用量和计划单位成本计算分配辅助生产费用。机修车间动力用电应分配电费=2000×0.6=1200(元)机修车间照明用电应分配电费=1000×0.6=600(元)基本生产车间动力用电应分配电费=25000×0.6=15000(元)基本生产车间照明用电应分配电费=5000×0.6=3000(元)企业管理部门照明用电应分配电费=7000×0.6=4200(元)合计24000(元)供电车间应分配的修理费=500×5=2500(元)基本生产车间应分配的修理费=4000×5=20000(元)企业管理部门应分配的修理费=1000×5=5000(元)合计27500(元)(2)计算辅助生产实际成本。第4页共18页第3页共18页编号:时间:2021年x月x日书山有路勤为...

1、当您付费下载文档后,您只拥有了使用权限,并不意味着购买了版权,文档只能用于自身使用,不得用于其他商业用途(如 [转卖]进行直接盈利或[编辑后售卖]进行间接盈利)。
2、本站所有内容均由合作方或网友上传,本站不对文档的完整性、权威性及其观点立场正确性做任何保证或承诺!文档内容仅供研究参考,付费前请自行鉴别。
3、如文档内容存在违规,或者侵犯商业秘密、侵犯著作权等,请点击“违规举报”。

碎片内容

成本会计学课后答案

确认删除?
VIP
微信客服
  • 扫码咨询
会员Q群
  • 会员专属群点击这里加入QQ群
客服邮箱
回到顶部