电脑桌面
添加小米粒文库到电脑桌面
安装后可以在桌面快捷访问

质量体系编写表格COP14-1VIP免费

质量体系编写表格COP14-1_第1页
1/4
质量体系编写表格COP14-1_第2页
2/4
质量体系编写表格COP14-1_第3页
3/4
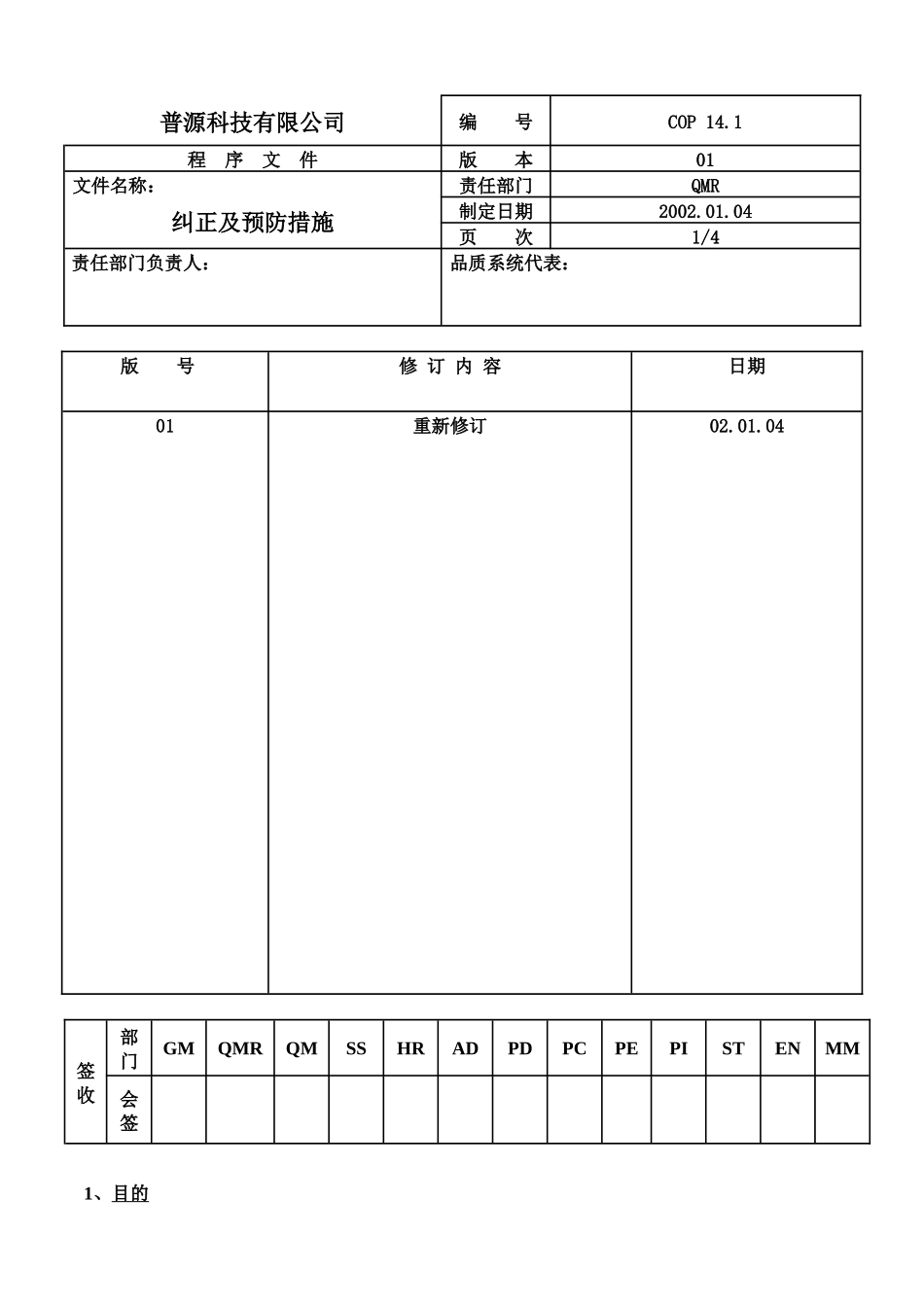
普源科技有限公司编号COP14.1程序文件版本01文件名称:纠正及预防措施责任部门QMR制定日期2002.01.04页次1/4责任部门负责人:品质系统代表:版号修订内容日期01重新修订02.01.04签收部门GMQMRQMSSHRADPDPCPEPISTENMM会签1、目的1.1制定本程序及责任,清楚界定系统不符项之调查,制定纠正及预防措施。2、概述2.1本程序主要适用于处理来自材料验收、生产中检查、最终检查及客户品质投诉的不符合项目。2.2另外,品质系统的不符合项,可通过COP17.1内部品质审核执行处理。3、职责3.1品质系统代表(QMR)、QC部负责人及生产部负责人全力推行及维持本规定。4、程序4.1改善要求(ActionRequest)的发出条件在以下任何一种情况下,各部门负责人均有权经由QMR向责任部门发出改善措施要求表(CAR:CorrectiveActionRequest),并要求有关责任部门作出纠正行动或预防措施。A.不合格品属于致命缺陷(Cr.)。B.不合格品属于严重缺陷(MAJ),不良率超过5%。C.不合格品属于轻微缺陷,不良率为100%。D.每月FQC合格率低于即定目标。E.客户投诉(记录于[客户投诉履历表]中)。F.不符合项可能导致以上情况发生。4.2纠正或预防措施范围4.2.1在材料验收过程中出现不合格品/不合格项时,由QC部负责人决定是否需发行CAR。4.2.2当生产过程中生产部人员发现不合格品/不合格项时,由生产部负责人决定是否需发行CAR。4.2.3在生产过程中巡回检查发现不合格品/不合格项时,由QC部负责人决定是否需发行CAR。4.2.4在FQC最终检查过程中出现不合格品/不合格项时,由QC部决定是否需发行CAR。4.2.5当接到客户投诉时,由QA部负责人决定是否需发行CAR。4.3纠正或预防措施的处理。4.3.1纠正行动有关部门在收到4.2项所及的CAR时,须研究出现不合格品/不合格项的原因,并提出纠正方法。4.3.2预防措施当不合格品/不合格项发生的原因属于以下两种潜在性原因时,除作纠正行动外,还需制定预防措施。A.不合格品发生的原因会导致其它产品有可能发生同类性质不合格品的出现(水平展开预防)。B.不合格项发生的原因可能会导致不合格品的出现。4.3.3纠正或预防措施的内容由责任部门填写在CAR上。4.3.4发行CAR的部门负责人应监察纠正或预防措施的执行过程,执行情况由有关负责人填写在CAR上。4.3.5因更改预防行动而涉及到的相关的文件,手册程序等须进行同步更改,并记录在[新发行/变更通知书]上,工程更改则记录在[工程更改]上。4.3.6QMR应确保:a)纠正或预防行动真正执行。b)如遇上同样的问题反复出现,QMR应召开会议检讨其纠正或预防行动是否有效,是否须作出更改,检讨的内容填写在[会议记录]上。c)如有需要,QMR可安排内部审核进行监查。d)有关纠正或预防行动呈交于管理会议上作定期评审(参照COP1.1)。4.4CAR跟进行动4.4.1如果改善措施(纠正或预防)已有效完成,QMR将记录跟进结果完成日及签署。CAR即完结,存档。4.4.2如果改善措施到期后仍未完成,则记录于[CAR完成状态表]上。4.4.3若超过两次承诺日仍未成,则记录于[CAR完成状态表]上。4.4.4CAR的编号按顺序及他们的完成状态,记录于[CAR完成状态表]上由QMR填写及保存。5记录及表格5.1改善措施要求表(CAR)。(FM-MR-1411-01)5.2CAR完成状态表。(FM-MR-1412-02)5.3客户投诉履历表。(FM-MR-1413-01)

1、当您付费下载文档后,您只拥有了使用权限,并不意味着购买了版权,文档只能用于自身使用,不得用于其他商业用途(如 [转卖]进行直接盈利或[编辑后售卖]进行间接盈利)。
2、本站所有内容均由合作方或网友上传,本站不对文档的完整性、权威性及其观点立场正确性做任何保证或承诺!文档内容仅供研究参考,付费前请自行鉴别。
3、如文档内容存在违规,或者侵犯商业秘密、侵犯著作权等,请点击“违规举报”。

碎片内容

质量体系编写表格COP14-1

书海行舟+ 关注
实名认证
内容提供者

热爱教学事业,对互联网知识分享很感兴趣

相关文档

确认删除?
VIP
微信客服
  • 扫码咨询
会员Q群
  • 会员专属群点击这里加入QQ群
客服邮箱
回到顶部