电脑桌面
添加小米粒文库到电脑桌面
安装后可以在桌面快捷访问

溢洪道水利水电工程施工质量评定表1VIP免费

溢洪道水利水电工程施工质量评定表1_第1页
1/10
溢洪道水利水电工程施工质量评定表1_第2页
2/10
溢洪道水利水电工程施工质量评定表1_第3页
3/10
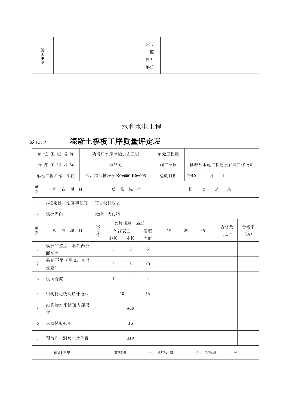
水利水电工程表1.5混凝土单元工程质量评定表单位工程名称两河口水库除险加固工程单元工程量分部工程名称溢洪道施工单位桃源县水电工程建设有限责任公司单元工程名称、部位溢洪道泄槽底板K0+000-K0+006检验日期2010年月日项次工序名称工序质量等级1基础面或混凝土施工缝处理2模板3△钢筋4止水、伸缩缝和排水管安装5△混凝土浇筑6锚杆评定意见单元工程质量等级工序质量全部合格,主要工序—钢筋、混凝土浇筑两工序质量施工单位建设(监理)单位水利水电工程表1.5-1基础面或混凝土施工缝处理工序质量评定表单位工程名称两河口水库除险加固工程单元工程量分部工程名称溢洪道施工单位桃源县水电工程建设有限责任公司单元工程名称、部位溢洪道泄槽底板K0+000-K0+006检验日期2010年月日项次检查项目质量标准检验记录1基础岩面⑴△建基面无松动岩块⑵△地表水和地下水妥善引排或封堵⑶岩面清洗清洗洁净,无积水,无积渣杂物2混凝土施工缝⑴△表面处理无乳皮、成毛面⑵混凝土表面清洗清洗洁净,无积水,无积渣杂物3软基面⑴△建基面预留保护层已挖除,地质符合设计要求⑵垫层铺填符合设计要求⑶基础面清理无乱石、杂物,坑洞分层回填夯实评定意见工序质量等级主要检查项目全部符合质量标准,一般检查项目施工单位建设(监理)单位水利水电工程表1.5-2混凝土模板工序质量评定表单位工程名称两河口水库除险加固工程单元工程量分部工程名称溢洪道施工单位桃源县水电工程建设有限责任公司单元工程名称、部位溢洪道泄槽底板K0+000-K0+006检验日期2010年月日项次检查项目质量标准检验记录1△稳定性、刚度和强度符合设计要求2模板表面光洁、无污物项次检测项目设计值允许偏差(mm)实测值合格数(点)合格率(%)外露表面隐蔽内面钢模木模1模板平整度:相邻两板面高差2352局部不平(用2m直尺检查)25103板面缝隙1224结构物边线与设计边线10155结构物水平断面内部尺寸±206承重模板标高±57预留孔、洞尺寸及位置±10检测结果共检测点,其中合格点,合格率%评定意见工序质量等级主要检查项目全部符合质量标准。一般检查项目。检测项目实测点合格率%。施工单位建设(监理)单位水利水电工程表1.5-3混凝土钢筋工序质量评定表单位工程名称两河口水库除险加固工程单元工程量分部工程名称溢洪道施工单位桃源县水电工程建设有限责任公司单元工程名称、部位溢洪道泄槽底板K0+000-K0+006检验日期2010年月日项次检查项目质量标准检验记录1△钢筋的数量、规格尺寸、安装位置符合设计图纸2焊缝表面和焊缝中不允许有裂缝3△脱焊点和漏焊点无项次检测项目设计值允许偏差(mm)实测值合格数(点)合格率(%)1帮条对焊接头中心的纵向偏移0.5d2接头处钢筋轴线的曲折4度3△焊缝长度-0.5d高度-0.05d宽度-0.1d咬边深度0.05d不大于1表面气孔夹渣在2d长度上不多于2个气孔、夹渣直径不大于34△绑扎缺扣、松扣≤20%且不集中弯钩朝向正确符合设计图纸搭接长度-0.05设计值续表1.5—3项次检测项目设计值允许偏差(mm)实测值合格数(点)合格率(%)Ф25~40mm钢筋0.15dФ40~70mm钢筋0.10d接头处钢筋中心线的位移0.1d不大于2焊缝表面(长为2d)和焊缝截面上蜂窝、气孔、非金属杂质不大于1.5d,3个6钢筋长度方向的偏差±1/2净保护层厚柱及梁±0.5d板、墙±0.1间距8同一排中分布钢筋间距的偏差±0.1间距9双排钢筋,其排与排间距的局部偏差±0.1排距10梁与柱中钢箍间距的偏差0.1箍筋间距11保护层厚度的局部偏差±1/4净保护层厚检测结果共检测点,其中合格点,合格率%评定意见工序质量等级主要检查项目全部符合质量标准。一般检查项目。检测项目实测点合格率%。施工单位建设(监理)单位水利水电工程混凝土止水、伸缩缝和排水管安装表1.5-4工序质量评定表单位工程名称两河口水库除险加固工程单元工程量分部工程名称溢洪道施工单位桃源县水电工程建设有限责任公司单元工程名称、部位溢洪道泄槽底板K0+000-K0+006检验日期2010年月日项次检查项目质量标准检验记录1伸缩缝制作及安装涂敷沥青料混凝土表面洁净干燥,涂刷均匀平整,与混凝土粘接紧密,无气泡及隆起现2粘贴沥青油毛毡伸缩缝表面清洁干燥,蜂窝麻面已处理并填平,外露...

1、当您付费下载文档后,您只拥有了使用权限,并不意味着购买了版权,文档只能用于自身使用,不得用于其他商业用途(如 [转卖]进行直接盈利或[编辑后售卖]进行间接盈利)。
2、本站所有内容均由合作方或网友上传,本站不对文档的完整性、权威性及其观点立场正确性做任何保证或承诺!文档内容仅供研究参考,付费前请自行鉴别。
3、如文档内容存在违规,或者侵犯商业秘密、侵犯著作权等,请点击“违规举报”。

碎片内容

溢洪道水利水电工程施工质量评定表1

书海行舟+ 关注
实名认证
内容提供者

热爱教学事业,对互联网知识分享很感兴趣

确认删除?
VIP
微信客服
  • 扫码咨询
会员Q群
  • 会员专属群点击这里加入QQ群
客服邮箱
回到顶部