电脑桌面
添加小米粒文库到电脑桌面
安装后可以在桌面快捷访问

质量管理体系建立推进计划书VIP免费

质量管理体系建立推进计划书_第1页
1/6
质量管理体系建立推进计划书_第2页
2/6
质量管理体系建立推进计划书_第3页
3/6
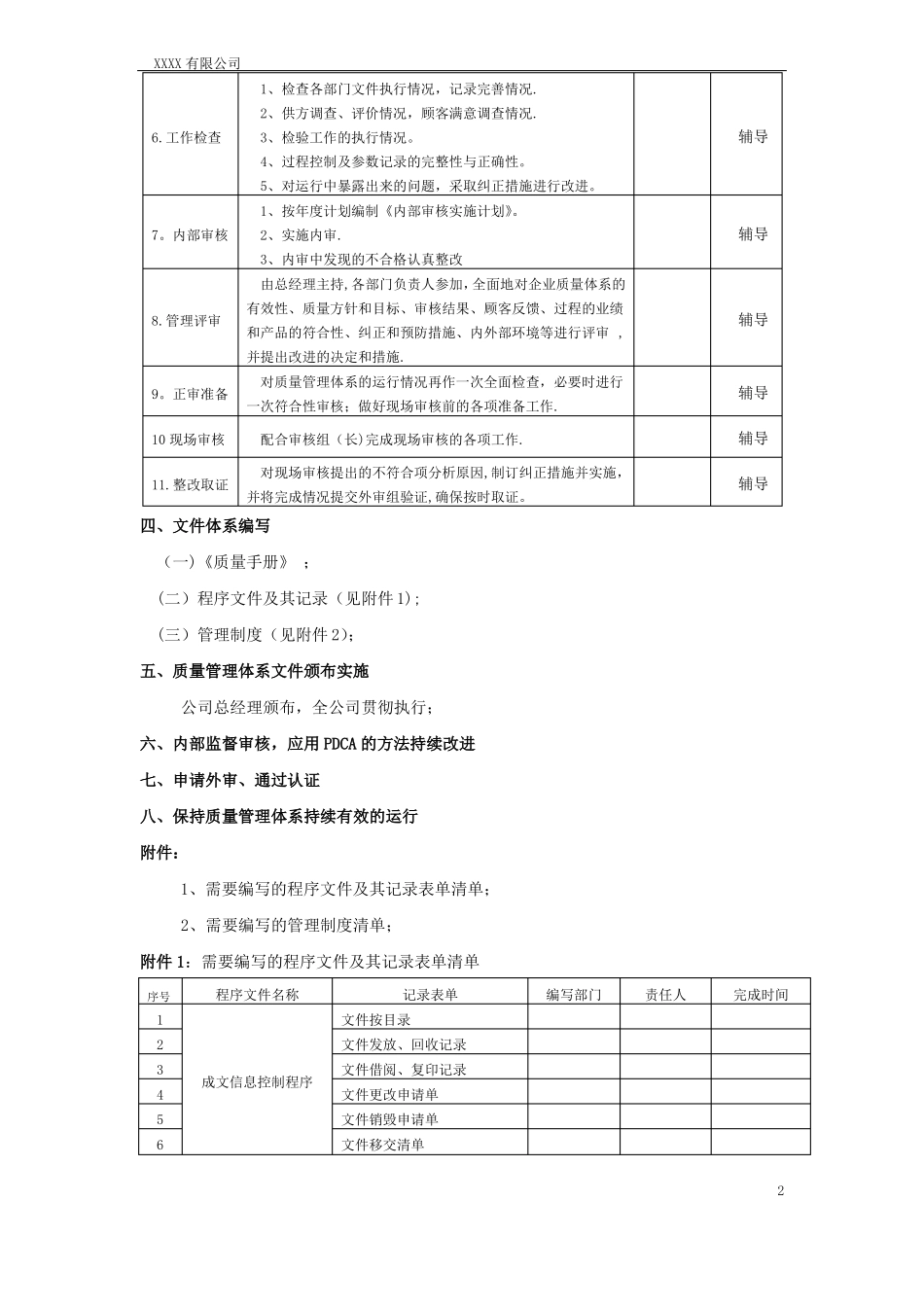
XXXX有限公司质量管理体系建立推进计划书一、质量管理体系现状描述公司是初创公司,公司还没有建立相关质量管理体系文件,现场很多流程和作业存在缺失和不规范.21世纪是质量的年代,市场的竞争将归结为人才的竞争、质量的竞争、公司素质的竞争。公司贯彻新版GJB9001C—2017版《质量管理体系要求》为生产保驾护航。文件化管理是体系运行的基础,完整的文件结构包括一阶管理手册、二阶程序文件、三阶管理办法(制度)、四阶记录表单。目前公司还没有备案登记的质量管理手册、程序文件、管理办法(制度)和记录表单。二、质量管理体系推进目标1、凡事有标准;2、凡事有章可循;3、凡事有人负责;4、凡事有监督;5、凡事有案可查;6、凡事有改进(PDCA循环)。三、质量管理体系建立工作计划阶段工作内容对公司的管理现状、业务流程、组织机构、资源等进行分析;1。调研分析对公司建立质量管理体系已具备了什么,还欠缺什么,做到心中有数,为体系的建立做好充分准备。1、确定体系范围及覆盖的产品.2、任命管理者代表,确定组织机构。2。体系策划3、配备充分而适宜的资源。4、总经理确定质量方针、目标。5、成立质量管理体系编写小组1、学习GJB9001C—2017标准。3.培训2、满足顾客要求和法律法规要求的意识培训。3、质量方针、目标的宣贯讲解。4、体系文件的编写方法。1、对组织的管理现状、经营、过程等进行识别。4.文件编写2、收集各类法律法规、产品标准、操作规程等。3、编写质量手册、程序文件、作业指导书、记录表格等.1、质量手册、程序文件、作业指导书、记录表格等的定稿、5.发布运行会审、审批、发布。2、质量手册、程序文件、作业指导书、记录表格等的培训讲解,并开始运行。1完成时间辅导方辅导辅导辅导辅导辅导XXXX有限公司1、检查各部门文件执行情况,记录完善情况.2、供方调查、评价情况,顾客满意调查情况.6.工作检查3、检验工作的执行情况。4、过程控制及参数记录的完整性与正确性。5、对运行中暴露出来的问题,采取纠正措施进行改进。1、按年度计划编制《内部审核实施计划》。7。内部审核2、实施内审.3、内审中发现的不合格认真整改由总经理主持,各部门负责人参加,全面地对企业质量体系的8.管理评审有效性、质量方针和目标、审核结果、顾客反馈、过程的业绩和产品的符合性、纠正和预防措施、内外部环境等进行评审,并提出改进的决定和措施.9。正审准备10现场审核11.整改取证对质量管理体系的运行情况再作一次全面检查,必要时进行一次符合性审核;做好现场审核前的各项准备工作.配合审核组(长)完成现场审核的各项工作.对现场审核提出的不符合项分析原因,制订纠正措施并实施,并将完成情况提交外审组验证,确保按时取证。辅导辅导辅导辅导辅导辅导四、文件体系编写(一)《质量手册》;(二)程序文件及其记录(见附件1);(三)管理制度(见附件2);五、质量管理体系文件颁布实施公司总经理颁布,全公司贯彻执行;六、内部监督审核,应用PDCA的方法持续改进七、申请外审、通过认证八、保持质量管理体系持续有效的运行附件:1、需要编写的程序文件及其记录表单清单;2、需要编写的管理制度清单;附件1:需要编写的程序文件及其记录表单清单序号程序文件名称记录表单文件按目录文件发放、回收记录编写部门责任人完成时间2123456成文信息控制程序文件借阅、复印记录文件更改申请单文件销毁申请单文件移交清单XXXX有限公司7891011121314151617181920212223242526272829303132333435363738394041424344454647484950服务提供控制程序生产过程控制程序采购控制程序与顾客有关的过程控制程序工艺质量控制程序基础设备与工作环境控制程序人力资源控制程序管理评审控制程序外来文件目录文件、记录检查表文件销毁、保管记录管理评审计划管理评审记录管理评审签到表管理评审报告管理评审改进措施年度人员招聘计划人员需求申请表员工转正审批表岗位变动申请表年度员工培训计划解除员工劳动关系审批表培训记录表设备设施台帐年度设备需求计划设备申购单设备验收单设备维修记录表设备维修单设备报废审批表设备启用、封存申请表年度设备保养维修计划设备外协送修单作业环境检查记录表合同评审...

1、当您付费下载文档后,您只拥有了使用权限,并不意味着购买了版权,文档只能用于自身使用,不得用于其他商业用途(如 [转卖]进行直接盈利或[编辑后售卖]进行间接盈利)。
2、本站所有内容均由合作方或网友上传,本站不对文档的完整性、权威性及其观点立场正确性做任何保证或承诺!文档内容仅供研究参考,付费前请自行鉴别。
3、如文档内容存在违规,或者侵犯商业秘密、侵犯著作权等,请点击“违规举报”。

碎片内容

质量管理体系建立推进计划书

爱的疯狂+ 关注
实名认证
内容提供者

该用户很懒,什么也没介绍

确认删除?
VIP
微信客服
  • 扫码咨询
会员Q群
  • 会员专属群点击这里加入QQ群
客服邮箱
回到顶部