电脑桌面
添加小米粒文库到电脑桌面
安装后可以在桌面快捷访问

排桩人工挖孔灌注桩支护施工方法和要求VIP免费

排桩人工挖孔灌注桩支护施工方法和要求_第1页
1/11
排桩人工挖孔灌注桩支护施工方法和要求_第2页
2/11
排桩人工挖孔灌注桩支护施工方法和要求_第3页
3/11
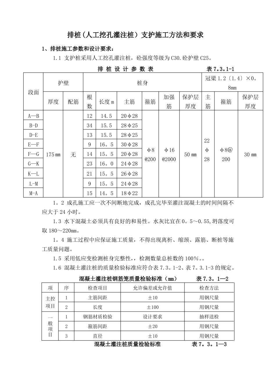
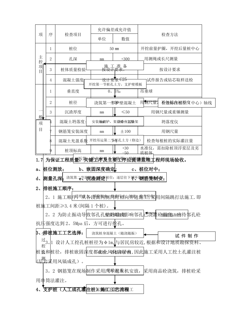
排桩(人工挖孔灌注桩)支护施工方法和要求1、排桩施工参数和设计要求:1.1支护桩采用人工挖孔灌注桩,砼强度等级为C30.砼护壁C25。排桩设计参数表表7。3。1-1护壁段面厚度A—BB-DD-EE—FF—G175㎜G—KK—LL-MM-A应大于24小时。1.3水下混凝土必须具有良好的和易性。水灰比宜在0。5~0.55,坍落度可取180~220mm。1。4施工过程中应保证施工质量,不得出现离析、缩颈、露筋、断桩等施工质量问题。1.5采用低应变检测桩身完整性,,检测数量总桩数的100%。。1.6混凝土灌注桩的质量检验标准应符合表7.3。1-2、表7。3.1-3的规定。混凝土灌注桩钢筋笼质量检验标准(mm)表7.3。1—2项主控项目一般项目序12123检查项目主筋间距长度钢筋材质检验箍筋间距直径允许偏差或允许值±10±100设计要求±20±10检查方法用钢尺量用钢尺量抽样送检用钢尺量用钢尺量桩身根数1234139长度m14.515.515.5主筋20φ2828φ2528φ25箍筋加强筋保护层厚度冠梁1.2〔1.4〕×0。8mm主筋箍筋保护层厚度配筋16。530φ2822φ8φ16@200@200050㎜φ28φ8@20030㎜无1415。520φ282316。024φ282115。526φ28915。524φ281514。518φ221。2成孔施工应一次不间断地完成,成孔完毕至灌注混凝土的时间间隔不混凝土灌注桩质量检验标准表7。3。1—3允许偏差或允许值项序1主控项目23412一般项目3478检查项目单位桩位孔深桩体质量检验混凝土强度垂直度桩径沉渣厚度mm50㎜+300数值开挖前量护圈,开挖后量桩中心用测绳或长尺测量按设计要求试件报告或钻芯取样送检吊垂球检查方法施工准备按设计要求。开挖第一节桩孔土方,支护壁模板设计要求C250。5‰±50浇筑第一节护壁混凝土用钢尺量,不包括内衬厚度检查标注桩位(中心)轴线mm≤50用钢尺量或重锤测量坍落度仪用钢尺量混凝土坍落度:安装铁辘轳,架设垂直运输架mm180~220钢筋笼安装深度mm±100(修边)检查每根桩的实际灌注量混凝土充盈系数开挖吊运第二节桩孔土方>1+30水准仪,需扣除桩顶浮浆层及劣9桩顶标高mm-50质桩体拆第一节支护壁及安装第二节护壁模板1.7为保证工程质量,关键工序及主要工序应提请监理工程师现场验收。a、桩位测放;b、嵌固深度确定;c、桩位对中;d、测量孔深;e、沉渣测定;f、钢筋笼制安;浇筑第二节混凝土,检查桩位;逐层往下循环作业至设计孔深2、排桩施工顺序:2。1施工顺序:从各段面两侧同时相向并进施工,采用间隔跳打法施工.即清理虚土、排除积水、检查尺寸、封底、检查验收桩施工间距≥3.4米(间隔1个桩)。安放钢筋笼钢筋笼制作2。2为防止振动导致邻孔孔壁坍塌或影响邻孔已浇灌砼强度,应待邻孔砼抗压强度达到2。5Mpa后,方可进行挖孔。3、排桩施工工艺选择:全试件制作过3。1设计人工挖孔桩桩径为φ1m,与居民房较近,根据和设计地质勘探资料、程监成桩、养桩和护桩,因此施工采用人工挖土孔灌注桩桩长和桩径,排桩嵌固深度都在全风化岩层内测浇筑桩身混凝土(随浇随振)(层岩采用风镐成孔)。凿砼桩头3。2钢筋笼在现场制作采用汽车起重机安放,采用商品砼浇筑,排桩砼采用串筒法灌注。冠梁和下道工序施工4、支护桩(人工成孔灌注桩)施工工艺流程5、排桩施工准备:5.1地质勘察报告、桩基施工图已收集齐全.5.2施工场地范围内的障碍物已拆除。场地按施工要求平整,临时设施及道路已修建.5.3设置桩位轴线、定位点;桩孔四周撒灰线。测定高程水准点,放线工序完成后,办理预检手续.5。4机具设备已齐备,并已维修、保养,处于完好状态。5。5人工挖孔操作的安全至关重要,开挖前对施工人员进行全面的安全技术交底;操作前对吊具进行安全可靠的检查和试验,确保施工安全。5.6现场临时水电已经做好平面布置,满足施工要求。6、施工班组及材料、设备配置:6。1正常工作下,排桩支护组织1个班组进场分段流水施工,其劳动力配置如下:(a)成孔清渣作业40人,钢筋笼和冠梁钢筋制作安装3人(b)砼浇筑10人,普工2人,电工2人(c)防护2人(d)测量放样和管理人员3人。共60人左右6。2机具准备:(a)葫芦及钻辘20套,GJ—7风镐8台.(b)QY25汽车吊1台,渣土车1台,双轮手推车8辆,电动夯土机1台。(c)气体检测工具或白鸽4套,1。5KW鼓风机10台。(d)空压机6台(18。5m3...

1、当您付费下载文档后,您只拥有了使用权限,并不意味着购买了版权,文档只能用于自身使用,不得用于其他商业用途(如 [转卖]进行直接盈利或[编辑后售卖]进行间接盈利)。
2、本站所有内容均由合作方或网友上传,本站不对文档的完整性、权威性及其观点立场正确性做任何保证或承诺!文档内容仅供研究参考,付费前请自行鉴别。
3、如文档内容存在违规,或者侵犯商业秘密、侵犯著作权等,请点击“违规举报”。

碎片内容

排桩人工挖孔灌注桩支护施工方法和要求

您可能关注的文档

确认删除?
VIP
微信客服
  • 扫码咨询
会员Q群
  • 会员专属群点击这里加入QQ群
客服邮箱
回到顶部