电脑桌面
添加小米粒文库到电脑桌面
安装后可以在桌面快捷访问

质量监督记录(模版)(DOC27页)VIP免费

质量监督记录(模版)(DOC27页)_第1页
1/20
质量监督记录(模版)(DOC27页)_第2页
2/20
质量监督记录(模版)(DOC27页)_第3页
3/20
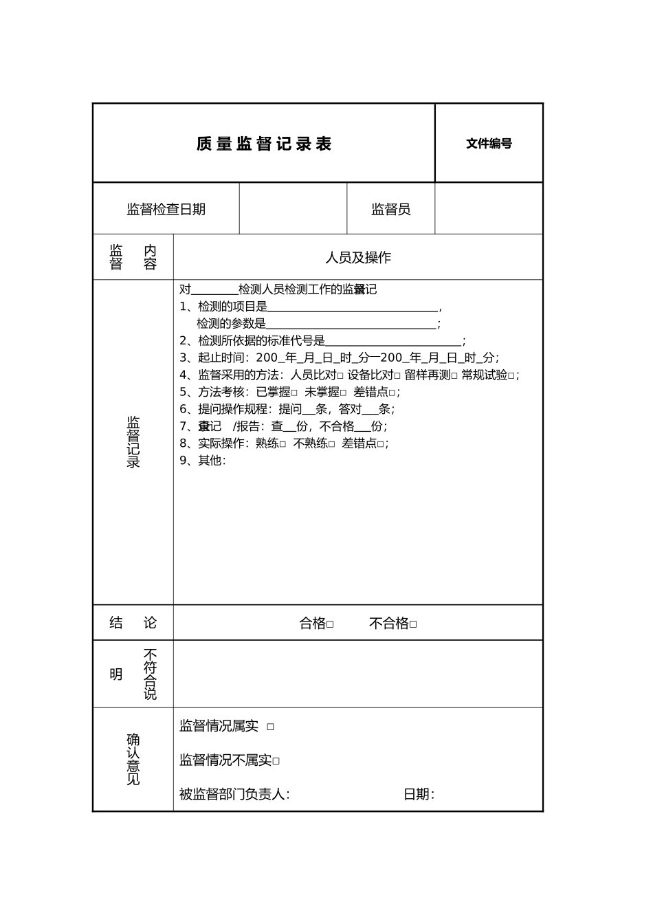
年度质量监督计划表文件编号监督内容监督频率人员及操作1次/月设施及环境条件1次/月检测方法1次/3月仪器设备1次/3月测量溯源性1次/3月抽样、样品处置1次/月结果报告1次/3月必要说明:管理室主管:日期:编制人(管理室主管):日期:批准人(技术负责人):日期:质量监督记录表文件编号监督检查日期监督员内容监督人员及操作监督记录对检测人员检测工作的监督记录1、检测的项目是,检测的参数是;2、检测所依据的标准代号是;3、起止时间:200年月日时分――200年月日时分;4、监督采用的方法:人员比对□设备比对□留样再测□常规试验□;5、方法考核:已掌握□未掌握□差错点□;6、提问操作规程:提问条,答对条;7、查记录/报告:查份,不合格份;8、实际操作:熟练□不熟练□差错点□;9、其他:论结合格□不合格□不符合说明确认意见监督情况属实□监督情况不属实□被监督部门负责人:日期:质量监督记录表文件编号监督检查日期监督员内容监督设施及环境条件监督记录对室设施和环境条件的监督记录:1、本室的环境条件是:温度,湿度,其他;2、是否配备相应的控制设施:是□否□;3、是否按规定及时记录监控记录:是□否□;4、当环境条件危及到检测结果时,检测人员是否停止工作,报告不符合,对已检测的数据标明无效,并采取措施保证检测结果的有效性,待环境条件恢复正常后再继续进行工作:是□否□;5、对不相容的相邻区域是否有效的隔离,同时应采取相应措施防止相互干扰或交叉污染:是□否□;6、对无菌区域,是否明确标识,并能有效地控制、监测和记录:是□否□;7、对影响检测质量的区域的进入和使用,是否加以了控制:是□否□;8、实验区与办公区是否保持有良好的隔离,并加贴“实验受控区”或等同标识,无关人员未经批准不随意进入实验区域:是□否□;9、产生有害气体作业场所是否安装通风排气系统:是□否□;10、其他:论结合格□不合格□不符合说明确认意见监督情况属实□监督情况不属实□被监督部门负责人:日期:质量监督记录表文件编号监督检查日期监督员内容监督检测方法监督记录对室所使用检测方法的监督记录:1、是否编制现行最新有效版本标准目录,并经技术负责人批准以文件形式发布执行:是□否□;2、抽查个检测标准,其中作废标准个;3、所选用的方法是否通知了客户:是□否□;4、如果缺少作业指导书可能影响检测结果时,是否编制了相应的作业指导书:是□否□;5、所有与实验室工作有关的指导书、标准是否保持现形有效,并在操作现场易于操作者取阅:是□否□;6、对检测方法的偏离是否仅在已被文件规定、经技术判断、授权和客户同意的情况下才允许发生:是□否□;7、当检测方法有要求或客户有要求时,是否能进行测量不确定度的评定:是□否□;8、其他:论结合格□不合格□不符合说明确认意见监督情况属实□监督情况不属实□被监督部门负责人:日期:质量监督记录表文件编号监督检查日期监督员内容监督仪器设备监督记录对室仪器设备的监督记录:1、是否配备了正确进行检测所要求的设备:是□否□;2、用于检测和抽样的设备是否达到要求的准确度:是□否□;3、新购置的设备是否经过了首次检定校准:是□否□;4、检测人员在使用设备前后,应对该设备进行检查,并按规定要求填写《仪器设备使用记录》:是□否□;5、设备是否由经过授权的人员操作:是□否□;6、所有设备如可能是否均有编号:是□否□;7、重要的设备是否有设备档案,是否符合标准要求:是□否□;8、对不合格设备是否封存或加贴红色标识:是□否□;9、是否有设备的三色标识:是□否□;10、是否对需要进行期间核查的设备进行了期间核查:是□否□;11、其他:论结合格□不合格□不符合说明确认意见监督情况属实□监督情况不属实□被监督部门负责人:日期:质量监督记录表文件编号监督检查日期监督员内容监督测量溯源性监督记录对室测量溯源的监督记录:1、是否编制了周期检定/校准计划:是□否□;2、是否按周期检定/校准计划的要求进行了检定/校准:是□否□;3、检定/校准状态是否有标识:是□否□;4、所用于检测的标准物质均是否贴有唯一性的管理编号:是□否□;5、标...

1、当您付费下载文档后,您只拥有了使用权限,并不意味着购买了版权,文档只能用于自身使用,不得用于其他商业用途(如 [转卖]进行直接盈利或[编辑后售卖]进行间接盈利)。
2、本站所有内容均由合作方或网友上传,本站不对文档的完整性、权威性及其观点立场正确性做任何保证或承诺!文档内容仅供研究参考,付费前请自行鉴别。
3、如文档内容存在违规,或者侵犯商业秘密、侵犯著作权等,请点击“违规举报”。

碎片内容

质量监督记录(模版)(DOC27页)

您可能关注的文档

确认删除?
VIP
微信客服
  • 扫码咨询
会员Q群
  • 会员专属群点击这里加入QQ群
客服邮箱
回到顶部