电脑桌面
添加小米粒文库到电脑桌面
安装后可以在桌面快捷访问

混凝土工程施工工艺流程VIP免费

混凝土工程施工工艺流程_第1页
1/7
混凝土工程施工工艺流程_第2页
2/7
混凝土工程施工工艺流程_第3页
3/7
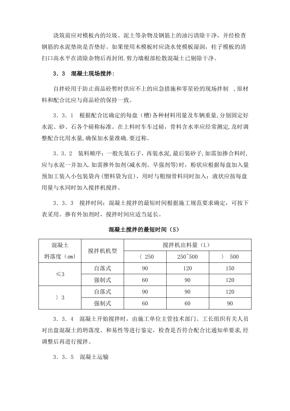
混凝土工程施工工艺1范围本工艺标准适用于一般现浇框架、框架剪力墙、剪力墙结构混凝土的浇筑工程.采用商品混凝土,混凝土输送泵泵送,对于少量的小型构配件混凝土和基础垫层可采用现场搅拌。2施工准备2.1材料及主要机具:2.1.1水泥:a、水泥依据设计要求选用相应标号的水泥。b、水泥进场时,应有出厂合格证或试验报告,并要核对其品种、标号、出厂日期.使用前若发现受潮或过期,应重新取样试验。c、水泥质量证明书中各项品质指标应符合标准中的规定.品质指标包括氧化镁含量、三氧化硫含量、烧失量、细度、凝结时间、安定性、抗压和抗折强度。d、混凝土的最大水泥用量不宜大于500kg/m3。2.1.2砂:a、砂依据设计要求选用相应要求的优质砂料.b、对于泵送砼,砂子宜用中砂,砂率宜控制在40%~50%.c、砂的含泥量(按重量计),当混凝土强度等级高于或等于C30时,不大于3%;低于C30时,不大于5%,对有抗渗、抗冻或其它特殊要求的混凝土用砂,其含泥量不应大于3%,对C10或C10以下的混凝土用砂,其含泥量可酌情放宽。2.1.3石子:a、碎石依据设计要求选用相应要求的优质石料.b、石子最大粒径不得大于结构截面尺寸的1/4,同时不得大于钢筋间最小净距的3/4。混凝土实板骨料的最大粒径不宜超过板厚的1/2。且不得超过50mm。对于泵送砼,碎石最大粒径与输送管内径之比,宜小于或等于1:3,卵石宜小于或等于1:2。5。c、石子的含泥量(按重量计)对等于或高于C30混凝土时,不大于1%;低于C30时,不大于2%;对有抗冻、抗渗或其它特殊要求的混凝土,石子的含泥量不大于1%;对C10或C10以下的混凝土,石子的含泥量可酌情放宽。d、石子中针、片状颗粒的含量(按重量计),当混凝土等级高于或等于C30时,不大于15%;低于C30时不大于25%;对C10或C10以下,可以放宽到40%.2.1.4水:符合国家标准的生活饮用水可拌制各种混凝土,不需再进行检验.2.1.5外加剂:减水剂、早强剂、缓凝减水剂等应符合有关标准的规定,其掺量须经试验符合要求后,方可使用。2.1.6主要机具:混凝土搅拌机、磅称(或自动计量设备)、双轮手推车、小翻斗车、尖锹、平锹、混凝土吊斗、插入式振动器、平板式振动器、木抹子,长抹子,铁板、胶皮水管、串桶、塔式起重机等。3操作工艺3.1工艺流程:采用现场搅拌混凝土浇筑工艺作业准备→混凝土搅拌→混凝土运输→柱、梁、板、墙、楼梯混凝土浇筑秘振捣→养护采用商品混凝土浇筑工艺作业准备→商品混凝土运输到现场→混凝土质量检查→卸料→泵送至浇筑部位→柱、梁、板、墙、楼梯混凝土浇筑秘振捣→养护3.2作业准备:浇筑前应对模板内的垃圾、泥土等杂物及钢筋上的油污清除干净,并经检查钢筋的水泥垫块是否垫好。如果使用木模板时应浇水使模板湿润,柱子模板的清扫口高水平在清除杂物后再封闭.剪力墙根部松散混凝土已剔除干净。3.3混凝土现场搅拌:自拌砼用于防止商品砼暂时供应不上的应急措施和零星砼的现场拌制,原材料和配合比应与商品砼的保持一致。3.3.1根据配合比确定的每盘(槽)各种材料用量及车辆重量,分别固定好水泥、砂、石各个磅称标准。在上料时车车过磅,骨料含水率应经常测定,及时调整配合比用水量,确保加水量准确.要过称。3.3.2装料顺序:一般先装石子,再装水泥,最后装砂子,如需加掺合料时,应与水泥一并加入.如需掺外加剂(减水剂、早强剂等)时,粉状应根据每盘加入量预加工装入小包装袋内(塑料袋为宜),用时与粗细骨料同时加入;液状应按每盘用量与水同时加入搅拌机搅拌。3.3.3搅拌时间:混凝土搅拌的最短时间根据施工规范要求确定,可按下表采用。掺有外加剂时,搅拌时间应适当延长。混凝土搅拌的最短时间(S)混凝土坍落度(㎝)≤3搅拌机出料量(L)搅拌机机型自落式强制式自落式强制式〈25090609060250~500120909060〉50015012012090〉33.3.4混凝土开始搅拌时,由施工单位主管技术部门、工长组织有关人员对出盘混凝土的坍落度、和易性等进行鉴定,检查是否符合配合比通知单要求,经调整后再进行搅拌。3.3.5混凝土运输1、混凝土在现场运输工具有手推车、吊斗、泵送等。2、混凝土自搅拌机中卸出后,应及时运到浇筑地点,延续时间,不能超过初凝时间。在...

1、当您付费下载文档后,您只拥有了使用权限,并不意味着购买了版权,文档只能用于自身使用,不得用于其他商业用途(如 [转卖]进行直接盈利或[编辑后售卖]进行间接盈利)。
2、本站所有内容均由合作方或网友上传,本站不对文档的完整性、权威性及其观点立场正确性做任何保证或承诺!文档内容仅供研究参考,付费前请自行鉴别。
3、如文档内容存在违规,或者侵犯商业秘密、侵犯著作权等,请点击“违规举报”。

碎片内容

混凝土工程施工工艺流程

确认删除?
VIP
微信客服
  • 扫码咨询
会员Q群
  • 会员专属群点击这里加入QQ群
客服邮箱
回到顶部