电脑桌面
添加小米粒文库到电脑桌面
安装后可以在桌面快捷访问

闸门及启闭机安装工程(技术条款)VIP免费

闸门及启闭机安装工程(技术条款)_第1页
1/41
闸门及启闭机安装工程(技术条款)_第2页
2/41
闸门及启闭机安装工程(技术条款)_第3页
3/41
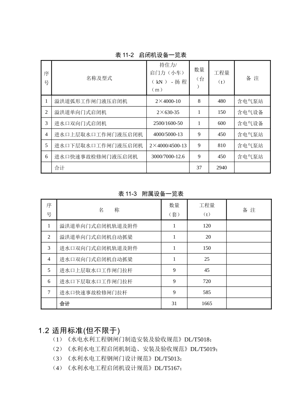
1闸门及启闭机安装工程1.1工作范围本标段的闸门及启闭机安装工作内容,见表11-1~表11-3。表11-1闸门设备一览表序号名称及型式孔口尺寸宽×高-水头(m)支承形式数量工程量(t)备注1溢洪道弧形工作闸门门叶15×21.7-21.7圆柱铰82834.42溢洪道弧形工作闸门门槽15×21.7-21.7圆柱铰8316.93溢洪道检修闸门门叶15×20-20滑道24604溢洪道检修闸门门槽15×20-20滑道82405溢洪道检修闸门储门槽15×20217.7含锁定6进水口工作拦污栅栅叶3.8×66.5-4定轮362329.27进水口工作拦污栅栅槽3.8×66.5-4定轮361150.98进水口检修拦污栅栅叶3.8×66.5-4定轮4258.89进水口检修拦污栅栅槽3.8×66.5-4定轮361150.910进水口检修拦污栅储栅槽3.8×7.536811进水口上层取水口工作闸门门叶7×12-43.99999012进水口上层取水口工作闸门门槽7×12-43.99定轮9517.513进水口下层取水口工作闸门门叶7×12-76定轮9130514进水口下层取水口工作闸门门槽7×12-76定轮999015进水口快速事故闸门门叶7×11-76定轮91269.916进水口快速事故闸门门槽7×11-76定轮9800.2合计23014639.4表11-2启闭机设备一览表序号名称及型式持住力/启门力(小车)(kN)-扬程(m)数量(台)工程量(t)备注1溢洪道弧形工作闸门液压启闭机2×4000-108480含电气泵站2溢洪道单向门式启闭机2×630-351150含电气设备3进水口双向门式启闭机2500/1600-501600含电气设备4进水口上层取水口工作闸门液压启闭机4000/5000-139450含电气泵站5进水口下层取水口工作闸门液压启闭机2×4000/4500-139810含电气泵站6进水口快速事故检修闸门液压启闭机3000/7000-12.69450含电气泵站合计372940表11-3附属设备一览表序号名称数量(套)工程量(t)备注1溢洪道单向门式启闭机轨道及附件11202溢洪道单向门式启闭机自动抓梁1203进水口双向门式启闭机轨道及附件11504进水口双向门式启闭机自动抓梁1255进水口上层取水口工作闸门拉杆9456进水口下层取水口工作闸门拉杆97207进水口快速事故检修闸门拉杆9585合计3116651.2适用标准(但不限于)(1)《水电水利工程钢闸门制造安装及验收规范》DL/T5018;(2)《水利水电工程启闭机制造、安装及验收规范》DL/T5019;(3)《水利水电工程钢闸门设计规范》DL/T5013;(4)《水利水电工程启闭机设计规范》DL/T5167;(5)《水工金属结构防腐蚀规范》SL105;(6)《电站门式起重机》GB10038;(7)《大型液压式启闭机》GB/T14627;(8)《固定卷扬式启闭机通用技术条件》SD315;(9)《水工金属结构焊接通用技术条件》SL36;(10)《水利水电基本建设工程单元工程质量等级评定标准金属结构及启闭机械安装工程》(试行)SDJ249.2;(11)《钢熔化焊接接头射线照相和质量分级》GB3323;(12)《钢焊缝手工超声波探伤方法和探伤结果分级》GB11345;(13)《焊缝符号表示法》GB324;(14)《涂装前钢材表面锈蚀等级和除锈等级》GB8923;(15)《涂漆通用技术条件》SDZ014;(16)《电气装置安装工程电气设备交接验收标准》GB50150;(17)《电气装置安装工程施工及验收规范》GBJ232。(18)《钢结构高强度螺栓连接的设计、施工及验收规程》JGJ82-91。以上所列规范、标准,在合同执行过程中如有新的版本时,则按新颁发的版本执行。1.3图纸供应除另有规定外,承包人所需安装工程的施工图纸,由发包人通过监理人提供,闸门总图和分总图一式5份作为工程安装及绘制竣工图纸的依据,发包人不提供工厂制造用图。为工程安装实施所需的安装措施计划及图纸,则由承包人根据施工图纸自行绘制,并按本招标合同文件的有关条款规定报送监理人备查。1.4发包人的责任及提供的设备(1)提供金属结构设备存放及拼装的场地。(2)协调、监督金属结构设备的安装进度。(3)在工地指定的现场向承包人提供表11-1、表11-2和表11-3中所列的各项金属结构设备。(4)发包人提供的主要设备的单件最大外形尺寸及最大重量见表11-4。表11-4设备最大外形尺寸及最大重量表序号设备名称单件最大外形尺寸长×宽×高(m)单件最大重量(t)部位备注1溢洪道弧形工作闸门门叶15×3.26×1.7535门叶结构2溢洪道弧形工作闸门门槽15×0.67×0.410门槽3溢洪道检修闸门门叶16.4...

1、当您付费下载文档后,您只拥有了使用权限,并不意味着购买了版权,文档只能用于自身使用,不得用于其他商业用途(如 [转卖]进行直接盈利或[编辑后售卖]进行间接盈利)。
2、本站所有内容均由合作方或网友上传,本站不对文档的完整性、权威性及其观点立场正确性做任何保证或承诺!文档内容仅供研究参考,付费前请自行鉴别。
3、如文档内容存在违规,或者侵犯商业秘密、侵犯著作权等,请点击“违规举报”。

碎片内容

闸门及启闭机安装工程(技术条款)

您可能关注的文档

确认删除?
VIP
微信客服
  • 扫码咨询
会员Q群
  • 会员专属群点击这里加入QQ群
客服邮箱
回到顶部