电脑桌面
添加小米粒文库到电脑桌面
安装后可以在桌面快捷访问

施工企业会计制度汇编VIP免费

施工企业会计制度汇编_第1页
1/69
施工企业会计制度汇编_第2页
2/69
施工企业会计制度汇编_第3页
3/69
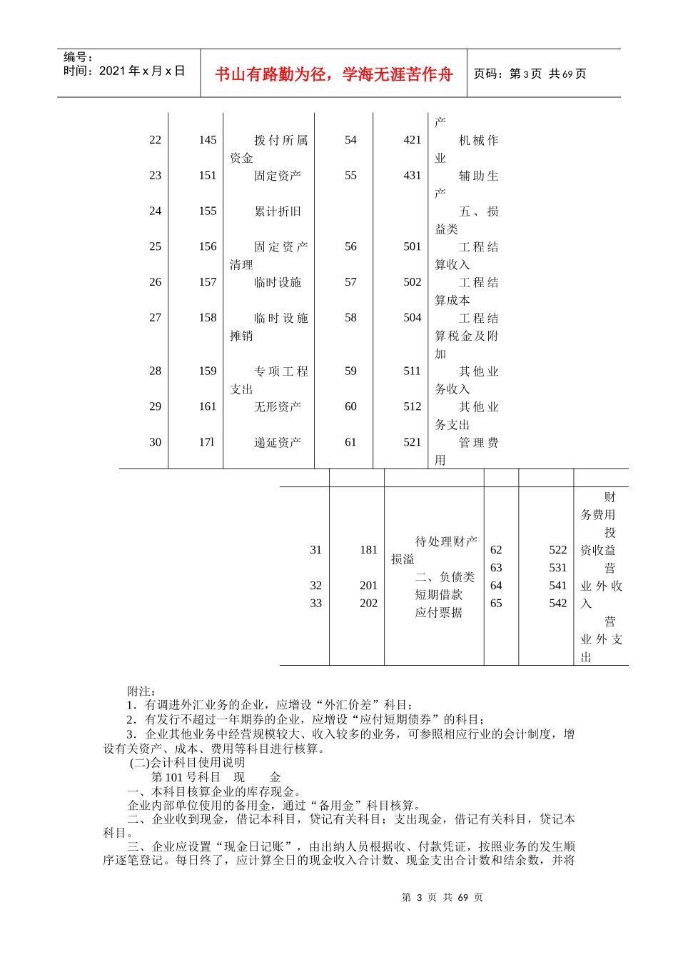
第1页共69页编号:时间:2021年x月x日书山有路勤为径,学海无涯苦作舟页码:第1页共69页施工企业会计制度1992年1月8日财政部(92)财会字第70号文发布*此文如下:国务院关关主管部门,各省、自治区、直辖市、计划单列市财政厅(局)、建设银行分行:为适应社会主义市场经济发展的需要,规范和加强施工企业会计核算工作,根据《企业会计准则》,我们制定了《施工企业会计制度》,现印发给你们,请转发所属企业,自1993年7月1日起执行。我部1990年8月20日印发的《国营施工企业会计制度–––会计科目和会计报表》同时废止。执行中有何问题,请随时函告我部目录总说明会计科目(一)会计科目表(二)会计科目使用说明会计报表(一)会计报表种类和格式(二)会计报表编制说明附录:主要会计事项分录举例—、总说明一、为了贯彻执行《企业会计准则》,规范施工企业的会计核算,特制定本制度。二、本制度适用于设在中华人民共和国境内的所有施工企业。三、企业应按本制度的规定,设置和使用会计科目。在不影响会计核算要求和会计报表指标汇总,以及对外提供统一的会计报表格式的前提下,可以根据实际情况自行增设、减少或合并某些会计科目。深蒂固本制度统一规定会计科目的编号,以便于编制会计凭证登记账簿,查阅账目,实行会计电算化。各企业不要随意改变或打乱重编。在某些会计科目之间留有空号,供增设会计科目之用。企业在填制会计凭证、登记账簿时,应填列会计科目的名称,或者同时填列会计科目的名称和编号,不应只填科目编号,不填科目名称。四、企业向外报送的会计报表的具体格式和编制说明,由本制度规定;企业内部管理需要的报表由企业自行规定。企业会计报表应按月或按年报送当地财税机关、开户银行、主管部门。国有企业的年度会计报表应同时报送同级国有资产管理部门。月份会计报表应于月份终了后15天内报出;年度会计报表应于年度终了后45天内报出。国家另有规定的,从其规定。会计报表的填列以人民币“元”为金额单位,“元”以下填至“分”。向外报出的会计报表应依次编定页数,加具封面,装订成册,加盖公章。封面上应注明:企业名称、地址、开业年份,报表所属年度、月份、送出日期等,并由企业领导、总会计师(或代行总会计师职权的人员)和会计主管人员签名或盖章。企业对外投资如占被投资企业资本半数以上,或者实质上拥有被投资企业控制权的,应当编制合并会计报表。特殊行业的企业不宜合并的,可不予合并,但应当将其会计报表一并报送。五、本制度由中华人民共和国财政部负责解释,需要变更时,由财政部修订。六、本制度自1993年7月1日起执行。二、会计科目(一)会计科目表序号科目编号科目名称序号科目编号科目名称一、资产34203应付账第2页共69页第1页共69页编号:时间:2021年x月x日书山有路勤为径,学海无涯苦作舟页码:第2页共69页类款1101现金35204预收账款2102银行存款36209其他应付款3109其他货币资金37211应付工资4111短期投资38214应付福利费5112应收票据39221应交税金6113应收账款40223应付利润7114坏账准备41229其他应交款8115预付账款42231预提费用9117内部往来43241长期借款10118备用金44251灾付债券11119其他应收款4526l长期应付款12121物资采购三、所有者权益13122采购保管费46301实收资本14123库存材料47305上级拨人资金15124周转材料48311资本公积16129低值易耗品49313盈余公积17132材料成本差异;5032l本年利润l8133委托加上物资51322利润分配19137库存产成品四、成本类20139待摊费用52401工程施工21141长期投资53411工业生第3页共69页第2页共69页编号:时间:2021年x月x日书山有路勤为径,学海无涯苦作舟页码:第3页共69页产22145拨付所属资金54421机械作业23151固定资产55431辅助生产24155累计折旧五、损益类25156固定资产清理56501工程结算收入26157临时设施57502工程结算成本27158临时设施摊销58504工程结算税金及附加28159专项工程支出59511其他业务收入29161无形资产60512其他业务支出3017l递延资产61521管理费用313233181201202待处理财产损溢二、负债类短期借款应付票据62636465522531541542财务费用投资收益营业外收入营业外支出附注:1.有调进...

1、当您付费下载文档后,您只拥有了使用权限,并不意味着购买了版权,文档只能用于自身使用,不得用于其他商业用途(如 [转卖]进行直接盈利或[编辑后售卖]进行间接盈利)。
2、本站所有内容均由合作方或网友上传,本站不对文档的完整性、权威性及其观点立场正确性做任何保证或承诺!文档内容仅供研究参考,付费前请自行鉴别。
3、如文档内容存在违规,或者侵犯商业秘密、侵犯著作权等,请点击“违规举报”。

碎片内容

施工企业会计制度汇编

确认删除?
VIP
微信客服
  • 扫码咨询
会员Q群
  • 会员专属群点击这里加入QQ群
客服邮箱
回到顶部