电脑桌面
添加小米粒文库到电脑桌面
安装后可以在桌面快捷访问

质量管理部门GMP审计模板VIP免费

质量管理部门GMP审计模板_第1页
1/9
质量管理部门GMP审计模板_第2页
2/9
质量管理部门GMP审计模板_第3页
3/9
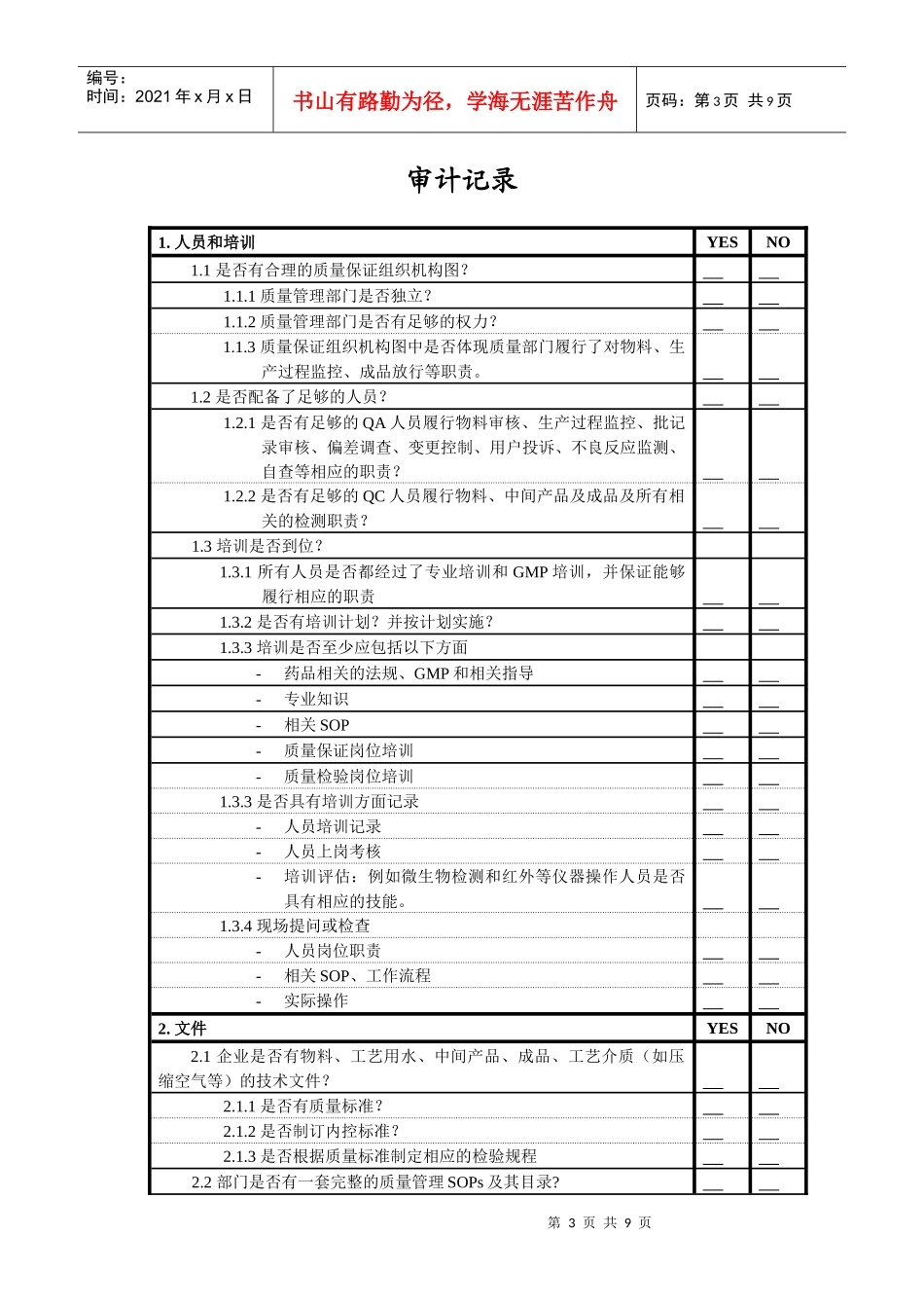
第1页共9页编号:时间:2021年x月x日书山有路勤为径,学海无涯苦作舟页码:第1页共9页模版1:质量管理部门审计基本信息审计对象:审计日期:审计小组人员组成:姓名:部门审计主要内容清单:1.人员和培训2.文件3.物料监控4.生产过程监控5.批记录审核和成品放行6.产品质量回顾7.验证8.用户投诉及不良反应9.退货10.自检11.质控设施12.检验操作13.检验仪器、设备及玻璃量器14.样品的取样、接收、贮存和检验15.检验试剂、试液和标准品、标准溶液的管理16.留样及稳定性实验17.微生物实验室管理其他:____________________________第2页共9页第1页共9页编号:时间:2021年x月x日书山有路勤为径,学海无涯苦作舟页码:第2页共9页审计结论:经对上述内容进行审查,质量管理部门在人员方面…培训方面…,文件方面…,履行职责方面…。综上认为,是否能保障质量管理体系的有效运行。审计报告一、基本情况简介二、主要问题及其风险评估主要问题:经对上述问题的综合评估,本企业质量管理部门在履行保证产品的质量和安全方面存在风险如下:三、整改建议和跟踪检查结果包括对存在问题的整改建议、整改时限建议,跟踪检查等内容。四、审计小组成员签字第3页共9页第2页共9页编号:时间:2021年x月x日书山有路勤为径,学海无涯苦作舟页码:第3页共9页审计记录1.人员和培训YESNO1.1是否有合理的质量保证组织机构图?1.1.1质量管理部门是否独立?1.1.2质量管理部门是否有足够的权力?1.1.3质量保证组织机构图中是否体现质量部门履行了对物料、生产过程监控、成品放行等职责。1.2是否配备了足够的人员?1.2.1是否有足够的QA人员履行物料审核、生产过程监控、批记录审核、偏差调查、变更控制、用户投诉、不良反应监测、自查等相应的职责?1.2.2是否有足够的QC人员履行物料、中间产品及成品及所有相关的检测职责?1.3培训是否到位?1.3.1所有人员是否都经过了专业培训和GMP培训,并保证能够履行相应的职责1.3.2是否有培训计划?并按计划实施?1.3.3培训是否至少应包括以下方面-药品相关的法规、GMP和相关指导-专业知识-相关SOP-质量保证岗位培训-质量检验岗位培训1.3.3是否具有培训方面记录-人员培训记录-人员上岗考核-培训评估:例如微生物检测和红外等仪器操作人员是否具有相应的技能。1.3.4现场提问或检查-人员岗位职责-相关SOP、工作流程-实际操作2.文件YESNO2.1企业是否有物料、工艺用水、中间产品、成品、工艺介质(如压缩空气等)的技术文件?2.1.1是否有质量标准?2.1.2是否制订内控标准?2.1.3是否根据质量标准制定相应的检验规程2.2部门是否有一套完整的质量管理SOPs及其目录?第4页共9页第3页共9页编号:时间:2021年x月x日书山有路勤为径,学海无涯苦作舟页码:第4页共9页2.2.1质量管理SOPs及其目录是否是现行的?2.2.2生产质量管理文件是否由质量管理部门审核?2.2.3与生产质量有关的文件和记录是否得到有效的控制?2.3质量保证部人员是否有详细的书面工作职责?质量保证3.物料监控YESNO3.1供应商审计是否按相关指南进行?3.2物料是否从合格供应商购买?3.3是否履行物料、仓贮监控的职责?3.4物料的取样、检验、放行是否符合要求?3.5物料到复验期是否进行复验?3.6进口原辅料是否有口岸药品检验所的检验报告?3.7标签、说明书是否与药品监督管理部门批准的相一致?3.8不合格物料的处理是否符合规定?3.8.1是否有QA的处理意见和签字?3.8.2是否有物料销毁记录,物料销毁是否经QA批准及监控?4.生产过程监控YESNO4.1是否对生产过程中的关键操作和关键工艺参数进行监控?4.2对生产用设备是否履行监控的职责?(如维修保养、标识、清洁灭菌等)?4.3对卫生是否履行了监控的职责(如人员卫生、工艺卫生等)?4.4生产过程中不符合工艺规程的操作是否及时制止及上报?4.5是否对中间产品履行审核放行的职责?4.6生产过程中的不合格品是否按规定处理,并有记录?4.7生产过程中出现的异常情况的处理是否经QA批准?4.8生产过程中产生的偏差是否经调查并有记录?4.9是否对工艺用水的生产进行监控?4.10返工、重新加工或尾料的回收是否符合要求?并经QA评估和批准?4.11是否履行了对洁净区监测的职责?4.1...

1、当您付费下载文档后,您只拥有了使用权限,并不意味着购买了版权,文档只能用于自身使用,不得用于其他商业用途(如 [转卖]进行直接盈利或[编辑后售卖]进行间接盈利)。
2、本站所有内容均由合作方或网友上传,本站不对文档的完整性、权威性及其观点立场正确性做任何保证或承诺!文档内容仅供研究参考,付费前请自行鉴别。
3、如文档内容存在违规,或者侵犯商业秘密、侵犯著作权等,请点击“违规举报”。

碎片内容

质量管理部门GMP审计模板

确认删除?
VIP
微信客服
  • 扫码咨询
会员Q群
  • 会员专属群点击这里加入QQ群
客服邮箱
回到顶部