电脑桌面
添加小米粒文库到电脑桌面
安装后可以在桌面快捷访问

第一包汽车单片机系统实训台VIP免费

第一包汽车单片机系统实训台_第1页
1/14
第一包汽车单片机系统实训台_第2页
2/14
第一包汽车单片机系统实训台_第3页
3/14
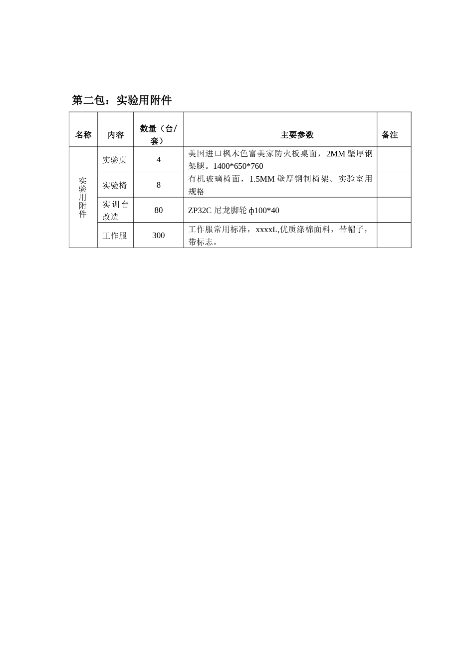
第一包:汽车单片机系统实训台名称内容数量(台/套)主要参数备注汽车单片机系统实训台每套包括:一个单片机控制系统实训箱和一个传感器/执行器台架。3(1)汽车单片机系统实训台包括发动机电控系统(含点火系统、燃油供给系统、怠速控制系统、进气控制系统);电子式动力转向系统;前照灯转向随动系统。发动机电控系统、电子式动力转向系统、前照灯转向随动系统共用一个单片机控制系统,但各系统需独立编写控制程序。(2)汽车各系统部件(包括传感器、执行器和线束,都为PASSAT轿车原厂部件)做成立式台架形式,各系统的部件按照工作原理布置开来,以便展示各系统的工作过程。(3)用单片机(51系列产品)控制系统代替汽车原车电脑接收传感器的输入信号,用汇编语言或C语言自编的控制程序驱动执行器运行;通过单片机的切换功能可在单片机控制系统和PASSAT轿车原车电脑之间切换,以便观察自编单片机控制程序的合理性;单片机控制系统的控制效果应与汽车原车电脑的控制效果一致。(4)单片机控制系统部分要制作印制电路板;传感器、执行器台架用国标钢材制作,并喷塑处理。(5)单片机控制系统可以连接装有单片机程序的个人计算机,以便实时更改控制程序,使系统运行更加合理;还可将控制程序写入芯片,从而用单片机控制系统独立控制各系统的运行。(6)配备电脑检测端子,可以检测各个端子的电压信号,以便于故障分析。(7)实训箱上配置发光二极管、数码管、步进电机、面包板等部件,以便进行单片机技术研发和其他专业的常规实训。(8)单片机控制系统部分要制作印制电路板;传感器和执行器台架采用国标钢材制作,并喷塑处理。(9)配有各控制系统的电路图、使用说明书、实训指导书、全部源程序及其解释性文字。(10)电源:给实训箱和台架提供交流220V电压。第二包:实验用附件名称内容数量(台/套)主要参数备注实验用附件实验桌4美国进口枫木色富美家防火板桌面,2MM壁厚钢架腿。1400*650*760实验椅8有机玻璃椅面,1.5MM壁厚钢制椅架。实验室用规格实训台改造80ZP32C尼龙脚轮ф100*40工作服300工作服常用标准,xxxxL,优质涤棉面料,带帽子,带标志。第三包:实验用车名称内容数量(台/套)主要参数实验用车07-08款底盘实验用车2总长(mm)/4,789总宽(mm)1,765总高(mm)1,470轴距(mm)2803行李箱容积(L)475油箱容积(L)62整备质量(kg)1458发动机排量(L)1.781发动机型式直列4缸顶置双凸轮轴5气门涡轮增压电喷汽油机,带气门正时控制L4,5V,Turbo,DOHC,Valvetimingcontrol额定功率/转速(kW/rpm)110/5,700最大扭矩/转速(Nm/rpm)210/1,700-4,600变速箱型式5MT悬架系统前:四连杆独立式/后:纵向摆臂式制动系统前通风盘式/后实心盘式,带前轮刹车片磨损过度报警装置,带贯通式双膜片(8+9英寸)真空刹车助力器外饰镀铬U型盾面立体格栅多层次豪华光亮饰条防紫外线绿色隔热玻璃内隐式印刷天线欧风动感鲨鱼鳍天精铸铝合金轮毂绿色节能轮胎205/55R16运动型抛光双尾管内饰高档桃木纹内饰真皮座椅真皮方向盘真皮换档手柄真皮手制动杆真皮手制动杆前后阅读灯/熄火延迟关断功能驾驶员侧眼镜盒冷藏功能手套箱前座中央扶手冷藏储物盒后座中央扶手双置物盒导流式雨伞专用储置盒B柱带挂衣钩前后排12伏点烟器及照明后风窗遮阳帘踏步保护饰条安全晶圆球投射式雾灯高位制动灯高穿透式侧面转向灯(集成于外后视镜)ABS+EBD电子防滑差速系统(EDS)自动侦测停车导引系统PDC激光焊接高强度安全车身燃爆式紧急收缩型安全带前排整合式双SRS气囊可溃式转向管柱可溃式转向管柱功能CAN-BUS控制器局域网E-GAS电子油门动力转向系统环保型空调/粉尘微粒过滤器方向盘高度及长度可调电动调节可加热外后视镜前排座椅电动8方向调节驾驶员腰托多向可调式头枕遥控式中央集控门锁(行李箱/车窗可独立控制)内部油箱盖及行李箱盖开启前后电动车窗,前排带一键式升降及防夹功能双层式防夹电动天窗前风窗洗涤液面高度报警大灯未关警告装置单碟CD/六碟CD换片器八喇叭高保真立体声扬声器定速巡航集成式多功能方向盘(集成音响及巡航操控)实验用混合动力车1尺寸及质量全长4,450mm全宽1,725mm全高1,510mm轴距2,700mm轮距(前/后)1,510/1,480mm最小离地间隙(空载...

1、当您付费下载文档后,您只拥有了使用权限,并不意味着购买了版权,文档只能用于自身使用,不得用于其他商业用途(如 [转卖]进行直接盈利或[编辑后售卖]进行间接盈利)。
2、本站所有内容均由合作方或网友上传,本站不对文档的完整性、权威性及其观点立场正确性做任何保证或承诺!文档内容仅供研究参考,付费前请自行鉴别。
3、如文档内容存在违规,或者侵犯商业秘密、侵犯著作权等,请点击“违规举报”。

碎片内容

第一包汽车单片机系统实训台

您可能关注的文档

确认删除?
VIP
微信客服
  • 扫码咨询
会员Q群
  • 会员专属群点击这里加入QQ群
客服邮箱
回到顶部