电脑桌面
添加小米粒文库到电脑桌面
安装后可以在桌面快捷访问

04变电站质量验收及评定范围(标准表)VIP免费

04变电站质量验收及评定范围(标准表)_第1页
1/32
04变电站质量验收及评定范围(标准表)_第2页
2/32
04变电站质量验收及评定范围(标准表)_第3页
3/32
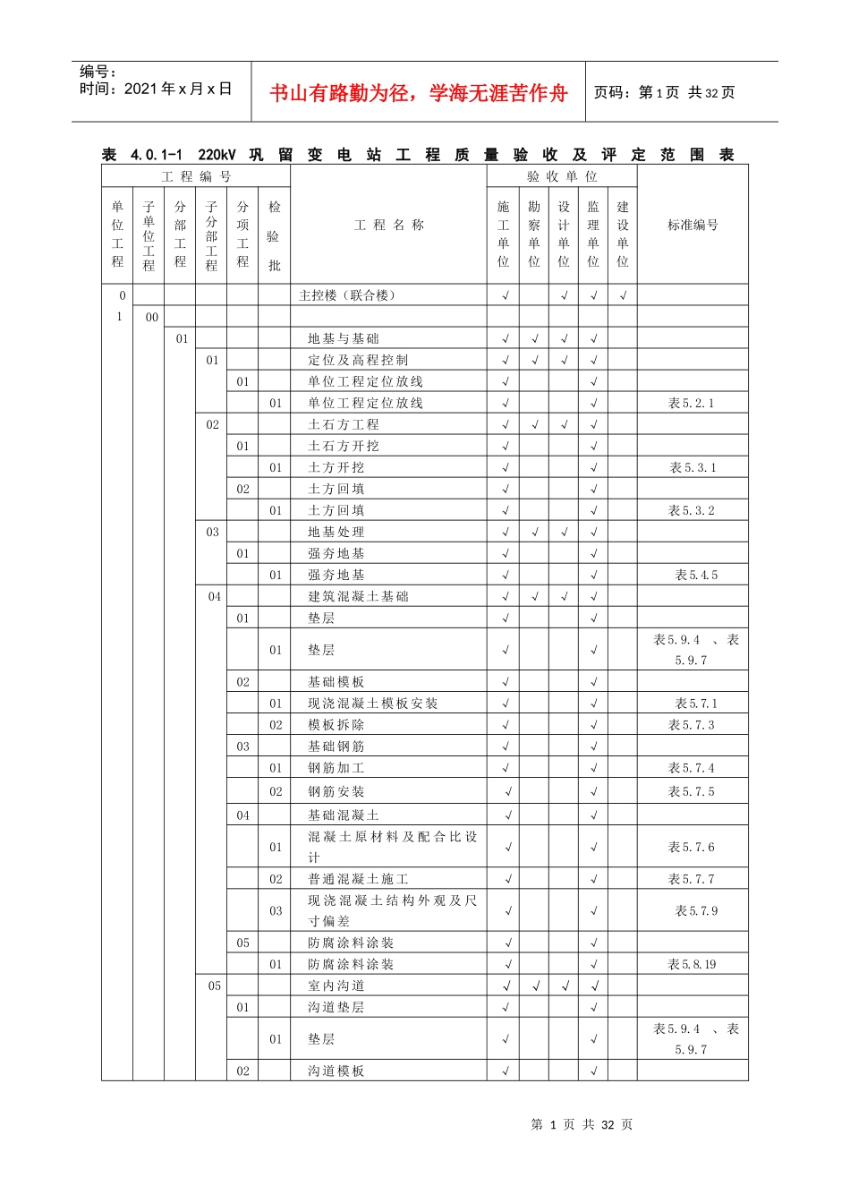
第1页共32页编号:时间:2021年x月x日书山有路勤为径,学海无涯苦作舟页码:第1页共32页表4.0.1-1220kV巩留变电站工程质量验收及评定范围表工程编号工程名称验收单位标准编号单位工程子单位工程分部工程子分部工程分项工程检验批施工单位勘察单位设计单位监理单位建设单位01主控楼(联合楼)√√√√0001地基与基础√√√√01定位及高程控制√√√√01单位工程定位放线√√01单位工程定位放线√√表5.2.102土石方工程√√√√01土石方开挖√√01土方开挖√√表5.3.102土方回填√√01土方回填√√表5.3.203地基处理√√√√01强夯地基√√01强夯地基√√表5.4.504建筑混凝土基础√√√√01垫层√√01垫层√√表5.9.4、表5.9.702基础模板√√01现浇混凝土模板安装√√表5.7.102模板拆除√√表5.7.303基础钢筋√√01钢筋加工√√表5.7.402钢筋安装√√表5.7.504基础混凝土√√01混凝土原材料及配合比设计√√表5.7.602普通混凝土施工√√表5.7.703现浇混凝土结构外观及尺寸偏差√√表5.7.905防腐涂料涂装√√01防腐涂料涂装√√表5.8.1905室内沟道√√√√01沟道垫层√√01垫层√√表5.9.4、表5.9.702沟道模板√√第2页共32页第1页共32页编号:时间:2021年x月x日书山有路勤为径,学海无涯苦作舟页码:第2页共32页01沟道模板安装√√表6.4.202模板拆除√√表5.7.303沟道钢筋√√01钢筋加工√√表5.7.402沟道钢筋安装√√表6.4.504沟道混凝土√√表4.0.1-1220kV巩留变电站工程质量验收及评定范围表工程编号工程名称验收单位标准编号单位工程子单位工程分部工程子分部工程分项工程检验批施工单位勘察单位设计单位监理单位建设单位010001050401混凝土原材料及配合比设计√√表5.7.602混凝土施工√√表5.7.7~表5.7.803沟道混凝土结构外观及尺寸偏差√√表6.4.805盖板模板01混凝土沟道盖板模板安装√√表6.4.902模板拆除√√表5.7.306盖板钢筋√√01钢筋加工√√表5.7.402钢筋安装√√表5.7.507盖板混凝土√√01混凝土原材料及配合比设计√√表5.7.602混凝土施工√√表5.7.703混凝土沟道盖板外观及尺寸偏差√√表6.4.1508沟道钢盖板制作√√01沟道钢盖板制作√√表6.4.1609盖板安装√√01盖板安装√√表6.4.1710细部构造√√01细部构造√√表5.5.602主体结构√√√01混凝土结构√√√01模板√√01模板安装√√表5.7.1~表5.7.202模板拆除√√表5.7.302钢筋√√第3页共32页第2页共32页编号:时间:2021年x月x日书山有路勤为径,学海无涯苦作舟页码:第3页共32页表4.0.1-1220kV巩留变电站工程质量验收及评定范围表工程编号工程名称验收单位标准编号单位工程子单位工程分部工程子分部工程分项工程检验批施工单位勘察单位设计单位监理单位建设单位01钢筋加工√√表5.7.402钢筋安装√√表5.7.503混凝土√√01混凝土原材料及配合比√√表5.7.602混凝土施工√√表5.7.7~表5.7.803混凝土外观及结构尺寸√√表5.7.9~表5.7.1002钢结构√√√01钢结构焊接√√01钢结构制作(安装)焊接√√表5.8.102金属结构涂装√√01防腐涂料涂装√√表5.8.1901000203砌体工程√√√03配筋砌体√√01配筋砌体√√表5.6.403建筑装饰装修√√01地面√√01基层√√01基土√√表5.9.1~表5.9.1002水泥混凝土垫层02找平层√√01找平层√√表5.9.803面层√√01面层√√表5.9.11~表5.9.2002抹灰与勾缝√√01一般抹灰√√01一般抹灰√√表5.10.103门窗√√01木门窗制作与安装√√01木门窗制作√√表5.11.102木门窗安装√√表5.11.202金属门窗安装√√01金属门窗安装√√表5.11.3~表5.11.5第4页共32页第3页共32页编号:时间:2021年x月x日书山有路勤为径,学海无涯苦作舟页码:第4页共32页表4.0.1-1220kV巩留变电站工程质量验收及评定范围表工程编号工程名称验收单位标准编号单位工程子单位工程分部工程子分部工程分项工程检验批施工单位勘察单位设计单位监理单位建设单位03塑料门窗安装√√01塑料门窗安装√√表5.11.604特种门安装√√01防火门√√表5.11.705门窗玻璃安装√√01门窗玻璃安装√√表5.11.904吊顶√√01暗龙骨吊顶√√01暗龙骨吊顶√√表5.12.102玻璃隔墙√√01玻璃隔墙√√表5.13.305饰面板(砖)√√01饰面板安...

1、当您付费下载文档后,您只拥有了使用权限,并不意味着购买了版权,文档只能用于自身使用,不得用于其他商业用途(如 [转卖]进行直接盈利或[编辑后售卖]进行间接盈利)。
2、本站所有内容均由合作方或网友上传,本站不对文档的完整性、权威性及其观点立场正确性做任何保证或承诺!文档内容仅供研究参考,付费前请自行鉴别。
3、如文档内容存在违规,或者侵犯商业秘密、侵犯著作权等,请点击“违规举报”。

碎片内容

04变电站质量验收及评定范围(标准表)

您可能关注的文档

确认删除?
VIP
微信客服
  • 扫码咨询
会员Q群
  • 会员专属群点击这里加入QQ群
客服邮箱
回到顶部