电脑桌面
添加小米粒文库到电脑桌面
安装后可以在桌面快捷访问

石化设备安装质量评定表VIP免费

石化设备安装质量评定表_第1页
1/102
石化设备安装质量评定表_第2页
2/102
石化设备安装质量评定表_第3页
3/102
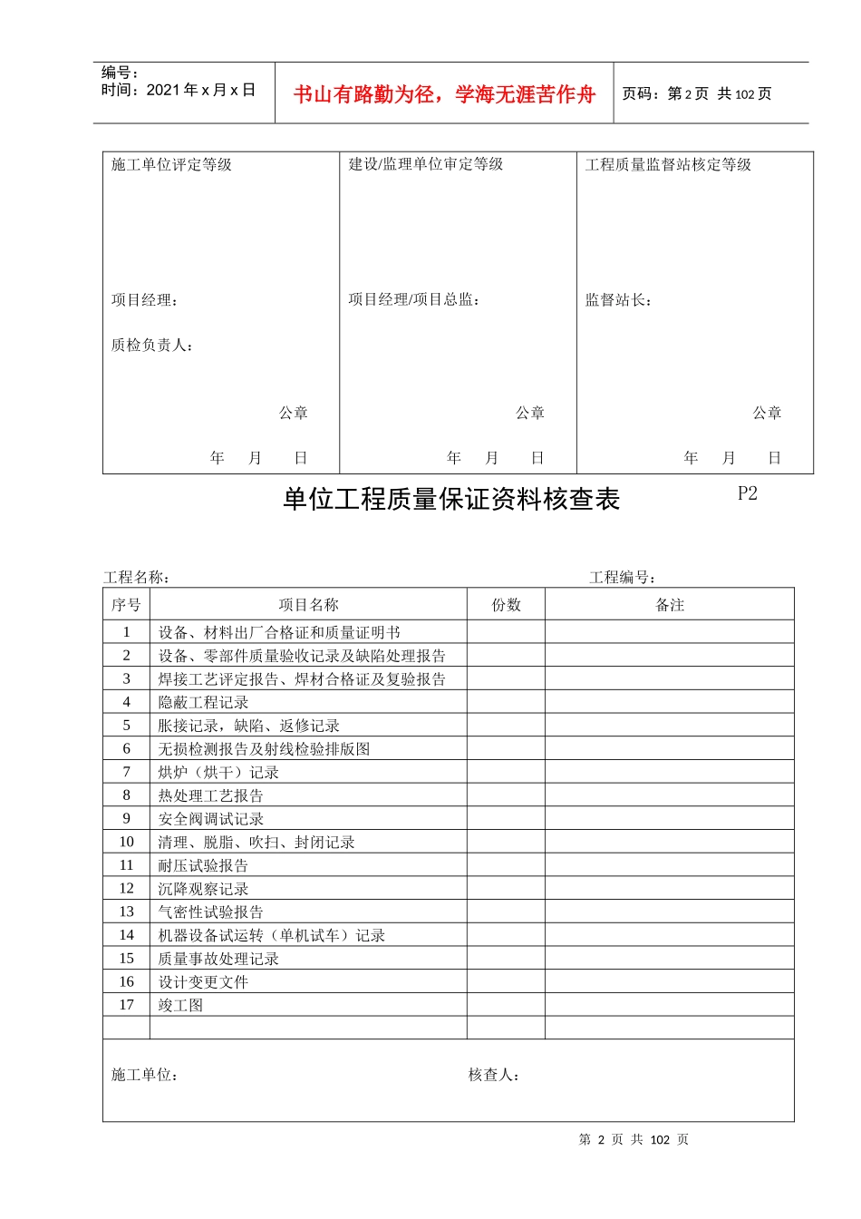
第1页共102页编号:时间:2021年x月x日书山有路勤为径,学海无涯苦作舟页码:第1页共102页单位工程质量综合评定表工程名称:开工日期年月日工程编号:竣工日期年月日项次项目施工单位评定情况建设(监理)单位审定情况质量监督站核定情况1分部工程评定汇总共计:分部其中:合格分部优良分部优良率%共计:分部其中:合格分部优良分部优良率%共计:分部其中:合格分部优良分部优良率%2质量保证资料核查共核查项其中,符合要求项共核查项其中,符合要求项共核查项其中,符合要求项3总体检验结果P1第2页共102页第1页共102页编号:时间:2021年x月x日书山有路勤为径,学海无涯苦作舟页码:第2页共102页施工单位评定等级项目经理:质检负责人:公章年月日建设/监理单位审定等级项目经理/项目总监:公章年月日工程质量监督站核定等级监督站长:公章年月日单位工程质量保证资料核查表工程名称:工程编号:序号项目名称份数备注1设备、材料出厂合格证和质量证明书2设备、零部件质量验收记录及缺陷处理报告3焊接工艺评定报告、焊材合格证及复验报告4隐蔽工程记录5胀接记录,缺陷、返修记录6无损检测报告及射线检验排版图7烘炉(烘干)记录8热处理工艺报告9安全阀调试记录10清理、脱脂、吹扫、封闭记录11耐压试验报告12沉降观察记录13气密性试验报告14机器设备试运转(单机试车)记录15质量事故处理记录16设计变更文件17竣工图施工单位:核查人:P2第3页共102页第2页共102页编号:时间:2021年x月x日书山有路勤为径,学海无涯苦作舟页码:第3页共102页公章年月日核查结果建设(监理)单位核查人:公章年月日工程质量监督站核查人:公章年月日分部工程质量评定表单位工程名称:分部工程名称:序号分项工程名称等级性质备注合格优良P3第4页共102页第3页共102页编号:时间:2021年x月x日书山有路勤为径,学海无涯苦作舟页码:第4页共102页合计优良率%评定等级单位工程负责人:分部工程负责人:年月日核定等级质量检查部门核定人:年月日注:性质是指该分项工程为主要分项工程还是一般分项工程分项工程质量评定表单位工程名称:设备名称:分部工程名称:设备位号:执行标准:分项工程性质:保证项目项目内容检查结果12345基本项目项目内容质量情况等级1234567891012345允许偏项目内容允许偏差(mm)实测偏差(mm)1P4第5页共102页第4页共102页编号:时间:2021年x月x日书山有路勤为径,学海无涯苦作舟页码:第5页共102页差项目2345678910检查结果保证项目检查项,合格项基本项目检查项,其中优良项,优良率%允许偏差项目实测点,其中合格点,合格率%评定等级分部工程负责人:施工技术人员:年月日核定等级专职质量检查员:年月日注:分项工程性质是指该分项工程为主要分项工程还是一般分项工程。第6页共102页第5页共102页编号:时间:2021年x月x日书山有路勤为径,学海无涯苦作舟页码:第6页共102页容器类设备安装分项工程质量检验评定表单位工程名称:设备名称:分部工程名称:设备位号:执行标准:分项工程性质:保证项目项目内容检查结果1设备和材料符合设计规定,有质量证明文件2设备基础经交接并复验合格3安全阀经校验、定压合格4有完整的施工记录基本项目项目内容质量情况等级123456789101垫铁的安装质量2地脚螺栓的安装质量3卧式设备滑动支座安装质量4安全阀压力表等安全附件安装质量5高压设备密封垫和螺栓安装质量允许偏差项目项目内容允许偏差(mm)实测偏差(mm)123456789101标高2中心线位置3立式设备方位4立式设备垂直度5卧式设备水平度轴向径向6上下端盖法兰与筒体法兰间隙钢垫片其他垫片检查结果保证项目检查项,合格项基本项目检查项,其中优良项,优良率%允许偏差项目实测点,其中合格点,合格率%评定等级分部工程负责人:施工技术人员:核定等级专职质量检查员:P602第7页共102页第6页共102页编号:时间:2021年x月x日书山有路勤为径,学海无涯苦作舟页码:第7页共102页年月日年月日注:分项工程性质是指该分项工程为主要分项工程还是一般分项工程。第8页共102页第7页共102页编号:时间:2021年x月x日书山有路勤为径,学海无涯苦作舟页码:第8页共102页容器类设备本体组装分项工...

1、当您付费下载文档后,您只拥有了使用权限,并不意味着购买了版权,文档只能用于自身使用,不得用于其他商业用途(如 [转卖]进行直接盈利或[编辑后售卖]进行间接盈利)。
2、本站所有内容均由合作方或网友上传,本站不对文档的完整性、权威性及其观点立场正确性做任何保证或承诺!文档内容仅供研究参考,付费前请自行鉴别。
3、如文档内容存在违规,或者侵犯商业秘密、侵犯著作权等,请点击“违规举报”。

碎片内容

石化设备安装质量评定表

确认删除?
VIP
微信客服
  • 扫码咨询
会员Q群
  • 会员专属群点击这里加入QQ群
客服邮箱
回到顶部