电脑桌面
添加小米粒文库到电脑桌面
安装后可以在桌面快捷访问

互利共赢的供应商质量控制VIP免费

互利共赢的供应商质量控制_第1页
1/12
互利共赢的供应商质量控制_第2页
2/12
互利共赢的供应商质量控制_第3页
3/12
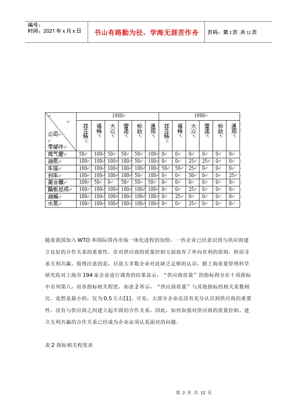
第1页共12页编号:时间:2021年x月x日书山有路勤为径,学海无涯苦作舟页码:第1页共12页摘要:本文以互利共赢为对供应商进行质量控制的基本原则,研究了供应商的选择方法,从契约订立、产品验证、不合格品的界定与质量责任划分、供应商业绩评定与动态管理等方面,对供应商的质量控制进行了探讨。关键词:互利共赢,供应商,契约,质量责任,业绩评定Abstract:Basedontheprincipleofwin-wintocontrolthequalityfromsuppliers,thispaperstudiesthemethodstoselectgoodsupplier,andexplorehowtodoqualitycontrolrelatedtosupplierfromfollowing:contract,inspection,nonconformityfinding,performanceevaluationanddynamicmanagement.Keywords:Win-win,Supplier,Contract,Reliability,Performanceevaluation0引言在经济全球化不断深化的今天,企业越来越注重于发现和发挥自身的核心能力,对于非核心业务大多采用外包的方式,由供应商提供核心业务以外的作业。以汽车制造业为例,近20年来世界汽车业巨头基本上剥离了其大部分次要零部件的生产,如表1所示。由此可见,外购件的质量直接决定着产品的质量和成本,对供应商所提供产品的质量控制已经成为企业质量管理的重要部分。表1汽车公司自产零部件的百分比变化第2页共12页第1页共12页编号:时间:2021年x月x日书山有路勤为径,学海无涯苦作舟页码:第2页共12页随着我国加入WTO和国际国内市场一体化进程的加快,一些企业已经意识到与供应商建立良好的合作关系的重要性,在对供应商的质量控制方面放弃了单向有利的原则,转而寻求互利共赢。值得注意的是,目前大多数企业对此缺乏足够的认识,据上海质量管理科学研究院对上海市194家企业进行调查的结果显示,“供应商质量”的指标得分在十项指标中名列第八,而各指标相关程度,如表2所示,“供应商质量”与其他指标的相关系数相比,竟然是最小的,仅为0.5左右[1]。可见,大部分企业还没有充分认识到供应商的重要性,没有与供应商之间建立起牢固的合作关系,因此,如何加强对供应商的质量控制、建立互利共赢的合作关系已经成为企业必须认真面对的问题。表2指标相关程度表第3页共12页第2页共12页编号:时间:2021年x月x日书山有路勤为径,学海无涯苦作舟页码:第3页共12页1选择优秀供应商—质量控制的重要环节生产优秀的产品需要优质的原材料和外购件,优质的原材料和外购件需要优秀的供应商来提供。因此,供应商的选择是进行质量管理的重要环节。很难想象一个管理松散、设备陈旧、人员素质低下的供应商可以提供出优秀的产品来;也很难想象一个信息闭塞、言而无信、财务紧张的供应商可以及时、保质保量地提供企业所需要的产品。那么应该怎样选择适合自己的供应商呢?1.1对供应商进行基本情况调查(1)如果供应商是企业的老供应商,现在要扩展新供货品种,则可查询企业对该供应商的第4页共12页第3页共12页编号:时间:2021年x月x日书山有路勤为径,学海无涯苦作舟页码:第4页共12页评定资料。评定资料应包括该供应商的质量供应能力[2]、供货及时性、财力状况、对质量问题处理的及时性及其它相关信息。(2)如果被调查对象是准备开发的供应商,企业没有关于该供应商的详细资料,可调查其他企业或企业内其他分公司对该供应商的评审资料。这些资料会告诉你该供应商在同种或类似产品上的各类信息,甚至可能包括该供应商的技术开发实力或在哪方面具有合作优势。(3)进行直接调查。企业可根据产品和供应商的具体情况设计调查表。调查表的内容应包括企业规模、生产规模、主导产品、主要顾客及其反馈信息、生产设备、检测人员和设备过程能力指数、体系认证情况、主要原材料来源等。调查表应尽可能地全面、具体,尽量用数据或量值进行表述,同时应注意调查内容便于进行现场审核。对任一新产品应同时调查若干有意向的企业,并由其主要领导签字确认调查内容的真实性。1.2对供应商进行管理体系审核和保证能力评估必要时,企业可选派有经验的审核员或委托有资格的第三方审核机构到供应商进行现场审核和调查。企业应有自己的审核标准,把握关键要素和过程。对已通过体系认证的,可关注其反映持续改进的管理评审、...

1、当您付费下载文档后,您只拥有了使用权限,并不意味着购买了版权,文档只能用于自身使用,不得用于其他商业用途(如 [转卖]进行直接盈利或[编辑后售卖]进行间接盈利)。
2、本站所有内容均由合作方或网友上传,本站不对文档的完整性、权威性及其观点立场正确性做任何保证或承诺!文档内容仅供研究参考,付费前请自行鉴别。
3、如文档内容存在违规,或者侵犯商业秘密、侵犯著作权等,请点击“违规举报”。

碎片内容

互利共赢的供应商质量控制

精华资料店+ 关注
实名认证
内容提供者

大量教育教学资料

确认删除?
VIP
微信客服
  • 扫码咨询
会员Q群
  • 会员专属群点击这里加入QQ群
客服邮箱
回到顶部