电脑桌面
添加小米粒文库到电脑桌面
安装后可以在桌面快捷访问

品质管理表格-不合格品控制程序(二)VIP免费

品质管理表格-不合格品控制程序(二)_第1页
1/6
品质管理表格-不合格品控制程序(二)_第2页
2/6
品质管理表格-不合格品控制程序(二)_第3页
3/6
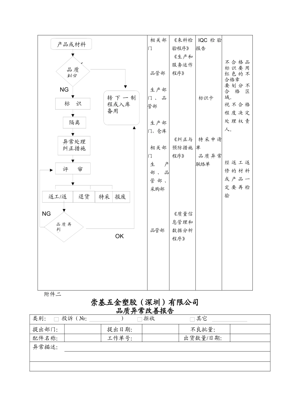
1.目的控制不合格品,防止误用不合格品,确实做好改善措施,杜绝品质问题的发生。2.范围:适用于凡判定为不合格的原材料、半成品与成品以及客退品的控制。3.权责项目判定单位隔离单位处理权责人员来料IQC仓库采购部主管、品管部主管、总经理制程IPQC、作业员生产单位生产部门主管、品管部主管、总经理成品QA生产单位品管部、计划部、生产部门、总经理库存品品管部仓库采购部主管、品管部主管、总经理客退品品管部仓库货仓部、品管部主管、总经理4.定义4.1不合格品:经过检验判定的不符合公司顾客要求和规范的原物料、配件、半成品和成品。4.2待处理品:检验状态不明或待决定的物品。4.3特采品:1、制程特采品,在不影响产品最终品质(外观和功能)情况下准予让步接受。2、最终特采品,在不影响产品使用功能特性条件下,准予让步接受。4.4返工:对不合格品采取措施,以便其满足规定要求。4.5返修:对不合格品采取措施,以达到预期的使用目的。5.作业内容5.1流程图(见附件一)5.2不合格品的判定、标识、隔离。5.2.1品管部IQC、QA负责对来料、最终检验和测试中不合格品进行判定并对判定出来的不良品用“标识卡”进行标识。(红色的检验拒收章)5.2.2各生产部门对生产中产生的不合格品用标有“不良品“字样的红色胶框标识,并将所有不合格品进行隔离以防止生产中误用。5.2.3不合格品的标识:红色的检验拒收章。参见《生产和服务运作程序》执行。5.3不合格品的评审5.3.1在检验过程中检出之不合格品:a.制程中/部门转序的不合格品,由品质付组长/组长评审,(必要时主管评审)。b.来料的不合格品由IQC评审。最终不合格品,由QA评审。5.3.2评审的结果有:返工、返修、特采、退货、挑选、报废等几种状态。5.4评审后不合格品的处理5.4.1来料物品不合格的处理参见《来料检验程序》。5.4.2配件半成品、仓储品、成品的不合格处理:对制程检验或最终检验出现不合格品时,参见《纠正与预防措施程序》执行;若配件半成品中需要返工、返修时,由车间组长提出,并通知不合格品部门返工、返修,成品则由QA提出并通知相关部门。5.4.2.1返修:本部门能返修合格的,由本部门必须在该批订单完成前返修完,本部门不能返修合格的,由负责物料的副组长填写《返修记录表》交至返修部门返修,并跟进。5.4..2.2返修部门收到返修品应在该批订单完成前返修完,确认不能返修应反映给部门主管协调解决。5.4.2.3生产部门依据实际返修情况填写完整《返修记录表》。5.4.3返工及返修后的产品由车间负责品质副组长重新检验确认。5.4.4报废、改啤利用的不合格品的处理:生产部门开出《物料异常处理报告》交部门主管审批,经车间QC确认事实后,生产部依批示结果处理。具体参见《物料管理规定》。5.4.5制程特采,a模具原因,b技术原因,c成本原因,d时间原因,暂时无法改善的不合格现象,由部门主管和相关部门协商。一定要在下个部门(工序)能消除不合格现象,并达到品质要求,且接受部门主管同意接受的情况下,批准特采,并由部门主管发出《特采通知单》,相关部门依《特采通知单》结果处置。5.4.6最终特采品,a无时间返工b暂时无法解决的技术问题,由生产部门申请《特采通知单》,由总经理或副总经理结合QA意见批准特采,必要时与客户共同确认特采。相关部门依《特采通知单》结果处理。(剩余物料处理结果由发出《特采通知单》负责人填写处理结果)。5.4.7以上两种特采品,发出《特采通知单》负责人要签实办给相关部门。5.4.8品质异常物料:生产部门填写《物料异常处理报告》交给部门主管批示处理结果,由车间QC确认品质状况,相关部门依批示结果处理。(参见《物料管理规定》)。6.相关文件6.1《纠正与预防措施程序》6.2《生产了服务运作程序》6.3《来料检验程序》7.使用表单7.1品质异常改善报告(FM-110-027-A)7.2物料异常处理报告(FM-120-008-A)7.3内部联络单(FM-100-008-A)7.4特采通知单(FM-130-008-A)附件一不合格品检制流程图流程图权责单位相关文件使用表单描述OKNGNGOK相关部门品管部生产部门、品管部生产部门,仓库相关部门生产部、品管部、采购部品管部《来料检验程序》《生产和服务运作程序》《纠正与预防措施程序...

1、当您付费下载文档后,您只拥有了使用权限,并不意味着购买了版权,文档只能用于自身使用,不得用于其他商业用途(如 [转卖]进行直接盈利或[编辑后售卖]进行间接盈利)。
2、本站所有内容均由合作方或网友上传,本站不对文档的完整性、权威性及其观点立场正确性做任何保证或承诺!文档内容仅供研究参考,付费前请自行鉴别。
3、如文档内容存在违规,或者侵犯商业秘密、侵犯著作权等,请点击“违规举报”。

碎片内容

品质管理表格-不合格品控制程序(二)

您可能关注的文档

精华资料店+ 关注
实名认证
内容提供者

大量教育教学资料

相关文档

确认删除?
VIP
微信客服
  • 扫码咨询
会员Q群
  • 会员专属群点击这里加入QQ群
客服邮箱
回到顶部