电脑桌面
添加小米粒文库到电脑桌面
安装后可以在桌面快捷访问

新型9000系列摆线针轮减速机VIP专享VIP免费

新型9000系列摆线针轮减速机_第1页
1/47
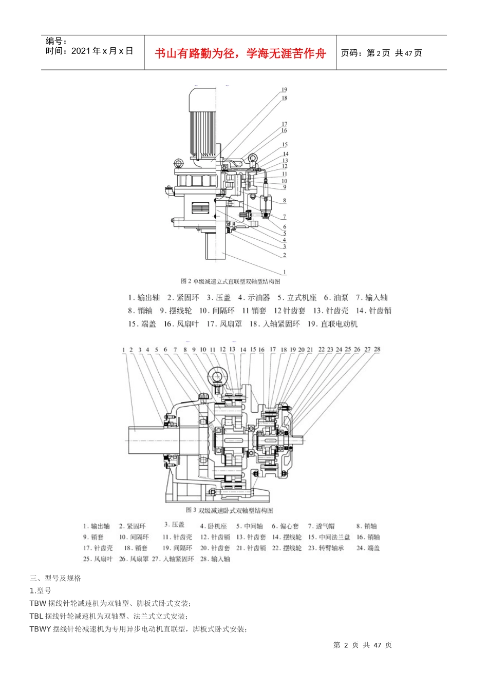
新型9000系列摆线针轮减速机_第2页
2/47
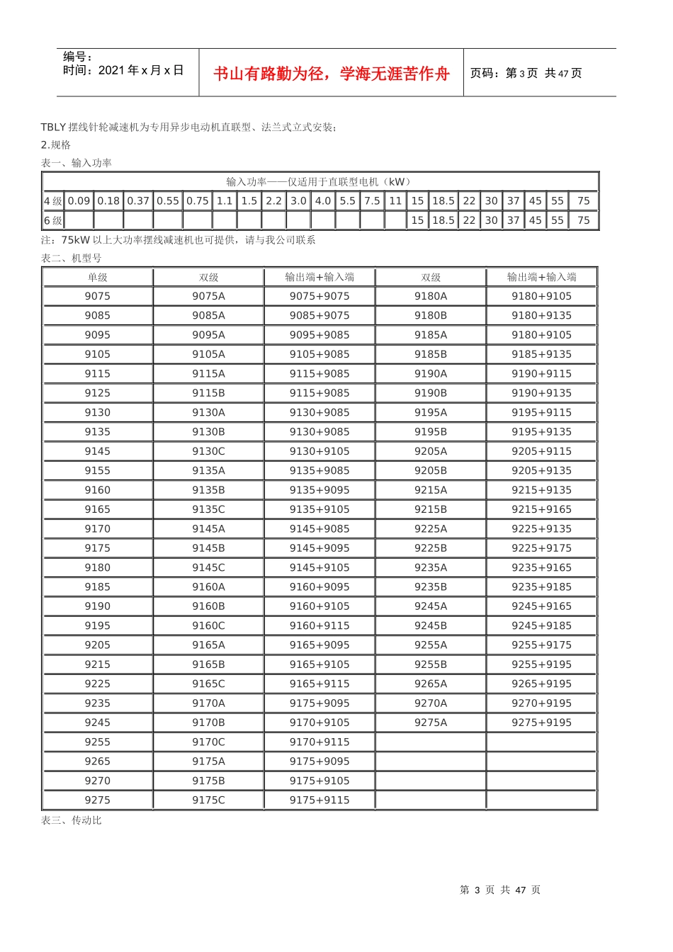
新型9000系列摆线针轮减速机_第3页
3/47
第1页共47页编号:时间:2021年x月x日书山有路勤为径,学海无涯苦作舟页码:第1页共47页新型9000系列摆线针轮减速机一、适用范围TB生活费列摆线针轮减速机是我公司根据市场需求设计开发的新型产品,本产品广泛应用于起重、运输、冶金、矿山、石油化工、纺织、印染、工程机械、食品工业、电子电视等各个领域。跟老产品相比,TB系列摆线针轮减速机具有如下优点:1、采用本公司独创的计算机程序优化新齿形,选择了合理的修形方式与最佳啮合侧隙,增加同时有效啮合齿数,使得该产品结构紧凑,体积更小,承载能力更大,运转平稳,噪声低,效率高,使用可靠,寿命更长;2、增加了机型号和电机功率和匹配,使选型更加合理;3、传动比范围更大,配置更合理,增加了小传动比6、8和其它中间传动比,使单级减速传动比6~87,达18种,双级减速传动比99~7569,达32种;根据需要可以采用更多级组合。二、结构简介摆线针轮减速机全部传动装置可分为三部分:输入部分、减速部分、输出部分。直联型减速机可与Y系列专用电动机组装在一起,同时可与各类型标准电动机,如Y系列、YA系列、YB系列、YEJ系列、YCT系列、YD系列、ZD系列等通过连接法兰联接。第2页共47页第1页共47页编号:时间:2021年x月x日书山有路勤为径,学海无涯苦作舟页码:第2页共47页三、型号及规格1.型号TBW摆线针轮减速机为双轴型、脚板式卧式安装;TBL摆线针轮减速机为双轴型、法兰式立式安装;TBWY摆线针轮减速机为专用异步电动机直联型,脚板式卧式安装;第3页共47页第2页共47页编号:时间:2021年x月x日书山有路勤为径,学海无涯苦作舟页码:第3页共47页TBLY摆线针轮减速机为专用异步电动机直联型、法兰式立式安装;2.规格表一、输入功率输入功率——仅适用于直联型电机(kW)4级0.090.180.370.550.751.11.52.23.04.05.57.5111518.52230374555756级1518.5223037455575注:75kW以上大功率摆线减速机也可提供,请与我公司联系表二、机型号单级双级输出端+输入端双级输出端+输入端90759075A9075+90759180A9180+910590859085A9085+90759180B9180+913590959095A9095+90859185A9180+910591059105A9105+90859185B9185+913591159115A9115+90859190A9190+911591259115B9115+90859190B9190+913591309130A9130+90859195A9195+911591359130B9130+90859195B9195+913591459130C9130+91059205A9205+911591559135A9135+90859205B9205+913591609135B9135+90959215A9215+913591659135C9135+91059215B9215+916591709145A9145+90859225A9225+913591759145B9145+90959225B9225+917591809145C9145+91059235A9235+916591859160A9160+90959235B9235+918591909160B9160+91059245A9245+916591959160C9160+91159245B9245+918592059165A9165+90959255A9255+917592159165B9165+91059255B9255+919592259165C9165+91159265A9265+919592359170A9175+90959270A9270+919592459170B9170+91059275A9275+919592559170C9170+911592659175A9175+909592709175B9175+910592759175C9175+9115表三、传动比第4页共47页第3页共47页编号:时间:2021年x月x日书山有路勤为径,学海无涯苦作舟页码:第4页共47页双级99(9×11)377(29×13)1505(43×35)104(13×8)473(43×11)1849(43×43)121(11×11)559(43×13)2065(59×35)143(13×11)595(35×17)2537(59×43)165(15×11)649(59×11)3045(87×35)187(17×11)731(43×17)3481(59×59)195(15×13)841(29×29)4437(87×51)231(21×11)1003(59×17)5133(87×59)273(21×13)1225(35×35)6177(87×71)289(17×17)1247(43×29)7569(87×87)318(29×11)1479(87×17)3.型号规格表示方法表四、特殊结构安装形式单级629835943114713511559177121872325第5页共47页第4页共47页编号:时间:2021年x月x日书山有路勤为径,学海无涯苦作舟页码:第5页共47页注:用户如需配置特殊电机,请在合同中注明电机型号;用户如需配置特殊结构形式,请在合同中注明或附带结构形式示意图。4、型号规格标记示例选型说明本系列减速机是在每日八小时单向连续运转,载荷平稳的条件下设计的,当减速机实际工作时间和载荷性质与上述设计条件不符时,应以负载系数进行...

1、当您付费下载文档后,您只拥有了使用权限,并不意味着购买了版权,文档只能用于自身使用,不得用于其他商业用途(如 [转卖]进行直接盈利或[编辑后售卖]进行间接盈利)。
2、本站所有内容均由合作方或网友上传,本站不对文档的完整性、权威性及其观点立场正确性做任何保证或承诺!文档内容仅供研究参考,付费前请自行鉴别。
3、如文档内容存在违规,或者侵犯商业秘密、侵犯著作权等,请点击“违规举报”。

碎片内容

新型9000系列摆线针轮减速机

确认删除?
VIP
微信客服
  • 扫码咨询
会员Q群
  • 会员专属群点击这里加入QQ群
客服邮箱
回到顶部