电脑桌面
添加小米粒文库到电脑桌面
安装后可以在桌面快捷访问

钢桩检验批质量验收记录VIP免费

钢桩检验批质量验收记录_第1页
1/3
钢桩检验批质量验收记录_第2页
2/3
钢桩检验批质量验收记录_第3页
3/3
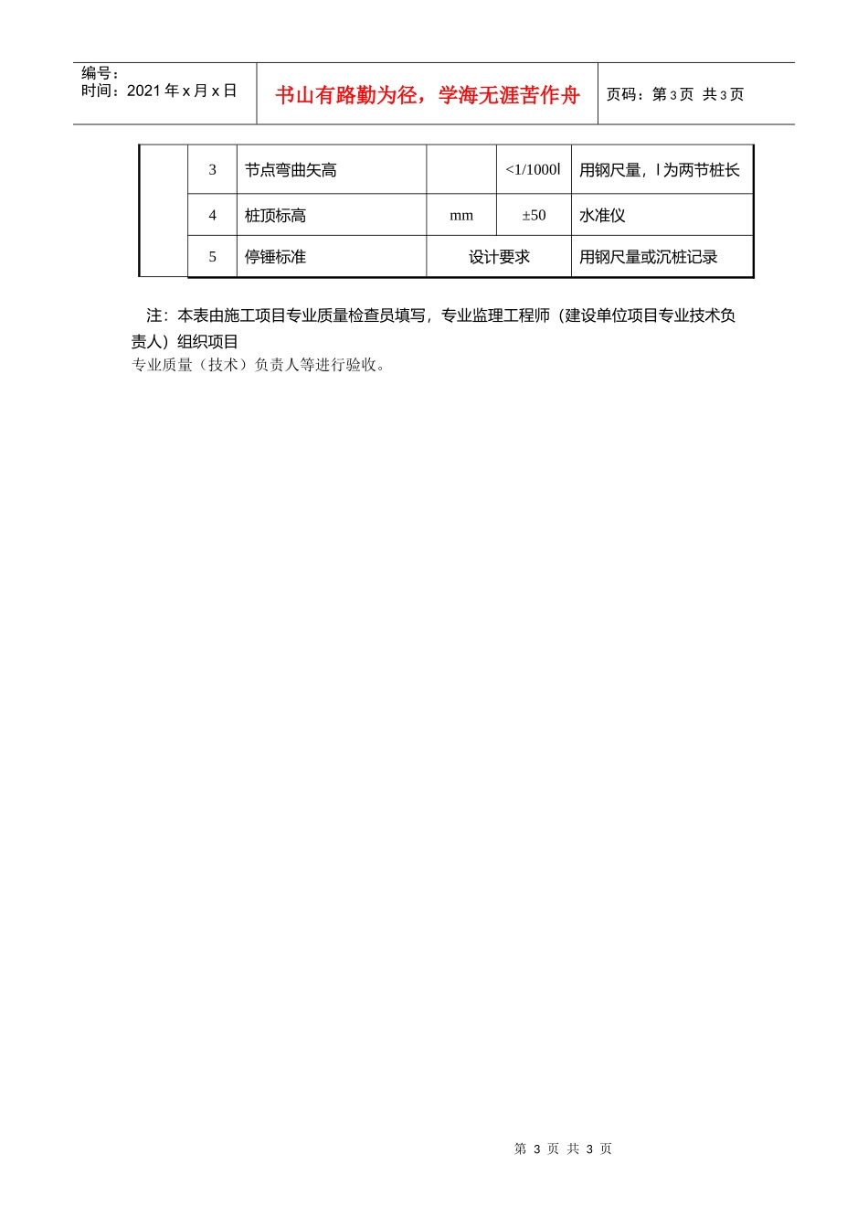
第1页共3页编号:时间:2021年x月x日书山有路勤为径,学海无涯苦作舟页码:第1页共3页钢桩检验批质量验收记录(钢桩施工质量检验)(GB50202-2002)表5.5.4-2编号:010404□□□(2)工程名称分项工程名称项目经理施工单位验收部位施工执行标准名称及编号专业工长(施工员)分包单位分包项目经理施工班组长质量验收规范的规定施工单位自检记录监理(建设)单位验收记录检查项目质量要求单位数值主控项目1桩位偏差见本规范表5.1.32承载力按基桩检测技术规范一般项目1电焊接桩焊缝上下节端部错口外径≥700mmmm≤3外径<700mmmm≤2焊缝咬边深度mm≤0.5焊缝加强层高度mm2焊缝加强层宽度mm2焊缝电焊质量外观无气孔,无焊瘤,无裂缝焊缝探伤检验满足设计要求2电焊结束后停歇时间min>1.03节点弯曲矢高<1/1000l4桩顶标高mm±505停锤标准设计要求施工操作依据质量检查记录施工单位检查结果评定项目专业项目专业质量检查员:技术负责人:年月日第2页共3页第1页共3页编号:时间:2021年x月x日书山有路勤为径,学海无涯苦作舟页码:第2页共3页监理(建设)单位验收结论专业监理工程师:(建设单位项目专业技术负责人)年月日010404□□□(2)说明强制性条文5.1.5工程桩应进行承载力检验。5.5钢桩5.5.1施工前应检查进入现场的成品钢桩,成品桩的质量标准应符合本规范表5.5.4-1的规定。5.5.2施工中应检查钢桩的垂直度、沉入过程、电焊连接质量、电焊后的停歇时间、桩顶锤击后的完整状况。电焊质量除常规检查外,应做10%的焊缝探伤检查。5.5.3施工结束后应做承载力检验。5.5.4钢桩施工质量检验标准应符合表5.5.4-1及表5.5.4-2的规定。表5.5.4-1成品钢桩质量检验标准项序检查项目允许偏差或允许值检查方法单位数值主控项目1桩位偏差见本规范表5.1.3用钢尺量2承载力按基桩检测技术规范按基桩检测技术规范一般项目1电焊接桩焊缝:(1)上下节端部错口(外径≥700mm)(外径<700mm)(2)焊缝咬边深度(3)焊缝加强层高度(4)焊缝加强层宽度(5)焊缝电焊质量外观(6)焊缝探伤检验mmmmmmmmmm≤3≤2≤0.522用钢尺量用钢尺量焊缝检查仪焊缝检查仪焊缝检查仪无气孔,无焊瘤,无裂缝直观满足设计要求按设计要求2电焊结束后停歇时间min>1.0秒表测定第3页共3页第2页共3页编号:时间:2021年x月x日书山有路勤为径,学海无涯苦作舟页码:第3页共3页3节点弯曲矢高<1/1000l用钢尺量,l为两节桩长4桩顶标高mm±50水准仪5停锤标准设计要求用钢尺量或沉桩记录注:本表由施工项目专业质量检查员填写,专业监理工程师(建设单位项目专业技术负责人)组织项目专业质量(技术)负责人等进行验收。

1、当您付费下载文档后,您只拥有了使用权限,并不意味着购买了版权,文档只能用于自身使用,不得用于其他商业用途(如 [转卖]进行直接盈利或[编辑后售卖]进行间接盈利)。
2、本站所有内容均由合作方或网友上传,本站不对文档的完整性、权威性及其观点立场正确性做任何保证或承诺!文档内容仅供研究参考,付费前请自行鉴别。
3、如文档内容存在违规,或者侵犯商业秘密、侵犯著作权等,请点击“违规举报”。

碎片内容

钢桩检验批质量验收记录

您可能关注的文档

确认删除?
VIP
微信客服
  • 扫码咨询
会员Q群
  • 会员专属群点击这里加入QQ群
客服邮箱
回到顶部