电脑桌面
添加小米粒文库到电脑桌面
安装后可以在桌面快捷访问

住宅工程质量分户验收工作表格汇编VIP免费

住宅工程质量分户验收工作表格汇编_第1页
1/32
住宅工程质量分户验收工作表格汇编_第2页
2/32
住宅工程质量分户验收工作表格汇编_第3页
3/32
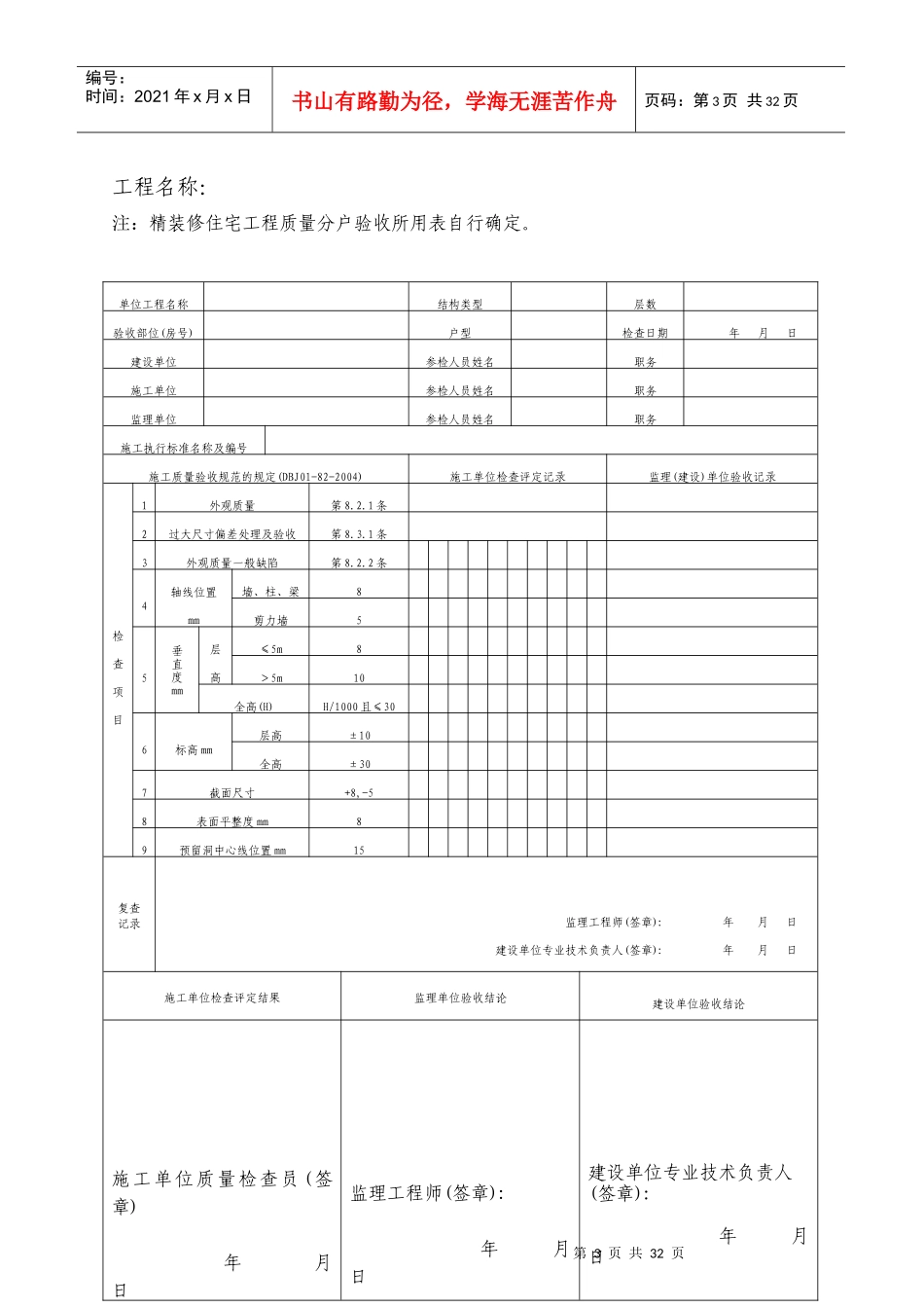
第1页共32页编号:时间:2021年x月x日书山有路勤为径,学海无涯苦作舟页码:第1页共32页住宅工程质量分户验收方案记录表表1-1工程名称:附:住宅平面图(明确标注所选检查点)注:以上房间检查内容可以单项或多项组合。建设单位:(公章)单位(项目)负责人:年月日监理单位:(公章)总监:年月日房号楼单元号建设单位施工单位监理单位物业单位开工日期竣工日期方案内容:经过各方协商,同意按本方案对本住宅工程进行住宅工程质量分户验收,多种户型时,每种户型应确定一套方案。验收主要内容为住宅工程质量的观感质量和功能适用情况。每套住宅选取个房间(分别是:)进行验收,其中:房间验收轴线、标高偏差情况;房间检查门窗安装质量;房间检查电气设施安装情况;房间检查给排水、采暖、通风空调情况;房间进行验收项目。第2页共32页第1页共32页编号:时间:2021年x月x日书山有路勤为径,学海无涯苦作舟页码:第2页共32页施工单位:(公章)单位负责人:年月日住宅工程质量分户验收表表1-2第3页共32页第2页共32页编号:时间:2021年x月x日书山有路勤为径,学海无涯苦作舟页码:第3页共32页工程名称:注:精装修住宅工程质量分户验收所用表自行确定。单位工程名称结构类型层数验收部位(房号)户型检查日期年月日建设单位参检人员姓名职务施工单位参检人员姓名职务监理单位参检人员姓名职务施工执行标准名称及编号施工质量验收规范的规定(DBJ01-82-2004)施工单位检查评定记录监理(建设)单位验收记录检查项目1外观质量第8.2.1条2过大尺寸偏差处理及验收第8.3.1条3外观质量一般缺陷第8.2.2条4轴线位置mm墙、柱、梁8剪力墙55垂直度mm层高≤5m8>5m10全高(H)H/1000且≤306标高mm层高±10全高±307截面尺寸+8,-58表面平整度mm89预留洞中心线位置mm15复查记录监理工程师(签章):年月日建设单位专业技术负责人(签章):年月日施工单位检查评定结果监理单位验收结论建设单位验收结论施工单位质量检查员(签章)年月日监理工程师(签章):年月日建设单位专业技术负责人(签章):年月日第4页共32页第3页共32页编号:时间:2021年x月x日书山有路勤为径,学海无涯苦作舟页码:第4页共32页现浇结构外观及尺寸偏差第5页共32页第4页共32页编号:时间:2021年x月x日书山有路勤为径,学海无涯苦作舟页码:第5页共32页表2-1单位工程名称结构类型层数验收部位(房号)户型检查日期年月日建设单位参检人员姓名职务施工单位参检人员姓名职务监理单位参检人员姓名职务施工执行标准名称及编号施工质量验收规范的规定(GB50203-2002)施工单位检查评定记录监理(建设)单位验收记录检查项目1砂浆强度设计要求M2直槎拉结盘及接槎处理第5.2.4条3轴线位移≤10mm4垂直度(每层)≤5mm5楼面标高±15mm6水平灰缝厚度10mm(10皮平均)8-12mm7表面平整度(混水/清水)8mm/5mm8门窗洞高宽度±5mm洞口防裂措施有□无□复查记录监理工程师(签章):年月日建设单位专业技术负责人(签章):年月日施工单位检查评定结果监理单位验收结论建设单位验收结论施工单位质量检查员(签章):年月日监理工程师(签章):年月日建设单位专业技术负责人(签章):年月日第6页共32页第5页共32页编号:时间:2021年x月x日书山有路勤为径,学海无涯苦作舟页码:第6页共32页砖砌体(混水)工程质量分户验收记录表表2-2房号楼单元号建设单位施工单位监理单位物业单位验收时间年月日序号综合验收内容验收结论1建筑结构外观及尺寸偏差2墙面、地面和顶棚面层质量3门窗安装质量4防水工程质量5采暖系统安装质量6给水、排水系统安装质量7室内电气工程安装质量8其它规定、标准中要求分户检查的内容综合验收结论验收单位建设单位施工单位监理单位单位(项目)负责人(签章)年月日单位负责人(签章)年月日总监理工程师(签章)年月日第7页共32页第6页共32页编号:时间:2021年x月x日书山有路勤为径,学海无涯苦作舟页码:第7页共32页地面找平层质量分户验收记录表表3-1单位工程名称结构类型层数验收部位(房号)户型检查日期年月日建设单位参检人员姓名职务总包单位参检人员姓名职务分包单位参检人员姓名职务监理单位参检人员姓名职务施工执行标准名称及编号施工质量验收规范的规定(G...

1、当您付费下载文档后,您只拥有了使用权限,并不意味着购买了版权,文档只能用于自身使用,不得用于其他商业用途(如 [转卖]进行直接盈利或[编辑后售卖]进行间接盈利)。
2、本站所有内容均由合作方或网友上传,本站不对文档的完整性、权威性及其观点立场正确性做任何保证或承诺!文档内容仅供研究参考,付费前请自行鉴别。
3、如文档内容存在违规,或者侵犯商业秘密、侵犯著作权等,请点击“违规举报”。

碎片内容

住宅工程质量分户验收工作表格汇编

精华资料店+ 关注
实名认证
内容提供者

大量教育教学资料

确认删除?
VIP
微信客服
  • 扫码咨询
会员Q群
  • 会员专属群点击这里加入QQ群
客服邮箱
回到顶部