电脑桌面
添加小米粒文库到电脑桌面
安装后可以在桌面快捷访问

变电站电气安装质量控制点VIP免费

变电站电气安装质量控制点_第1页
1/73
变电站电气安装质量控制点_第2页
2/73
变电站电气安装质量控制点_第3页
3/73
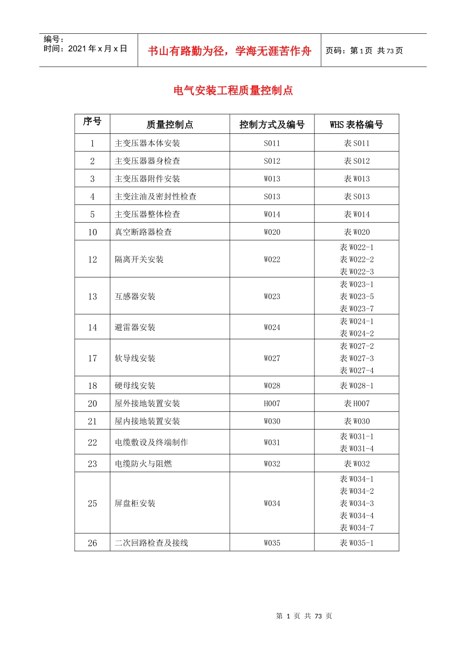
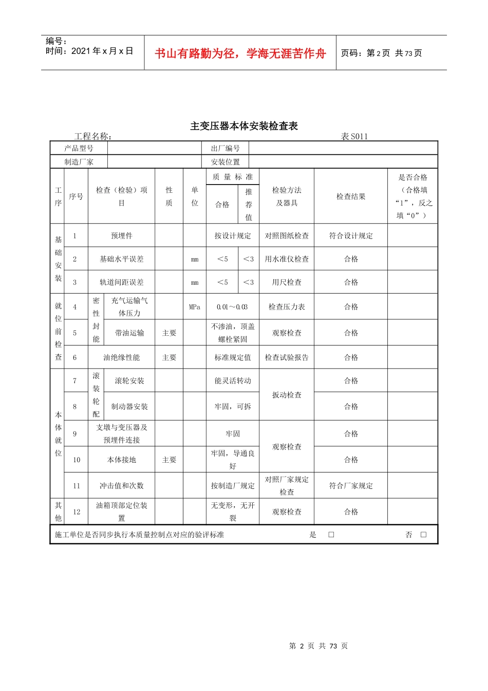
第1页共73页编号:时间:2021年x月x日书山有路勤为径,学海无涯苦作舟页码:第1页共73页电气安装工程质量控制点序号质量控制点控制方式及编号WHS表格编号1主变压器本体安装S011表S0112主变压器器身检查S012表S0123主变压器附件安装W013表W0134主变注油及密封性检查S013表S0135主变压器整体检查W014表W01410真空断路器检查W020表W02012隔离开关安装W022表W022-1表W022-2表W022-313互感器安装W023表W023-1表W023-5表W023-714避雷器安装W024表W024-1表W024-217软导线安装W027表W027-2表W027-3表W027-418硬母线安装W028表W028-120屋外接地装置安装H007表H00721屋内接地装置安装W030表W03022电缆敷设及终端制作W031表W031-1表W031-423电缆防火与阻燃W032表W03225屏盘柜安装W034表W034-1表W034-2表W034-3表W034-4表W034-726二次回路检查及接线W035表W035-1第2页共73页第1页共73页编号:时间:2021年x月x日书山有路勤为径,学海无涯苦作舟页码:第2页共73页主变压器本体安装检查表工程名称:表S011产品型号出厂编号制造厂家安装位置工序序号检查(检验)项目性质单位质量标准检验方法及器具检查结果是否合格(合格填“1”,反之填“0”)合格推荐值基础安装1预埋件按设计规定对照图纸检查符合设计规定2基础水平误差mm<5<3用水准仪检查合格3轨道间距误差mm<5<3用尺检查合格就位前检查4密性封能充气运输气体压力MPa0.01~0.03检查压力表合格5带油运输主要不渗油,顶盖螺栓紧固观察检查合格6油绝缘性能主要标准规定值检查试验报告合格本体就位7滚装轮配滚轮安装能灵活转动扳动检查合格8制动器安装牢固,可拆合格9支墩与变压器及预埋件连接牢固观察检查合格10本体接地主要牢固,导通良好合格11冲击值和次数按制造厂规定对照厂家规定检查符合厂家规定其他12油箱顶部定位装置无变形,无开裂观察检查合格施工单位是否同步执行本质量控制点对应的验评标准是□否□第3页共73页第2页共73页编号:时间:2021年x月x日书山有路勤为径,学海无涯苦作舟页码:第3页共73页结论检查(检验)项目数:合格项数:不合格项数:合格率(×100%)=等级:合格(优□良□中□)不合格□检查人(签名):年月日主变压器器身检查检查表工程名称:表S012产品型号出厂编号制造厂家安装位置工序序号检查(检验)项目性质单位质量标准检验方法及器具检查结果是否合格(合格填“1”,反之填“0”)合格推荐值器身外观1器身各部位主要无移动观察检查合格2各部件外观主要无烧伤、损坏及变形合格3各部位绑扎措施齐全,紧固扳动检查齐全,紧固4绝缘螺栓及垫块主要齐全,无损坏,且防松措施可靠用扳手检查齐全5绕组及引出线绝缘层主要完整,包缠牢固紧密观察检查完整6器身油漆色彩一致,无脱落、污染观察检查色彩一致铁芯7铁芯接地主要1点,连接可靠观察检查连接可靠8铁芯绝缘主要按制造厂规定用兆欧表检查合格绕9裸导体外观无毛刺、尖角、断股、断片、拧弯观察检查合格10焊接满焊、无脱焊观察检查无脱焊第4页共73页第3页共73页编号:时间:2021年x月x日书山有路勤为径,学海无涯苦作舟页码:第4页共73页组11高压应力锥完好观察检查完好12油路(有围屏者除外)无异物,畅通无异物,畅通13均压屏蔽罩(500kV高压侧)完好,无损伤完好14线圈固定检查主要固定牢固手指摇动检查牢固15绕组绝缘主要>出厂值的70%>出厂值的80%用2500V兆欧表检查合格电压切换装置16连接可靠观察检查可靠17开关触头清洁度、弹力无锈蚀、油污、且弹性良好扳动检查合格18接触主要可靠,塞尺塞不进用0.05㎜×10mm塞尺检查合格19对应位置正确、一致操动检查一致20部件装配齐全,正确观察检查正确21无励磁分接开关操作杆长度三相一致三相一致22转动器动作灵活、密封良好观察检查动作灵活表S012-2(续)工序序号检查(检验)项目性质单位质量标准检验方法及器具检查结果是否合格(合格填“1”,反之填“0”)合格推荐值电压切换装置23有载调压分接开关开关动作顺序主要正确,切换时无开路仪表测量正确24切换开关密封良好观察检查良好其他25强油循环管与下轭绝缘接口密封良好观察检查良好26各部位清理主要无杂物、污迹、屑末合格第5页共73页第4页共73页编...

1、当您付费下载文档后,您只拥有了使用权限,并不意味着购买了版权,文档只能用于自身使用,不得用于其他商业用途(如 [转卖]进行直接盈利或[编辑后售卖]进行间接盈利)。
2、本站所有内容均由合作方或网友上传,本站不对文档的完整性、权威性及其观点立场正确性做任何保证或承诺!文档内容仅供研究参考,付费前请自行鉴别。
3、如文档内容存在违规,或者侵犯商业秘密、侵犯著作权等,请点击“违规举报”。

碎片内容

变电站电气安装质量控制点

您可能关注的文档

确认删除?
VIP
微信客服
  • 扫码咨询
会员Q群
  • 会员专属群点击这里加入QQ群
客服邮箱
回到顶部