电脑桌面
添加小米粒文库到电脑桌面
安装后可以在桌面快捷访问

企业管理 品质管理表格4VIP专享VIP免费

企业管理 品质管理表格4_第1页
1/5
企业管理 品质管理表格4_第2页
2/5
企业管理 品质管理表格4_第3页
3/5
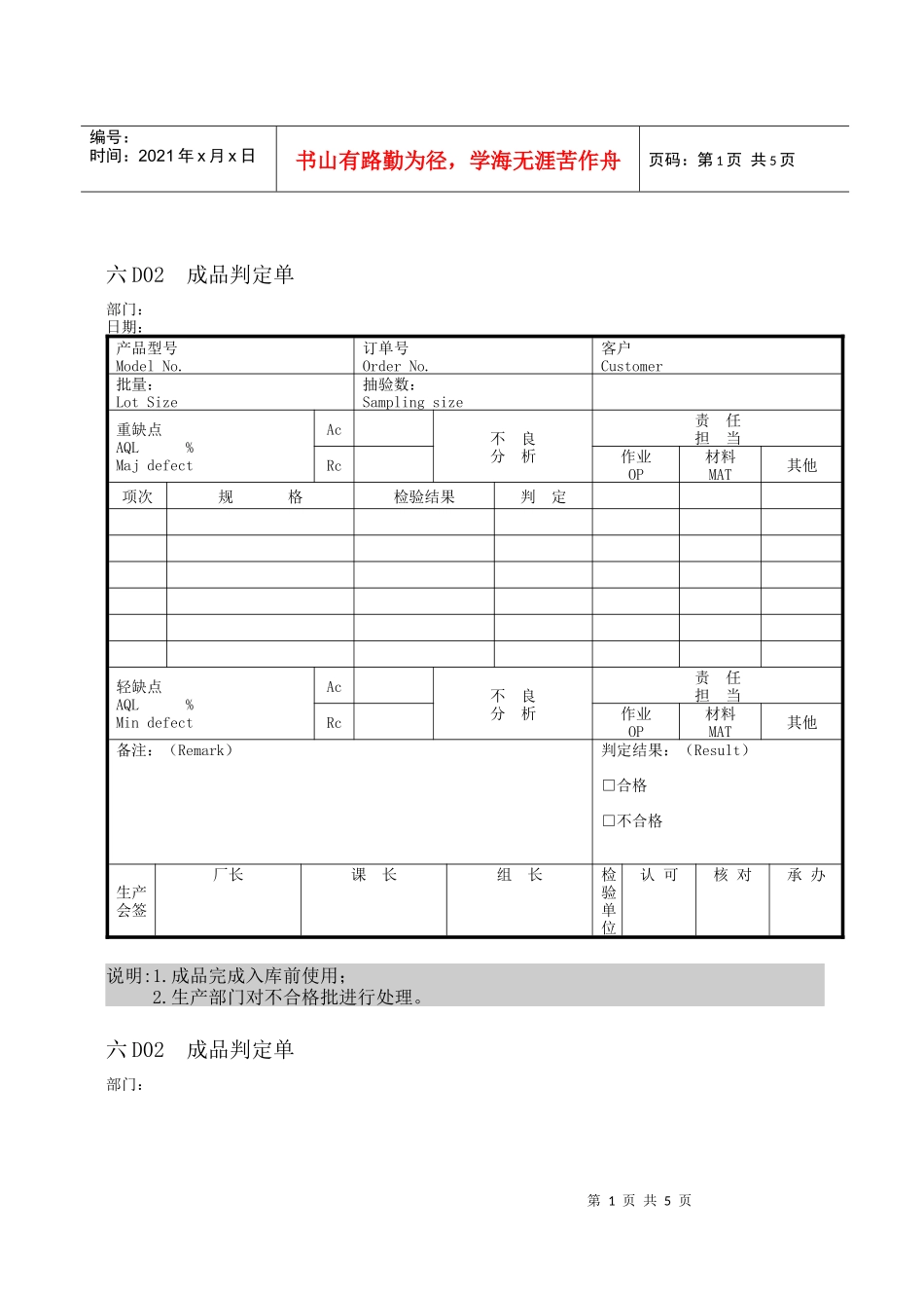
第1页共5页编号:时间:2021年x月x日书山有路勤为径,学海无涯苦作舟页码:第1页共5页六D02成品判定单部门:日期:产品型号ModelNo.订单号OrderNo.客户Customer批量:LotSize抽验数:Samplingsize重缺点AQL%MajdefectAc不良分析责任担当Rc作业OP材料MAT其他项次规格检验结果判定轻缺点AQL%MindefectAc不良分析责任担当Rc作业OP材料MAT其他备注:(Remark)判定结果:(Result)□合格□不合格生产会签厂长课长组长检验单位认可核对承办说明:1.成品完成入库前使用;2.生产部门对不合格批进行处理。六D02成品判定单部门:第2页共5页第1页共5页编号:时间:2021年x月x日书山有路勤为径,学海无涯苦作舟页码:第2页共5页日期:产品型号ModelNo.订单号OrderNo.客户Customer批量:LotSize抽验数:Samplingsize重缺点AQL%MajdefectAc不良分析责任担当Rc作业OP材料MAT其他项次规格检验结果判定轻缺点AQL%MindefectAc不良分析责任担当Rc作业OP材料MAT其他备注:(Remark)判定结果:(Result)□合格□不合格生产会签厂长课长组长检验单位认可核对承办说明:1.成品完成入库前使用;2.生产部门对不合格批进行处理。六D03出货成品品质稽查表日期:品名型号客户客户第3页共5页第2页共5页编号:时间:2021年x月x日书山有路勤为径,学海无涯苦作舟页码:第3页共5页等级数量件数抽样数订单号出货单号制品批号项次检验项目标准检验结果判定合格不合格综合判定可出货不准出货判定者主管说明:1.成品入库后、出库前使用;2.检验项目包括包装及标示项目。六D04成品出厂检验表编号:检验日期:生产完成日:制单号订单号型号/规格数量第4页共5页第3页共5页编号:时间:2021年x月x日书山有路勤为径,学海无涯苦作舟页码:第4页共5页抽样情况:AQL:样本n:合格判定数Ac:不合格判定数Re:检验项目不良状况不合格数结果备注AcReAcReAcReAcReAcReAcRe特殊项目检测:AQL:样本n:合格判定数Ac:不合格判定数Re:检验项目不良状况不合格数结果备注AcReAcReAcReAcReAcRe结论合格不合格处理意见特别放行返工□全检检验员:主管/日期厂长/日期说明:1.产品出厂前的最后检验记录;2.处理意见中的特别放行除厂长批准外,有必要通知客户;3.呈阅→品管单位存档。六D05出货检验表主管检验者第5页共5页第4页共5页编号:时间:2021年x月x日书山有路勤为径,学海无涯苦作舟页码:第5页共5页日期项次型号库存数抽检数检验项目检验结果(样本)判定备注12345678910合格不合格1234567891011121314151617说明:1.本表作为库存成品出货前品质稽核用;2.须完成此项稽核作业产品方可放行出厂。

1、当您付费下载文档后,您只拥有了使用权限,并不意味着购买了版权,文档只能用于自身使用,不得用于其他商业用途(如 [转卖]进行直接盈利或[编辑后售卖]进行间接盈利)。
2、本站所有内容均由合作方或网友上传,本站不对文档的完整性、权威性及其观点立场正确性做任何保证或承诺!文档内容仅供研究参考,付费前请自行鉴别。
3、如文档内容存在违规,或者侵犯商业秘密、侵犯著作权等,请点击“违规举报”。

碎片内容

企业管理 品质管理表格4

确认删除?
VIP
微信客服
  • 扫码咨询
会员Q群
  • 会员专属群点击这里加入QQ群
客服邮箱
回到顶部