电脑桌面
添加小米粒文库到电脑桌面
安装后可以在桌面快捷访问

PM-ISO-001物业管理QMS、EMS、OHSMS管理体VIP免费

PM-ISO-001物业管理QMS、EMS、OHSMS管理体_第1页
1/6
PM-ISO-001物业管理QMS、EMS、OHSMS管理体_第2页
2/6
PM-ISO-001物业管理QMS、EMS、OHSMS管理体_第3页
3/6
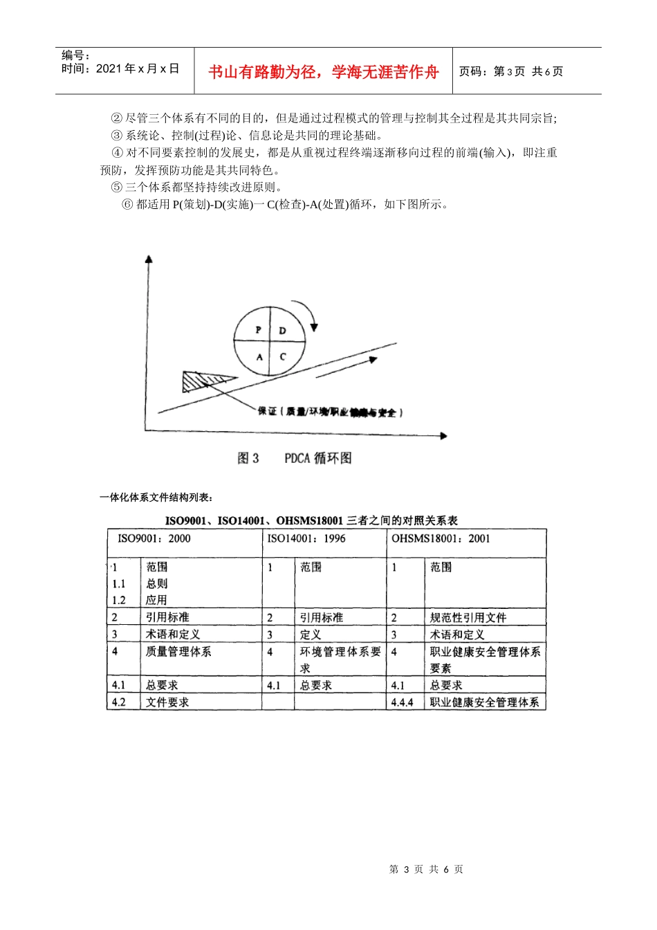
第1页共6页编号:时间:2021年x月x日书山有路勤为径,学海无涯苦作舟页码:第1页共6页根据物业管理顾问咨询目标,公司希望建立在符合国际标准化组织的文件体系,以促进物业管理体系更为科学和有效。这也是此文编辑目的,向各位参与者普及ISO标准体系文件。陈伟波2009.03.29ISO背景:为了规范世界各国质量管理活动,促进国际经济贸易的发展,1987年国际标准化组织(ISO)发布了IS09000系列标准,1994年国际标准化组织对该标准进行第一次修订;2000年国际标准化组织对该标准进行第二次修订,全世界一百多个国家采用了该标准。我国等同采用了该标准,并于1992年开始实施质量体系认证。截止2004年底已有近12万家企业通过了认证。在质量管理体系标准获得巨大成功的基础上,为规范企业和社会团体等组织的自愿环境管理活动,促进组织环境绩效的改进,实现全球经济的可持续发展,国际标准化又于19%年发布了IS014000系列标准,很快又被世界上许多国家所采用。我国也等同采用了该标准,并于同年开始实施环境管理体系认证工作,到2004年底,己有5000家组织通过了环境管理体系认证。2001年国际劳工组织(ILO)发布了《职业安全健康管理体系导则》,我国国家经贸委同年底发布了《职业安全健康管理体系审核规范》,同年11月12日国家质量监督检验检疫总局也发布了OHSMSI8001:2001《职业健康安全管理体系规范》,以指导我国企业职业安全健康管理体系的建立和实施,到2004年底,约有1500家企业通过了职业安全健康管理体系的认证。随着IS09001质量管理体系认证和IS014001环境管理体系认证的深入发展,以及OHSMS18001职业安全健康管理体系认证的逐步开展,一些优秀的组织已开始关注将质量管理体系、环境管理体系和职业安全健康管理体系结合起来,建立一体化管理体系,同时向认证机构提出实施一体化审核的要求,即通过一个审核组的一次现场审核,同时获得或保持IS09001,IS014001,OHSMS18001认证证书。组织将几个管理体系整合成一个整体,从而形成使用共有要素的单一的管理体系,将有利于策划、资源配置、确定互补的目标并评价组织的整体有效性,大大减少组织的管理成本,提高管理体系的运行效率。这既符合国际标准化组织的要求,也是发达国家认证领域发展的主要趋势。定义:管理体系建立方针和目标并实现这些目标的体系。一个组织的管理体系可包括若干个不同的管理体系,如质量管理体、财务管理体系、环境管理体系、职业健康安全管理体系等。质量管理体系(QMSISO9001)在质量方面指挥和控制组织的管理体系。质量管理体系是对产品要求的补充,包括8个章节,涉及管理职责、资源管理、产品实现、测量分析和改进等内容。通过体系的有效运用,使组织有能力稳定地满足顾客和适用法律法规要求,旨在增强顾客满意。环境管理体系(EMSISO14001)全面管理体系的一个组成部分,包括制定、实施、实现、评审和保持环境方针所需的组织机构、计划活第2页共6页第1页共6页编号:时间:2021年x月x日书山有路勤为径,学海无涯苦作舟页码:第2页共6页动、职责、惯例、程序、过程和资源。环境管理体系包括17个要素,涉及环境方针、策划、实施和运行、检查、管理评审、持续改进等内容,旨在使一个组织能够根据法律法规要求和重要环境因素信息来制定和实施环境方针和目标,支持环境保护和污染预防,协调它们与社会和经济需求的关系。职业健康安全管理体系(OHSMSISO18001)总的管理体系的一部分,便于组织对与其业务相关的职业健康安全风险的管理。它包括为制定、实施、实现、评审和保持职业健康安全方针所需的组织机构、策划活动、职责、惯例、程序、过程和资源。职业健康安全管理体系包括17个要素,涉及职业健康安全方针、策划、实施和运行、检查和纠正措施、管理评审、持续改进等内容,旨在使一个组织能够控制职业健康安全风险并改进其绩效。一体化管理体系在质量、环境、职业健康安全等方面统一指挥和控制组织的综合性管理体系。目前还没有统一规定的模式,各国也都在探讨研究之中。根据其结合不同管理体系的数量,可分为二元、三元或多元一体化管理体系。三个体系文件体系图:三个体系标准一致的基本原理①%2%国际标准化组织在制定...

1、当您付费下载文档后,您只拥有了使用权限,并不意味着购买了版权,文档只能用于自身使用,不得用于其他商业用途(如 [转卖]进行直接盈利或[编辑后售卖]进行间接盈利)。
2、本站所有内容均由合作方或网友上传,本站不对文档的完整性、权威性及其观点立场正确性做任何保证或承诺!文档内容仅供研究参考,付费前请自行鉴别。
3、如文档内容存在违规,或者侵犯商业秘密、侵犯著作权等,请点击“违规举报”。

碎片内容

PM-ISO-001物业管理QMS、EMS、OHSMS管理体

您可能关注的文档

确认删除?
VIP
微信客服
  • 扫码咨询
会员Q群
  • 会员专属群点击这里加入QQ群
客服邮箱
回到顶部