电脑桌面
添加小米粒文库到电脑桌面
安装后可以在桌面快捷访问

罗茨鼓风机检修与质量标准VIP免费

罗茨鼓风机检修与质量标准_第1页
1/8
罗茨鼓风机检修与质量标准_第2页
2/8
罗茨鼓风机检修与质量标准_第3页
3/8
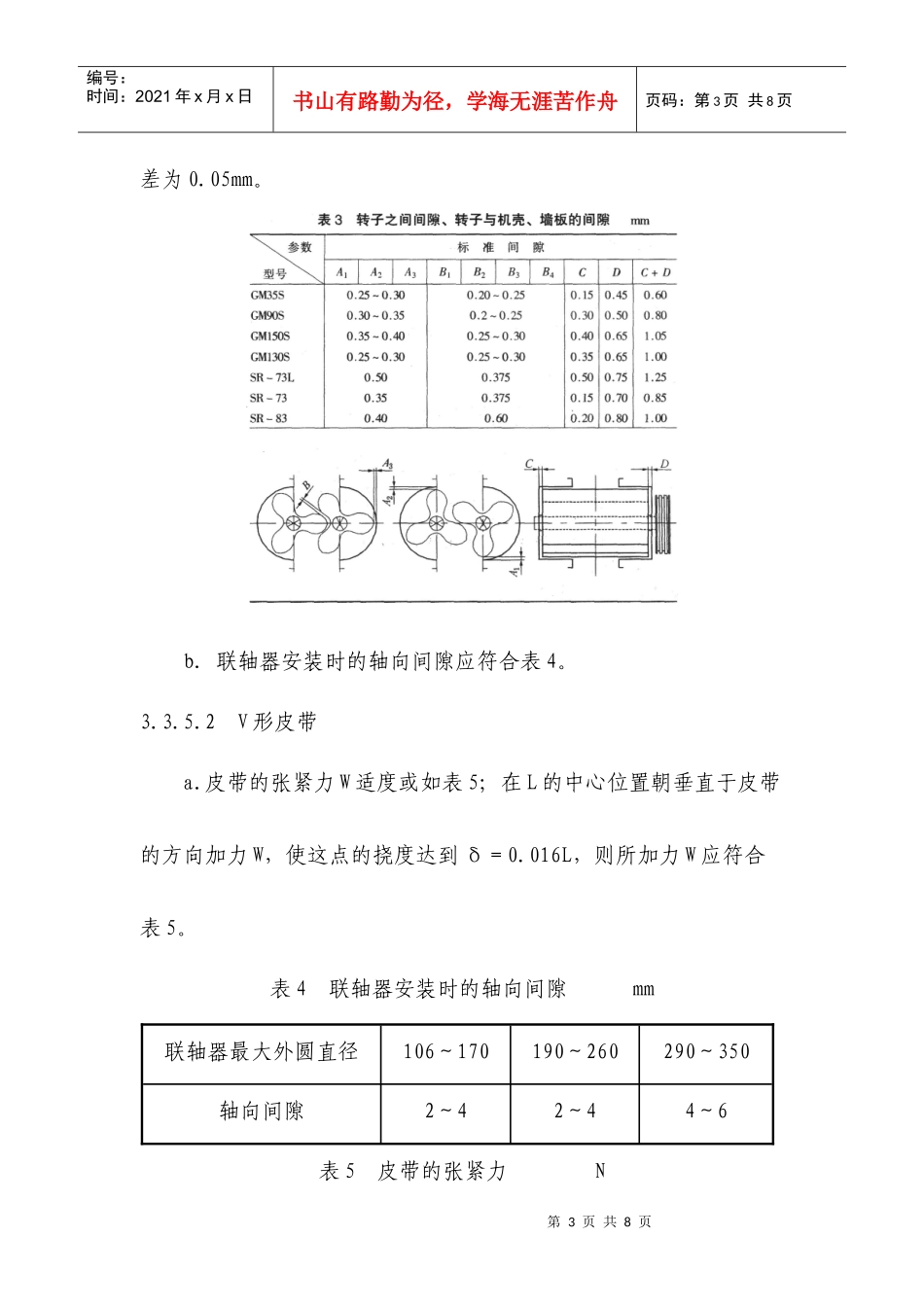
第1页共8页编号:时间:2021年x月x日书山有路勤为径,学海无涯苦作舟页码:第1页共8页罗茨鼓风机检修与质量标准3检修与质量标准3.1拆卸前准备3.1.1掌握风机运行情况,并备齐必要的图纸资料。3.1.2备齐检修工具、量具、起重机具、配件及材料。3.1.3切断电源,工艺处理符合安全检修条件。3.2拆卸与检查3.2.1从风机上拆下所有附件,检查转子之间、转子与侧壁之间间隙。3.2.2拆卸联轴节或皮带轮,检查弹性圈或三角皮带。3.2.3拆卸齿轮箱,检查齿面及调节齿轮螺栓。3.2.4拆卸轴承、轴承箱,检查油封、轴承。3.2.5拆卸密封部件,检查迷宫套、动环、静环、O形圈等密封部件。3.2.6拆墙板,检查墙板、转子。3.3质量标准3.3.1机体第2页共8页第1页共8页编号:时间:2021年x月x日书山有路勤为径,学海无涯苦作舟页码:第2页共8页3.3.1.1机体应无损伤、裂纹。3.3.1.2机体安装水平度为0.04mm/m。3.3.2转子3.3.2.1转子表面应无砂眼、气孔、裂纹等缺陷。3.3.2.2转子端面圆跳动值不大于0.05mm。3.3.2.3转子进行静平衡或平衡校验。3.3.3转子之间间隙、转子与机壳、墙板的间隙应符合表2、表3规定。表2见SHS01024—2004《罗茨鼓风机维护检修规程》。3.3.4轴3.3.4.1轴表面应光滑无磨痕及裂纹等现象。3.3.4.2轴颈的圆柱度不大于轴径公差之半。3.3.4.3轴的同轴度为0.03mm/m。3.3.5联轴器或V形皮带3.3.5.1联轴器a.联轴器的对中,径向圆跳动误差为0.06mm,端面圆跳动误第3页共8页第2页共8页编号:时间:2021年x月x日书山有路勤为径,学海无涯苦作舟页码:第3页共8页差为0.05mm。b.联轴器安装时的轴向间隙应符合表4。3.3.5.2V形皮带a.皮带的张紧力W适度或如表5;在L的中心位置朝垂直于皮带的方向加力W,使这点的挠度达到δ=0.016L,则所加力W应符合表5。表4联轴器安装时的轴向间隙mm联轴器最大外圆直径106~170190~260290~350轴向间隙2~42~44~6表5皮带的张紧力N第4页共8页第3页共8页编号:时间:2021年x月x日书山有路勤为径,学海无涯苦作舟页码:第4页共8页皮带型别5V8V最小值Wmin76.21211.70最大值Wmax101.90271.50b.皮带槽中心偏差不大于0.05mm/100mm。3.3.6轴承3.3.6.1滚动轴a.滚动体与滚道表面应无磨痕、麻点、锈蚀,保持架无变形、损伤。b.滚动轴承内圈与轴采用H7/k6配合,轴承座与轴承外圈采用H7/h6配合。c.滚动轴承安装必须紧靠在轴肩或轴肩垫上。d.热装轴承温度不大于120℃,严禁用直接火焰加热。3.3.6.2滑动轴承a.刮研后瓦面印迹均匀,一般不小于2~3点/cm2,其接触角一般为60~90℃。b.轴承顶间隙见表6。第5页共8页第4页共8页编号:时间:2021年x月x日书山有路勤为径,学海无涯苦作舟页码:第5页共8页c.侧间隙为顶间隙1/2。d.轴承衬与轴承衬背应接触良好,接触面积一般在60%以上。3.3.7密封装置3.3.7.1V形环与轴的过盈尺寸一般为0.1mm。3.3.7.2迷宫式密封轴套两端的平行度不大于0.01mm,密封环座与轴套的轴向间隙一般0.2~0.5mm。3.3.7.3机械密封组装后,在密封动环部位对轴中心线径向跳动不得大于0.06mm。3.3.8同步齿轮3.3.8.1齿轮用键固定后径向位移不超过0.02mm。3.3.8.2齿表面接触沿齿高不小于50%,沿齿宽不小于70%。3.3.8.3齿顶间隙取0.2~0.3m(m为模数),侧间隙应符合表7规定。第6页共8页第5页共8页编号:时间:2021年x月x日书山有路勤为径,学海无涯苦作舟页码:第6页共8页4试车与验收(略)5维护与故障处理5.1日常维护5.1.1检查机壳温度,做好记录。5.1.2定时检查轴承温度,做好记录。5.1.3定时检查是否有摩擦或振动。5.1.4定时检查润滑油位,油品是否乳化等。5.1.5定期检查吸入口过滤器压差。5.1.6定期检查大功率风机备用油泵电机的自启动及油过滤器压差。5.1.7采用机械密封和压力润滑,定期检查油压和油温。5.1.8定时检查吸、排气压力。5.1.9定时检查电机负荷。5.1.10定时检查冷却水是否畅通。5.1.11定期巡检并做记录。第7页共8页第6页共8页编号:时间:2021年x月x日书山有路勤为径,学海无涯苦作舟页码:第7页共8页5.2常见故障与处理(见表8)表8常见故障与处理序号故障现象故障原因处理方法1风量波动或不足过滤器网眼堵塞间隙增大皮带打滑、转速不够管道法兰漏气轴封装置...

1、当您付费下载文档后,您只拥有了使用权限,并不意味着购买了版权,文档只能用于自身使用,不得用于其他商业用途(如 [转卖]进行直接盈利或[编辑后售卖]进行间接盈利)。
2、本站所有内容均由合作方或网友上传,本站不对文档的完整性、权威性及其观点立场正确性做任何保证或承诺!文档内容仅供研究参考,付费前请自行鉴别。
3、如文档内容存在违规,或者侵犯商业秘密、侵犯著作权等,请点击“违规举报”。

碎片内容

罗茨鼓风机检修与质量标准

您可能关注的文档

确认删除?
VIP
微信客服
  • 扫码咨询
会员Q群
  • 会员专属群点击这里加入QQ群
客服邮箱
回到顶部