电脑桌面
添加小米粒文库到电脑桌面
安装后可以在桌面快捷访问

潞安建设工程质量检测有限公司资质认定附表VIP免费

潞安建设工程质量检测有限公司资质认定附表_第1页
1/8
潞安建设工程质量检测有限公司资质认定附表_第2页
2/8
潞安建设工程质量检测有限公司资质认定附表_第3页
3/8
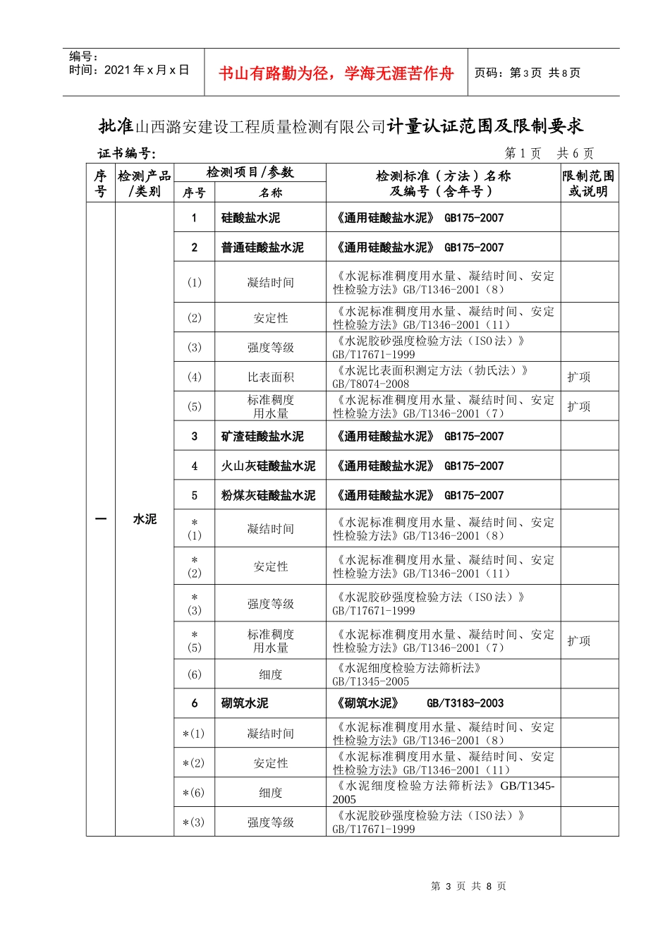
资质认定计量认证证书附表XXXXXXXXXXX机构名称:山西潞安建设工程质量检测有限公司发证日期:年月日有效期至:年月日发证机关:山西省质量技术监督局国家认证认可监督管理委员会制(扉页)注意事项1.依据本附表提供的检测数据,用于贸易出证,产品质量评价,环境、卫生、安全评价,成果鉴定,具有证明作用。2.取得计量认证证书的实验室,在向社会出具具有证明作用的数据和结果时,必须按照本附表所限定的检测范围出具检测报告,并在报告左上方使用CMA标志。3.对于授权、验收机构,该证书附表既是计量认证附表,也是机构授权/验收证书附表。授权/验收检验机构,在承担监督检验任务时,其检测报告上同时使用CMA和CAL标志。4.本附表无发证单位骑缝章无效。5.本附表页码必须连续编号,每页右上方注明:第X页共XX页。第3页共8页编号:时间:2021年x月x日书山有路勤为径,学海无涯苦作舟页码:第3页共8页批准山西潞安建设工程质量检测有限公司计量认证范围及限制要求证书编号:第1页共6页序号检测产品/类别检测项目/参数检测标准(方法)名称及编号(含年号)限制范围或说明序号名称一水泥1硅酸盐水泥《通用硅酸盐水泥》GB175-20072普通硅酸盐水泥《通用硅酸盐水泥》GB175-2007(1)凝结时间《水泥标准稠度用水量、凝结时间、安定性检验方法》GB/T1346-2001(8)(2)安定性《水泥标准稠度用水量、凝结时间、安定性检验方法》GB/T1346-2001(11)(3)强度等级《水泥胶砂强度检验方法(ISO法)》GB/T17671-1999(4)比表面积《水泥比表面积测定方法(勃氏法)》GB/T8074-2008扩项(5)标准稠度用水量《水泥标准稠度用水量、凝结时间、安定性检验方法》GB/T1346-2001(7)扩项3矿渣硅酸盐水泥《通用硅酸盐水泥》GB175-20074火山灰硅酸盐水泥《通用硅酸盐水泥》GB175-20075粉煤灰硅酸盐水泥《通用硅酸盐水泥》GB175-2007*(1)凝结时间《水泥标准稠度用水量、凝结时间、安定性检验方法》GB/T1346-2001(8)*(2)安定性《水泥标准稠度用水量、凝结时间、安定性检验方法》GB/T1346-2001(11)*(3)强度等级《水泥胶砂强度检验方法(ISO法)》GB/T17671-1999*(5)标准稠度用水量《水泥标准稠度用水量、凝结时间、安定性检验方法》GB/T1346-2001(7)扩项(6)细度《水泥细度检验方法筛析法》GB/T1345-20056砌筑水泥《砌筑水泥》GB/T3183-2003*(1)凝结时间《水泥标准稠度用水量、凝结时间、安定性检验方法》GB/T1346-2001(8)*(2)安定性《水泥标准稠度用水量、凝结时间、安定性检验方法》GB/T1346-2001(11)*(6)细度《水泥细度检验方法筛析法》GB/T1345-2005*(3)强度等级《水泥胶砂强度检验方法(ISO法)》GB/T17671-1999第4页共8页第3页共8页编号:时间:2021年x月x日书山有路勤为径,学海无涯苦作舟页码:第4页共8页*(5)标准稠度用水量《水泥标准稠度用水量、凝结时间、安定性检验方法》GB/T1346-2001(7)扩项第2页共6页二砖(砌块)7烧结普通砖《烧结普通砖》GB5101-20038烧结多孔砖《烧结多孔砖》GB13544-20009烧结空心砖和空心砌块《烧结空心砖和空心砌块》GB13545-2003(7)外观质量《砌墙砖试验方法》GB/T2542-2003(5)(8)尺寸偏差《砌墙砖试验方法》GB/T2542-2003(4)(9)吸水率和饱和系数《砌墙砖试验方法》GB/T2542-2003(12)(10)抗压强度《砌墙砖试验方法》GB/T2542-2003(7)(11)冻融《砌墙砖试验方法》GB/T2542-2003(8)(12)石灰爆裂《砌墙砖试验方法》GB/T2542-2003(10)(13)泛霜《砌墙砖试验方法》GB/T2542-2003(11)10蒸压加气混凝土砌块《蒸压加气混凝土砌块》GB11968-2006(14)体积密度《蒸压加气混凝土性能试验方法》GB/T11969-2008(2.3)(15)含水率《蒸压加气混凝土性能试验方法》GB/T11969-2008(2.3)(16)吸水率《蒸压加气混凝土性能试验方法》GB/T11969-2008(2.4)(17)抗压强度《蒸压加气混凝土性能试验方法》GB/T11969-2008(3.3.1)(18)尺寸外观《蒸压加气混凝土性能试验方法》GB/T11969-2008(19)抗冻性能《蒸压加气混凝土性能试验方法》GB/T11969-2008(5)11普通混凝土小型空心砌块《普通混凝土小型空心砌块》GB8239-1997(20)尺寸及外观质量《混凝土小型空心砌块试验方法》GB...

1、当您付费下载文档后,您只拥有了使用权限,并不意味着购买了版权,文档只能用于自身使用,不得用于其他商业用途(如 [转卖]进行直接盈利或[编辑后售卖]进行间接盈利)。
2、本站所有内容均由合作方或网友上传,本站不对文档的完整性、权威性及其观点立场正确性做任何保证或承诺!文档内容仅供研究参考,付费前请自行鉴别。
3、如文档内容存在违规,或者侵犯商业秘密、侵犯著作权等,请点击“违规举报”。

碎片内容

潞安建设工程质量检测有限公司资质认定附表

确认删除?
VIP
微信客服
  • 扫码咨询
会员Q群
  • 会员专属群点击这里加入QQ群
客服邮箱
回到顶部