电脑桌面
添加小米粒文库到电脑桌面
安装后可以在桌面快捷访问

企业管理表格品质管理G纵表格VIP专享VIP免费

企业管理表格品质管理G纵表格_第1页
1/5
企业管理表格品质管理G纵表格_第2页
2/5
企业管理表格品质管理G纵表格_第3页
3/5
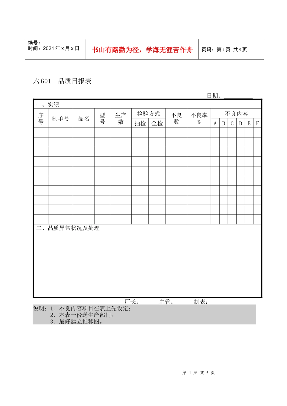
第1页共5页编号:时间:2021年x月x日书山有路勤为径,学海无涯苦作舟页码:第1页共5页六G01品质日报表日期:一、实绩序号制单号品名型号生产数检验方式不良数不良率%不良内容抽检全检ABCDEF二、品质异常状况及处理厂长:主管:制表:说明:1.不良内容项目在表上先设定;2.本表一份送生产部门;3.最好建立推移图。第2页共5页第1页共5页编号:时间:2021年x月x日书山有路勤为径,学海无涯苦作舟页码:第2页共5页六G02检验日报表部门:日期:主管制表项次型号检验数良品数不良数不良率%原材料不良前工程不良本工程不良备注说明:1.本表系部门别检验报表;2.将不良项目事先列入;3.可以转换成不良层别表。第3页共5页第2页共5页编号:时间:2021年x月x日书山有路勤为径,学海无涯苦作舟页码:第3页共5页六G03品质月报表共2页第1页月份:日期:一、进料检验交货单号品名料号厂商检验数不良数不良率%前月比%备注合计二、制程检验部门检验批数合格批数一次合格率%前月比%异常通知单件数备注三、出货检验出货单号品名型号数量一次合格率%前月比%备注合计共2页第2页第4页共5页第3页共5页编号:时间:2021年x月x日书山有路勤为径,学海无涯苦作舟页码:第4页共5页四、客户投诉出货单号客诉内容责任归属损失金额备注合计五、本月份重大品质异常日期发生部门发生内容处理对策书号备注六、次月份品质活动项次活动项目责任者活动内容计划书号备注总经理:主管:制表:六G05制程别统计分析表第5页共5页第4页共5页编号:时间:2021年x月x日书山有路勤为径,学海无涯苦作舟页码:第5页共5页编号:月份:分析类别进料制程最终客诉1不合格项目数量百分比%累计百分比%备注23456789合计柏拉图分析要因分析对策措施说明:1.将各工程或部门的不良情况加以统计;2.用统计手法进行分析;3.拟订改善对策。

1、当您付费下载文档后,您只拥有了使用权限,并不意味着购买了版权,文档只能用于自身使用,不得用于其他商业用途(如 [转卖]进行直接盈利或[编辑后售卖]进行间接盈利)。
2、本站所有内容均由合作方或网友上传,本站不对文档的完整性、权威性及其观点立场正确性做任何保证或承诺!文档内容仅供研究参考,付费前请自行鉴别。
3、如文档内容存在违规,或者侵犯商业秘密、侵犯著作权等,请点击“违规举报”。

碎片内容

企业管理表格品质管理G纵表格

确认删除?
VIP
微信客服
  • 扫码咨询
会员Q群
  • 会员专属群点击这里加入QQ群
客服邮箱
回到顶部