电脑桌面
添加小米粒文库到电脑桌面
安装后可以在桌面快捷访问

质量检测报告VIP专享VIP免费

质量检测报告_第1页
1/74
质量检测报告_第2页
2/74
质量检测报告_第3页
3/74
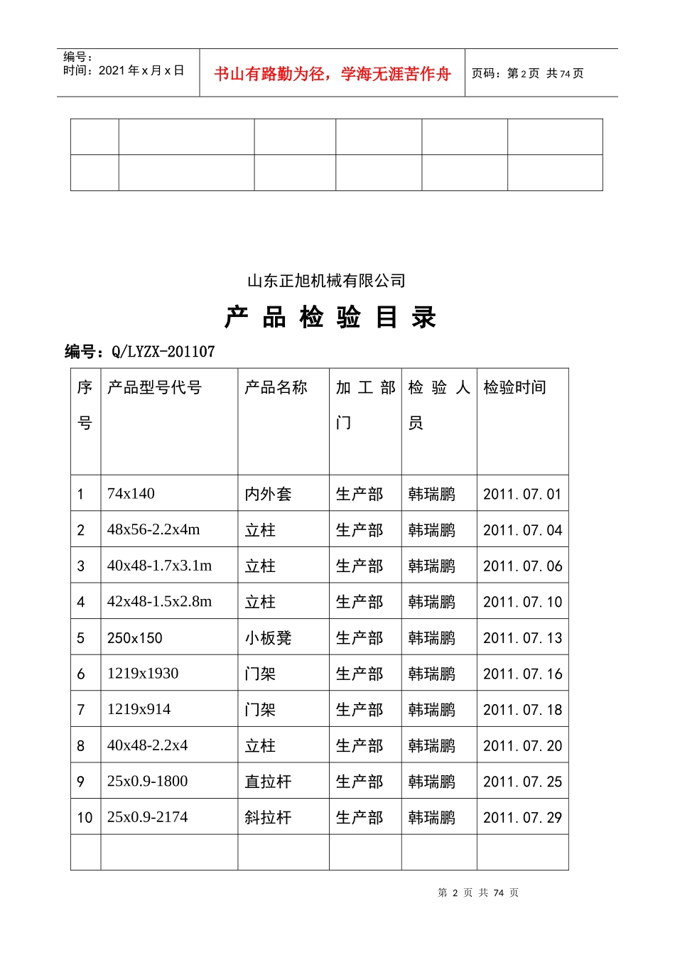
第1页共74页编号:时间:2021年x月x日书山有路勤为径,学海无涯苦作舟页码:第1页共74页山东正旭机械有限公司产品检验目录编号:Q/LYZX-201106序号产品型号代号产品名称加工部门检验人员检验时间148x56-2x3.5立柱生产部韩瑞鹏2011.06.03248x56-1.8x2.3立柱生产部韩瑞鹏2011.06.05348x56-2.5-4.5立柱生产部韩瑞鹏2011.06.08440x48-1700x3100立柱生产部韩瑞鹏2011.06.1252x48-1500x2800立柱生产部韩瑞鹏2011.06.14648x60-2800x5000立柱生产部韩瑞鹏2011.06.18765x130内外套组合生产部韩瑞鹏2011.06.2181219x1700门架生产部韩瑞鹏2011.06.2391700x914门架生产部韩瑞鹏2011.06.251025x0.9-1800直拉杆生产部韩瑞鹏2011.06.261125x0.9-2174斜拉杆生产部韩瑞鹏2011.06.28第2页共74页第1页共74页编号:时间:2021年x月x日书山有路勤为径,学海无涯苦作舟页码:第2页共74页山东正旭机械有限公司产品检验目录编号:Q/LYZX-201107序号产品型号代号产品名称加工部门检验人员检验时间174x140内外套生产部韩瑞鹏2011.07.01248x56-2.2x4m立柱生产部韩瑞鹏2011.07.04340x48-1.7x3.1m立柱生产部韩瑞鹏2011.07.06442x48-1.5x2.8m立柱生产部韩瑞鹏2011.07.105250x150小板凳生产部韩瑞鹏2011.07.1361219x1930门架生产部韩瑞鹏2011.07.1671219x914门架生产部韩瑞鹏2011.07.18840x48-2.2x4立柱生产部韩瑞鹏2011.07.20925x0.9-1800直拉杆生产部韩瑞鹏2011.07.251025x0.9-2174斜拉杆生产部韩瑞鹏2011.07.29第3页共74页第2页共74页编号:时间:2021年x月x日书山有路勤为径,学海无涯苦作舟页码:第3页共74页山东正旭机械有限公司产品检验目录编号:Q/LYZX-201108序号产品型号代号产品名称加工部门检验人员检验时间148x56-1.6x2.9立柱生产部韩瑞鹏2011.08.01248x56-2x3.6立柱生产部韩瑞鹏2011.08.05348x60-1.8x2.3立柱生产部韩瑞鹏2011.08.08448x60-2.8x5立柱生产部韩瑞鹏2011.08.115250x150小板凳生产部韩瑞鹏2011.08.13640x48-2.2x4立柱生产部韩瑞鹏2011.08.1871219x1930门架生产部韩瑞鹏2011.08.22825x0.9-1824直拉杆生产部韩瑞鹏2011.08.25925x0.9-2200斜拉杆生产部韩瑞鹏2011.08.281048x56-2.2x4立柱生产部韩瑞鹏2011.08.30第4页共74页第3页共74页编号:时间:2021年x月x日书山有路勤为径,学海无涯苦作舟页码:第4页共74页临沂正旭机械有限公司产品检验报告编号:Q/LYZX-20110601临沂正旭机械有限公司立柱检验报告日期:2011.06.03第1页共2页产品名称立柱产品代号48x56-2000x3500产品检查主要依据/主要技术参数测量仪器型号/编号检验结果检验员方盘/钩子/挡泥罩材质及尺寸游标卡尺合格韩瑞鹏内外套材质及尺寸游标卡尺螺纹规合格韩瑞鹏方盘、内套、外套焊接焊缝肉眼、焊缝测量仪游标卡尺合格吴敬涛喷塑/镀锌外观及厚度、肉眼、涂层测厚仪合格韩瑞鹏第5页共74页第4页共74页编号:时间:2021年x月x日书山有路勤为径,学海无涯苦作舟页码:第5页共74页总成装配、打包肉眼合格韩瑞鹏质检部门评语本产品经质检部门认真的检查,确定本批产品合格,且质量等级为优良。质检主任王庆来日期2011.06.03临沂正旭机械有限公司立柱检验报告附页编号:Q/LYZX-20110603第2页共2页工序名称图纸尺寸/参数实测结果测量仪改进措施检验员内管下料2000+1.5^-1.52001卷尺---吴敬涛内管下料1400+1.5^-1.51401.5卷尺---吴敬涛方盘(120x120x4)+1.5^-1.5120.5卡尺---韩瑞鹏钩子14x17514x175.5卡尺---韩瑞鹏挡泥罩73x273.3x2卡尺---韩瑞鹏内外套下料70x13570x134.8卡尺---韩瑞鹏机加工内套T65X6.35T65X6.35有毛刺螺纹规卡尺打毛刺韩瑞鹏机加工外套T64X6.35T65X6.35螺纹规卡尺---韩瑞鹏外套手柄焊接焊缝高3mm3.5mm焊缝测量---吴敬涛第6页共74页第5页共74页编号:时间:2021年x月x日书山有路勤为径,学海无涯苦作舟页码:第6页共74页仪放盘焊接焊缝高3mm3.2mm焊缝测量仪---吴敬涛内套焊接焊缝高5mm4.9mm有焊渣焊缝测量仪打磨吴敬涛内管钻孔15.515.6卡尺---吴敬涛喷塑红色喷塑50微米60微米目测、测厚仪---韩瑞鹏装配、打包钢带打包钢带打包、整齐目测---韩瑞鹏合格证带合格证带合格证目测---韩瑞鹏质检主任王庆来日期2011.6.3临沂正旭机...

1、当您付费下载文档后,您只拥有了使用权限,并不意味着购买了版权,文档只能用于自身使用,不得用于其他商业用途(如 [转卖]进行直接盈利或[编辑后售卖]进行间接盈利)。
2、本站所有内容均由合作方或网友上传,本站不对文档的完整性、权威性及其观点立场正确性做任何保证或承诺!文档内容仅供研究参考,付费前请自行鉴别。
3、如文档内容存在违规,或者侵犯商业秘密、侵犯著作权等,请点击“违规举报”。

碎片内容

质量检测报告

精华资料店+ 关注
实名认证
内容提供者

大量教育教学资料

确认删除?
VIP
微信客服
  • 扫码咨询
会员Q群
  • 会员专属群点击这里加入QQ群
客服邮箱
回到顶部