电脑桌面
添加小米粒文库到电脑桌面
安装后可以在桌面快捷访问

人防工程分项工程质量验收记录表VIP专享VIP免费

人防工程分项工程质量验收记录表_第1页
1/184
人防工程分项工程质量验收记录表_第2页
2/184
人防工程分项工程质量验收记录表_第3页
3/184
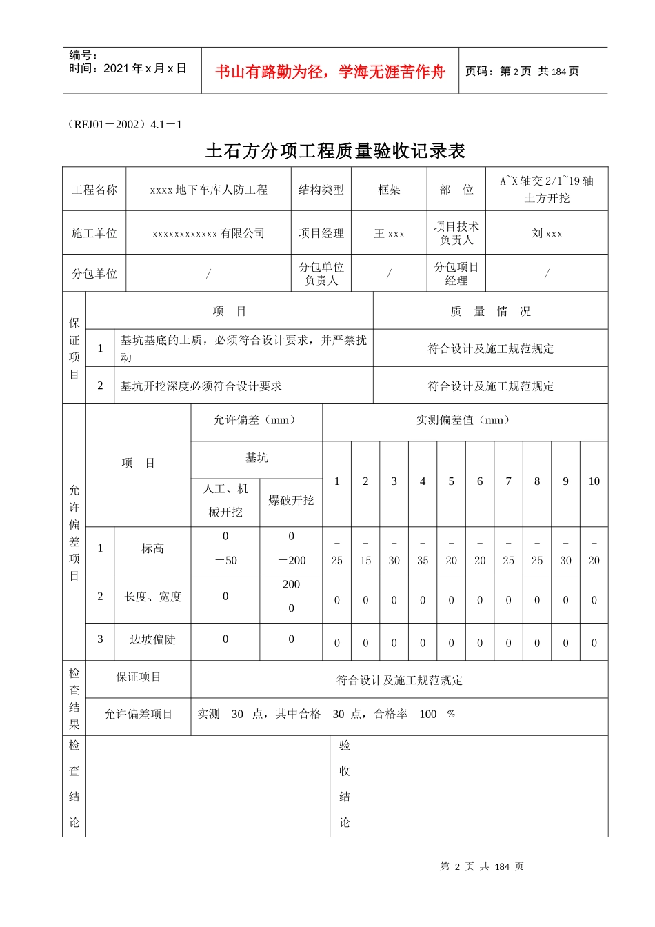
第1页共184页编号:时间:2021年x月x日书山有路勤为径,学海无涯苦作舟页码:第1页共184页一、分项工程质量验收记录表1.结构工程第2页共184页第1页共184页编号:时间:2021年x月x日书山有路勤为径,学海无涯苦作舟页码:第2页共184页(RFJ01-2002)4.1-1土石方分项工程质量验收记录表工程名称xxxx地下车库人防工程结构类型框架部位A~X轴交2/1~19轴土方开挖施工单位xxxxxxxxxxxx有限公司项目经理王xxx项目技术负责人刘xxx分包单位/分包单位负责人/分包项目经理/保证项目项目质量情况1基坑基底的土质,必须符合设计要求,并严禁扰动符合设计及施工规范规定2基坑开挖深度必须符合设计要求符合设计及施工规范规定允许偏差项目项目允许偏差(mm)实测偏差值(mm)基坑12345678910人工、机械开挖爆破开挖1标高0-500-200-25-15-30-35-20-20-25-25-30-202长度、宽度0200000000000003边坡偏陡000000000000检查结果保证项目符合设计及施工规范规定允许偏差项目实测30点,其中合格30点,合格率100﹪检查结论验收结论第3页共184页第2页共184页编号:时间:2021年x月x日书山有路勤为径,学海无涯苦作舟页码:第3页共184页专业技术负责人年月日监理工程师年月日模板第4页共184页第3页共184页编号:时间:2021年x月x日书山有路勤为径,学海无涯苦作舟页码:第4页共184页(RFJ01-2002)4.8-1模板分项工程质量验收记录表工程名称xxxx地下车库人防工程结构类型框架部位T~W轴北后浇带交2/1~10轴基础垫层施工单位xxxxxxxxxxxx有限公司项目经理王xxx项目技术负责人刘xxx分包单位/分包单位负责人/分包项目经理/保证项目项目质量情况1模板及其支架必须具有足够的强度、刚度和稳定性;能可靠地承受新浇注砼的自重和侧压力,及施工中产生的荷载;保证结构和构件外形尺寸及相互位置的正确符合设计及施工规范规定2临空墙、门框墙的模板安装,其固定模板的对拉螺栓上严禁采用套管、砼预制件等符合设计及施工规范规定基本项目项目质量情况等级123456789101接缝宽度√√√√√√√√O√优良2接触面清理隔离措施墙、板(拱)梁、柱允许偏差项目项目允许偏差(mm)实测偏差值(mm)123456789101轴线位移544413562132标高±53截面尺寸±5+2-5+4+3-5+4-2+2-5+44垂直度35相邻两板表面高低差26表面平整度57预埋管、预留孔中心线位移38预埋螺栓中心线位移2外露长度±10-09预留洞中心线位移10截面内部尺寸±10-0检查结果保证项目符合设计及施工规范规定基本项目检查10项,其中优良9项,优良率90﹪允许偏差项目实测20点,其中合格19点,合格率95﹪第5页共184页第4页共184页编号:时间:2021年x月x日书山有路勤为径,学海无涯苦作舟页码:第5页共184页检查结论专业技术负责人年月日验收结论监理工程师年月日第6页共184页第5页共184页编号:时间:2021年x月x日书山有路勤为径,学海无涯苦作舟页码:第6页共184页(RFJ01-2002)4.8-1模板分项工程质量验收记录表工程名称xxxx地下车库人防工程结构类型框架部位L-T/1-10轴基础垫层施工单位xxxxxxxxxxxx有限公司项目经理王xxx项目技术负责人刘xxx分包单位/分包单位负责人/分包项目经理/保证项目项目质量情况1模板及其支架必须具有足够的强度、刚度和稳定性;能可靠地承受新浇注砼的自重和侧压力,及施工中产生的荷载;保证结构和构件外形尺寸及相互位置的正确符合设计及施工规范规定2临空墙、门框墙的模板安装,其固定模板的对拉螺栓上严禁采用套管、砼预制件等符合设计及施工规范规定基本项目项目质量情况等级123456789101接缝宽度√√√√√√√√√√优良2接触面清理隔离措施墙、板(拱)梁、柱允许偏差项目项目允许偏差(mm)实测偏差值(mm)123456789101轴线位移535625421312标高±53截面尺寸±5+3+4-5+3-1+2-4+5+2-34垂直度35相邻两板表面高低差26表面平整度57预埋管、预留孔中心线位移38预埋螺栓中心线位移2外露长度±10-09预留洞中心线位移10截面内部尺寸±10-0检查结果保证项目符合设计及施工规范规定基本项目检查10项,其中优良10项,优良率100﹪允许偏差项目实测20点,其中合格19点,合格率95﹪第7页共184页第6页共184页编号:时间:2021年x月x日书山有路...

1、当您付费下载文档后,您只拥有了使用权限,并不意味着购买了版权,文档只能用于自身使用,不得用于其他商业用途(如 [转卖]进行直接盈利或[编辑后售卖]进行间接盈利)。
2、本站所有内容均由合作方或网友上传,本站不对文档的完整性、权威性及其观点立场正确性做任何保证或承诺!文档内容仅供研究参考,付费前请自行鉴别。
3、如文档内容存在违规,或者侵犯商业秘密、侵犯著作权等,请点击“违规举报”。

碎片内容

人防工程分项工程质量验收记录表

确认删除?
VIP
微信客服
  • 扫码咨询
会员Q群
  • 会员专属群点击这里加入QQ群
客服邮箱
回到顶部