电脑桌面
添加小米粒文库到电脑桌面
安装后可以在桌面快捷访问

地面水泥混凝土面层工程检验批质量验收记录表VIP免费

地面水泥混凝土面层工程检验批质量验收记录表_第1页
1/6
地面水泥混凝土面层工程检验批质量验收记录表_第2页
2/6
地面水泥混凝土面层工程检验批质量验收记录表_第3页
3/6
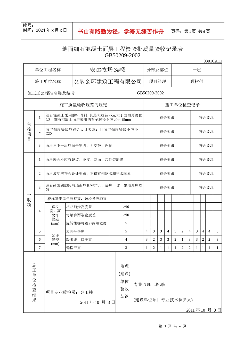
第1页共6页编号:时间:2021年x月x日书山有路勤为径,学海无涯苦作舟页码:第1页共6页地面细石混凝土面层工程检验批质量验收记录表GB50209-2002030102□□单位工程名称安达牧场3#楼分部及部位一层施工单位名称农垦金环建筑工程有限公司项目经理顾树付施工工艺标准名称及编号GB50209-2002施工质量验收规范的规定施工单位检查记录主控项目1细石混凝土采用的粗骨料.其最大粒径不应大于面层厚度的2/3,细石混凝土面层采用的石子粒径不应大于15mm符合要求符合要求2面层强度等级应符合设计要求;且面层强度等级不应小于C20符合要求符合要求3面层与下一层应结合牢固,无空鼓、裂纹符合要求符合要求一般项目1面层表面不应有裂纹、脱皮、麻面、起砂等缺陷符合要求符合要求2面层坡度应符合设计要求,不得有倒泛水和积水现象符合要求符合要求3细石砂浆踢脚线与墙面应紧密结合,高度一致,出墙厚度均匀符合要求符合要求4楼梯踏步齿角应整齐,防滑条应顺直踏步宽、高允许偏差(mm)相邻踏步高度差≯�10每踏步两端宽度差≯�10旋转楼梯每踏步两端宽度55允许偏差(mm)表面平整度5433432434436踢脚线上口平直4323321332237缝格平直312111221111施工单位检查结果项目专业质检员:金玉柱2011年10月3日监理(建设)单位验收结论专业监理工程师:(建设单位项目专业技术负责人)2011年10月3日第2页共6页第1页共6页编号:时间:2021年x月x日书山有路勤为径,学海无涯苦作舟页码:第2页共6页地面细石混凝土面层工程检验批质量验收记录表GB50209-2002030102□□单位工程名称安达牧场3#楼分部及部位二层施工单位名称农垦金环建筑工程有限公司项目经理顾树付施工工艺标准名称及编号GB50209-2002施工质量验收规范的规定施工单位检查记录主控项目1细石混凝土采用的粗骨料.其最大粒径不应大于面层厚度的2/3,细石混凝土面层采用的石子粒径不应大于15mm符合要求符合要求2面层强度等级应符合设计要求;且面层强度等级不应小于C20符合要求符合要求3面层与下一层应结合牢固,无空鼓、裂纹符合要求符合要求一般项目1面层表面不应有裂纹、脱皮、麻面、起砂等缺陷符合要求符合要求2面层坡度应符合设计要求,不得有倒泛水和积水现象符合要求符合要求3细石砂浆踢脚线与墙面应紧密结合,高度一致,出墙厚度均匀符合要求符合要求4楼梯踏步齿角应整齐,防滑条应顺直踏步宽、高允许偏差(mm)相邻踏步高度差≯�10每踏步两端宽度差≯�10旋转楼梯每踏步两端宽度55允许偏差(mm)表面平整度5434432334436踢脚线上口平直4323223332237缝格平直312111211111施工单位检查结果项目专业质检员:金玉柱2011年10月4日监理(建设)单位验收结论专业监理工程师:(建设单位项目专业技术负责人)第3页共6页第2页共6页编号:时间:2021年x月x日书山有路勤为径,学海无涯苦作舟页码:第3页共6页2011年10月4日地面细石混凝土面层工程检验批质量验收记录表GB50209-2002030102□□单位工程名称安达牧场3#楼分部及部位三层施工单位名称农垦金环建筑工程有限公司项目经理顾树付施工工艺标准名称及编号GB50209-2002施工质量验收规范的规定施工单位检查记录主控项目1细石混凝土采用的粗骨料.其最大粒径不应大于面层厚度的2/3,细石混凝土面层采用的石子粒径不应大于15mm符合要求符合要求2面层强度等级应符合设计要求;且面层强度等级不应小于C20符合要求符合要求3面层与下一层应结合牢固,无空鼓、裂纹符合要求符合要求一般项目1面层表面不应有裂纹、脱皮、麻面、起砂等缺陷符合要求符合要求2面层坡度应符合设计要求,不得有倒泛水和积水现象符合要求符合要求3细石砂浆踢脚线与墙面应紧密结合,高度一致,出墙厚度均匀符合要求符合要求4楼梯踏步齿角应整齐,防滑条应顺直踏步宽、高允许偏差(mm)相邻踏步高度差≯�10每踏步两端宽度差≯�10旋转楼梯每踏步两端宽度55允许偏差(mm)表面平整度5434432334436踢脚线上口平直4323223332237缝格平直312111211111第4页共6页第3页共6页编号:时间:2021年x月x日书山有路勤为径,学海无涯苦作舟页码:第4页共6页施工单位检查结果项目专业质检员:金玉柱2011年10月5日监理(建设)单位验收结论专业监理工程师:(建设单位项目专业...

1、当您付费下载文档后,您只拥有了使用权限,并不意味着购买了版权,文档只能用于自身使用,不得用于其他商业用途(如 [转卖]进行直接盈利或[编辑后售卖]进行间接盈利)。
2、本站所有内容均由合作方或网友上传,本站不对文档的完整性、权威性及其观点立场正确性做任何保证或承诺!文档内容仅供研究参考,付费前请自行鉴别。
3、如文档内容存在违规,或者侵犯商业秘密、侵犯著作权等,请点击“违规举报”。

碎片内容

地面水泥混凝土面层工程检验批质量验收记录表

您可能关注的文档

确认删除?
VIP
微信客服
  • 扫码咨询
会员Q群
  • 会员专属群点击这里加入QQ群
客服邮箱
回到顶部