电脑桌面
添加小米粒文库到电脑桌面
安装后可以在桌面快捷访问

XXXX版电力建设施工质量验收及评价规程表格VIP免费

XXXX版电力建设施工质量验收及评价规程表格_第1页
1/294
XXXX版电力建设施工质量验收及评价规程表格_第2页
2/294
XXXX版电力建设施工质量验收及评价规程表格_第3页
3/294
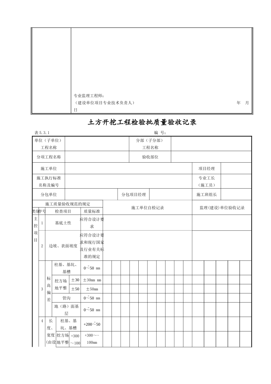
单位工程定位放线检验批质量验收记录表5.2.1编号:单位(子单位)分部(子分部)分项工程名称验收部位施工单位项目经理施工执行标准名称及编号专业工长(施工员)分包单位分包项目经理施工班组长施工质量验收规范的规定施工单位自检记录监理(建设)单位验收记录类别序号检查项目质量标准主控项目1控制桩测设根据建(构)筑物的主轴线设控制桩。桩深度应超过冰冻土层。主厂房桩数不应少于12个,其它主要建(构)筑物不应少于4个2平面控制桩精度应符合二级导线的精度要求,主厂房和输煤系统建筑物且应符合现行有关标准的规定3高程控制桩精度应符合三等水准的精度要求施工单位检查结果项目专业质量检查员:项目专业技术负责人:年月日监理(建设)单位验收结论专业监理工程师:(建设单位项目专业技术负责人)年月日土方开挖工程检验批质量验收记录表5.3.1编号:单位(子单位)工程名称分部(子分部)工程名称分项工程名称验收部位施工单位项目经理施工执行标准名称及编号专业工长(施工员)分包单位分包项目经理施工班组长施工质量验收规范的规定施工单位自检记录监理(建设)单位验收记录类别序号检查项目质量标准主控项目1基底土性应符合设计要求2边坡、表面坡度应符合设计要求和现行国家及行业有关标准的规定3标高偏差柱基、基坑、基槽0~50mm挖方场地平整±30±30mmmm±50±50mm管沟0~50mm地(路)面基层0~50mm4长度、宽度(由设柱基、基坑、基槽+200~50挖方场地平整+300~100+300~-100mm计中心线向两+500~150+500~-150mm管沟+200~50一般项目1表面平整度柱基、基坑、基槽≤20挖方场地平整人工≤20mm机械≤50mm管沟≤20地(路)面基层≤20施工单位检查评定结果项目专业项目专业质量检查员:技术负责人:年月日监理(建设)单位验收结论专业监理工程师:(建设单位项目专业技术负责人)年月日a地(路)面基层的偏差只适用于直接在挖、填方上做地(路)面的基层。土方回填工程检验批质量验收记录表5.3.2编号:单位(子单位)工程名称分部(子分部)工程名称分项工程名称验收部位施工单位项目经理施工执行标准名称及编号专业工长(施工员)分包单位分包项目经理施工班组长施工质量验收规范的规定施工单位自检记录监理(建设)单位验收记录类别序号检查项目质量标准主控项目1基底处理必须符合设计要求和现行国家及行业有关标准的规定2分层压实系数必须符合设计要求3边坡坡度应符合设计要求和现行国家及行业有关标准及施工技术措施规定4标高偏差柱基、基坑、基槽0~50mm场地平整±30±30mm±50±50mm管沟0~50mm地(路)面基层0~50mm一般项目l回填土料应符合设计要求2分层厚度及含水量应符合设计要求3表面平整度柱基、基坑、基槽≤20mm挖方场地平整人工≤20mm机械≤30mm管沟≤20mm地(路)面基层≤20mm施工单位检查结果项目专业项目专业质量检查员:技术负责人:年月日监理(建设)单位验收结论专业监理工程师(建设单位项目专业技术负责人)年月日石方爆破开挖工程检验批质量验收记录表5.3.3编号:单位(子单位)工程名称分部(子分部)工程名称施工单位验收部位施工单位项目经理施工执行标准名称及编号专业工长(施工员)分包单位分包项目经理施工班组长施工质量验收规范的规定施工单位自检记录监理(建设)单位验收记录类别序号检查项目质量标准主控项目1底基岩土质必须符合设计要求2边坡坡度偏差应符合设计要求,不允许偏陡,稳定无松石一般项目1顶面标高偏差基坑、基槽、管沟0~200mm场地平整+100~300mm2几何尺寸偏差基坑、基槽、管沟+200~0mm场地平整+400~100mm施工单位检查结果项目专业项目专业质量检查员:技术负责人:年月日监理(建设)单位验收结论专业监理工程师:(建设单位项目专业技术负责人)年月日重复使用钢板桩支护工程检验批质量验收记录表5.3.4编号:单位(子单位)工程名称分部(子分部)工程名称施工单位验收部位施工单位项目经理施工执行标准名称及编号专业工长(施工员)分包单位分包项目经理施工班组长施工质量验收规范的规定施工单位自检记录监理(建设)单位验收记录类别序号检查项目质量标准主控项目1钢板桩质量应符合设计要求和现行有关标准的规...

1、当您付费下载文档后,您只拥有了使用权限,并不意味着购买了版权,文档只能用于自身使用,不得用于其他商业用途(如 [转卖]进行直接盈利或[编辑后售卖]进行间接盈利)。
2、本站所有内容均由合作方或网友上传,本站不对文档的完整性、权威性及其观点立场正确性做任何保证或承诺!文档内容仅供研究参考,付费前请自行鉴别。
3、如文档内容存在违规,或者侵犯商业秘密、侵犯著作权等,请点击“违规举报”。

碎片内容

XXXX版电力建设施工质量验收及评价规程表格

精华资料店+ 关注
实名认证
内容提供者

大量教育教学资料

确认删除?
VIP
微信客服
  • 扫码咨询
会员Q群
  • 会员专属群点击这里加入QQ群
客服邮箱
回到顶部