电脑桌面
添加小米粒文库到电脑桌面
安装后可以在桌面快捷访问

住宅工程门窗、栏杆安装质量分户验收记录表(表2)VIP专享VIP免费

住宅工程门窗、栏杆安装质量分户验收记录表(表2)_第1页
1/56
住宅工程门窗、栏杆安装质量分户验收记录表(表2)_第2页
2/56
住宅工程门窗、栏杆安装质量分户验收记录表(表2)_第3页
3/56
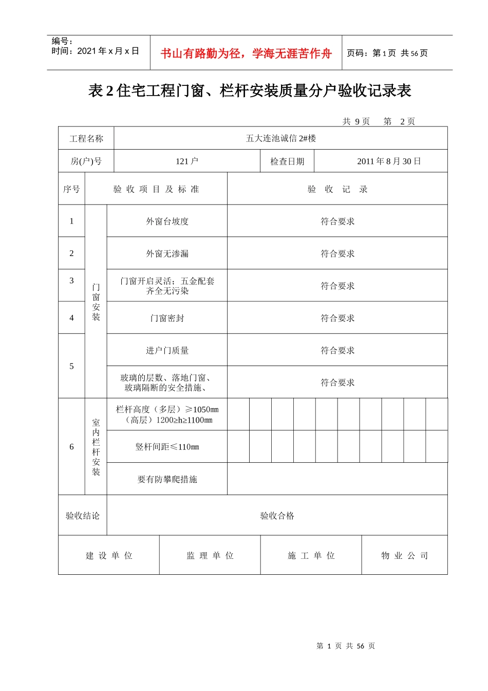
第1页共56页编号:时间:2021年x月x日书山有路勤为径,学海无涯苦作舟页码:第1页共56页表2住宅工程门窗、栏杆安装质量分户验收记录表共9页第2页工程名称五大连池诚信2#楼房(户)号121户检查日期2011年8月30日序号验收项目及标准验收记录1门窗安装外窗台坡度符合要求2外窗无渗漏符合要求3门窗开启灵活;五金配套齐全无污染符合要求4门窗密封符合要求5进户门质量符合要求玻璃的层数、落地门窗、玻璃隔断的安全措施、符合要求6室内栏杆安装栏杆高度(多层)≥1050㎜(高层)1200≥h≥1100㎜竖杆间距≤110㎜要有防攀爬措施验收结论验收合格建设单位监理单位施工单位物业公司第2页共56页第1页共56页编号:时间:2021年x月x日书山有路勤为径,学海无涯苦作舟页码:第2页共56页验收人员:验收人员:验收人员:验收人员:表2住宅工程门窗、栏杆安装质量分户验收记录表共9页第2页工程名称五大连池市诚信2#楼房(户)号122户检查日期2011年8月30日序号验收项目及标准验收记录1门窗安装外窗台坡度符合要求2外窗无渗漏符合要求3门窗开启灵活;五金配套齐全无污染符合要求4门窗密封符合要求5进户门质量符合要求玻璃的层数、落地门窗、玻璃隔断的安全措施、符合要求6室内栏杆安装栏杆高度(多层)≥1050㎜(高层)1200≥h≥1100㎜竖杆间距≤110㎜要有防攀爬措施验收结论验收合格第3页共56页第2页共56页编号:时间:2021年x月x日书山有路勤为径,学海无涯苦作舟页码:第3页共56页建设单位监理单位施工单位物业公司验收人员:验收人员:验收人员:验收人员:表2住宅工程门窗、栏杆安装质量分户验收记录表共9页第2页工程名称五大连池市诚信2#楼房(户)号131户检查日期2011年8月30日序号验收项目及标准验收记录1门窗安装外窗台坡度符合要求2外窗无渗漏符合要求3门窗开启灵活;五金配套齐全无污染符合要求4门窗密封符合要求5进户门质量符合要求玻璃的层数、落地门窗、玻璃隔断的安全措施、符合要求6室内栏杆安装栏杆高度(多层)≥1050㎜(高层)1200≥h≥1100㎜竖杆间距≤110㎜要有防攀爬措施第4页共56页第3页共56页编号:时间:2021年x月x日书山有路勤为径,学海无涯苦作舟页码:第4页共56页验收结论验收合格建设单位监理单位施工单位物业公司验收人员:验收人员:验收人员:验收人员:表2住宅工程门窗、栏杆安装质量分户验收记录表共9页第2页工程名称五大连池市诚信2#楼房(户)号132户检查日期2011年8月30日序号验收项目及标准验收记录1门窗安装外窗台坡度符合要求2外窗无渗漏符合要求3门窗开启灵活;五金配套齐全无污染符合要求4门窗密封符合要求5进户门质量符合要求玻璃的层数、落地门窗、玻璃隔断的安全措施、符合要求6室内栏杆安装栏杆高度(多层)≥1050㎜(高层)1200≥h≥1100㎜竖杆间距≤110㎜第5页共56页第4页共56页编号:时间:2021年x月x日书山有路勤为径,学海无涯苦作舟页码:第5页共56页要有防攀爬措施验收结论验收合格建设单位监理单位施工单位物业公司验收人员:验收人员:验收人员:验收人员:表2住宅工程门窗、栏杆安装质量分户验收记录表共9页第2页工程名称五大连池市诚信2#楼房(户)号141户检查日期2011年8月30日序号验收项目及标准验收记录1门窗安装外窗台坡度符合要求2外窗无渗漏符合要求3门窗开启灵活;五金配套齐全无污染符合要求4门窗密封符合要求5进户门质量符合要求玻璃的层数、落地门窗、玻璃隔断的安全措施、符合要求6室内栏栏杆高度(多层)≥1050㎜(高层)1200≥h≥1100㎜第6页共56页第5页共56页编号:时间:2021年x月x日书山有路勤为径,学海无涯苦作舟页码:第6页共56页杆安装竖杆间距≤110㎜要有防攀爬措施验收结论验收合格建设单位监理单位施工单位物业公司验收人员:验收人员:验收人员:验收人员:表2住宅工程门窗、栏杆安装质量分户验收记录表共9页第2页工程名称五大连池市诚信2#楼房(户)号142户检查日期2011年8月30日序号验收项目及标准验收记录1门窗安装外窗台坡度符合要求2外窗无渗漏符合要求3门窗开启灵活;五金配套齐全无污染符合要求4门窗密封符合要求5进户门质量符合要求玻璃的层数、落地门窗、玻璃隔断的安全措施、符合要求第7页共56页第6页共56页编号:...

1、当您付费下载文档后,您只拥有了使用权限,并不意味着购买了版权,文档只能用于自身使用,不得用于其他商业用途(如 [转卖]进行直接盈利或[编辑后售卖]进行间接盈利)。
2、本站所有内容均由合作方或网友上传,本站不对文档的完整性、权威性及其观点立场正确性做任何保证或承诺!文档内容仅供研究参考,付费前请自行鉴别。
3、如文档内容存在违规,或者侵犯商业秘密、侵犯著作权等,请点击“违规举报”。

碎片内容

住宅工程门窗、栏杆安装质量分户验收记录表(表2)

确认删除?
VIP
微信客服
  • 扫码咨询
会员Q群
  • 会员专属群点击这里加入QQ群
客服邮箱
回到顶部