电脑桌面
添加小米粒文库到电脑桌面
安装后可以在桌面快捷访问

水利水电工程单元工程施工质量验收评定表SL632(混凝土VIP免费

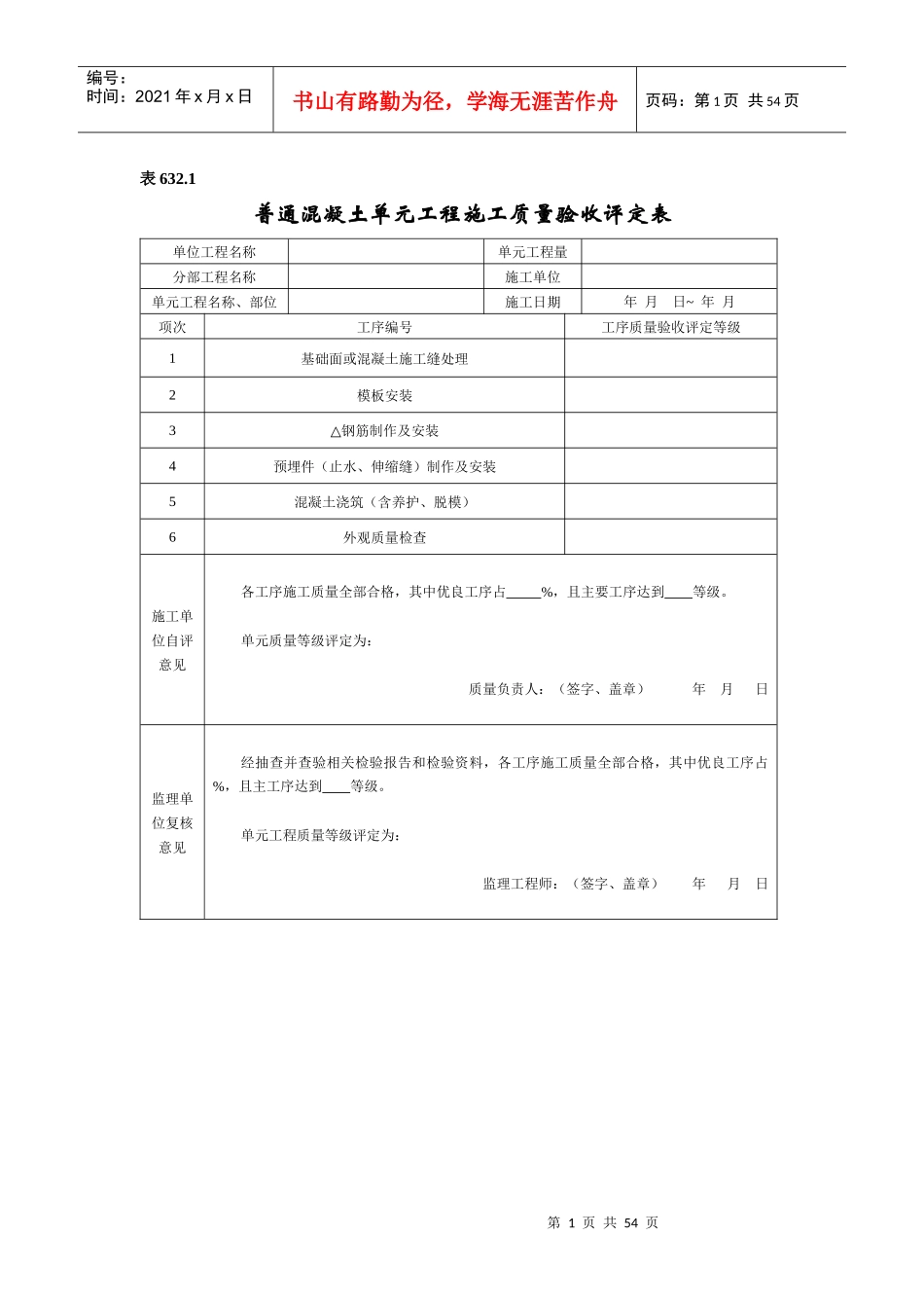
水利水电工程单元工程施工质量验收评定表SL632(混凝土_第1页
1/54
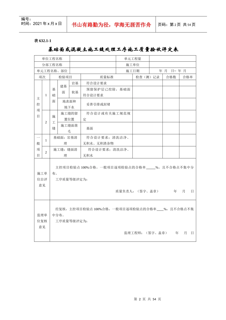
水利水电工程单元工程施工质量验收评定表SL632(混凝土_第2页
2/54
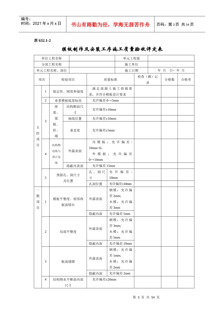
水利水电工程单元工程施工质量验收评定表SL632(混凝土_第3页
3/54
第1页共54页编号:时间:2021年x月x日书山有路勤为径,学海无涯苦作舟页码:第1页共54页表632.1普通混凝土单元工程施工质量验收评定表单位工程名称单元工程量分部工程名称施工单位单元工程名称、部位施工日期年月日~年月项次工序编号工序质量验收评定等级1基础面或混凝土施工缝处理2模板安装3△钢筋制作及安装4预埋件(止水、伸缩缝)制作及安装5混凝土浇筑(含养护、脱模)6外观质量检查施工单位自评意见各工序施工质量全部合格,其中优良工序占%,且主要工序达到等级。单元质量等级评定为:质量负责人:(签字、盖章)年月日监理单位复核意见经抽查并查验相关检验报告和检验资料,各工序施工质量全部合格,其中优良工序占%,且主工序达到等级。单元工程质量等级评定为:监理工程师:(签字、盖章)年月日第2页共54页第1页共54页编号:时间:2021年x月x日书山有路勤为径,学海无涯苦作舟页码:第2页共54页表632.1-1基础面或混凝土施工缝处理工序施工质量验收评定表单位工程名称单元工程量分部工程名称施工单位单元工程名称、部位施工日期年月日~年月项次检验项目质量标准检查(测)记录合格数合格率主控项目1基础面建基面岩基符合设计要求软基预留保护层已挖除,基础面符合设计要求地表面和地下水妥善引排或封堵2施工缝施工缝的留置位置符合设计或有关施工规范规定施工缝面凿毛基面一般项目1基础面:岩基清理符合设计要求;清洗洁净、无积水、无积渣杂物2施工缝:缝面清理符合设计要求;清洗洁净、无积水施工单位自评意见主控项目检验点100%合格,一般项目逐项检验点的合格率%,且不合格点不集中分布。工序质量等级评定为:质量负责人:(签字、盖章)年月日监理单位复核意见经复核,主控项目检验点100%合格,一般项目逐项检验点的合格率%,且不合格点不集中分布。工序质量等级评定为:监理工程师:(签字、盖章)年月日第3页共54页第2页共54页编号:时间:2021年x月x日书山有路勤为径,学海无涯苦作舟页码:第3页共54页表632.1-2模板制作及安装工序施工质量验收评定表单位工程名称单元工程量分部工程名称施工单位单元工程名称、部位施工日期年月日~年月项次检验项目质量标准检查(测)记录合格数合格率主控项目1稳定性、刚度和强度满足混凝土施工荷载要求,并符合模板设计要求2承重模板底部标高允许偏差0~+5mm3排架、梁板、柱、墙结构断面尺寸允许偏差±10mm轴线位置允许偏差±10mm垂直度允许偏差±5mm4结构物边线与设计边线外露表面内模板:允许偏差-10mm~0;外模板:允许偏差0~+10mm隐蔽内表面允许偏差15mm5预留孔、洞尺寸及位置孔、洞尺寸允许偏差-10mm孔洞位置允许偏差±10mm一般项目1模板平整度、相邻两板面错台外露表面钢模:允许偏差2mm;木模:允许偏差3mm隐蔽内面允许偏差5mm2局部平整度外露表面钢模:允许偏差3mm;木模:允许偏差5mm隐蔽内面允许偏差10mm3板面缝隙外露表面钢模:允许偏差1mm;木模:允许偏差2mm隐蔽内面允许偏差2mm4结构物水平断面内部尺寸允许偏差±20mm第4页共54页第3页共54页编号:时间:2021年x月x日书山有路勤为径,学海无涯苦作舟页码:第4页共54页5脱模剂涂刷产品质量符合标准要求,涂刷均匀,无明显色差6模板外观表面光洁、无污物施工单位自评意见主控项目检验点100%合格,一般项目逐项检验点的合格率%,且不合格点不集中分布。工序质量等级评定为:质量负责人:(签字、盖章)年月日监理单位复核意见经复核,主控项目检验点100%合格,一般项目逐项检验点的合格率%,且不合格点不集中分布。工序质量等级评定为:监理工程师:(签字、盖章)年月日注1:外露表面、隐蔽内面系指相应模板的混凝土结构物表面最终所处的位置;注2:有专门要求的高速水流区、溢流面、闸墩、闸门槽等部位的模板,还应符合有关专项设计的要求表632.1-3钢筋制作及安装工序施工质量验收评定表单位工程名称单元工程量分部工程名称施工单位单元工程名称、部位施工日期年月日~年月项次检验项目质量标准检查(测)记录合格数合格率主控项目1钢筋的数量、规格尺寸、安装位置符合质量标准和设计要求2钢筋接头的力学性能符合规范要求和国家及行业规定3焊接接头和焊缝外观不允许有裂...

1、当您付费下载文档后,您只拥有了使用权限,并不意味着购买了版权,文档只能用于自身使用,不得用于其他商业用途(如 [转卖]进行直接盈利或[编辑后售卖]进行间接盈利)。
2、本站所有内容均由合作方或网友上传,本站不对文档的完整性、权威性及其观点立场正确性做任何保证或承诺!文档内容仅供研究参考,付费前请自行鉴别。
3、如文档内容存在违规,或者侵犯商业秘密、侵犯著作权等,请点击“违规举报”。

碎片内容

水利水电工程单元工程施工质量验收评定表SL632(混凝土

确认删除?
VIP
微信客服
  • 扫码咨询
会员Q群
  • 会员专属群点击这里加入QQ群
客服邮箱
回到顶部