电脑桌面
添加小米粒文库到电脑桌面
安装后可以在桌面快捷访问

塑料门窗安装工程检验批质量验收记录表VIP免费

塑料门窗安装工程检验批质量验收记录表_第1页
1/2
塑料门窗安装工程检验批质量验收记录表_第2页
2/2
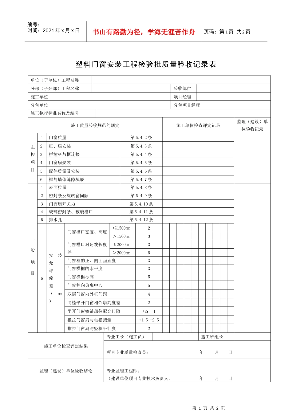
第1页共2页编号:时间:2021年x月x日书山有路勤为径,学海无涯苦作舟页码:第1页共2页塑料门窗安装工程检验批质量验收记录表单位(子单位)工程名称分部(子分部)工程名称验收部位施工单位项目经理分包单位分包项目经理施工执行标准名称及编号施工质量验收规范的规定施工单位检查评定记录监理(建设)单位验收记录主控项目1门窗质量第5.4.2条2框、扇安装第5.4.3条3拼樘料与框连接第5.4.4条4门窗扇安装第5.4.5条5配件质量及安装第5.4.6条6框与墙体缝隙填嵌第5.4.7条一般项目1表面质量第5.4.8条2密封条及旋转窗间隙第5.4.9条3门窗扇开关力第5.4.10条4玻璃密封条、玻璃槽口第5.4.11条5排水孔第5.4.12条6安装允许偏差(mm)门窗槽口宽度、高度≤1500mm2>1500mm3门窗槽口对角线长度差≤2000mm3>2000mm5门窗框的正、侧面垂直度3门窗横框的水平度3门窗横框标高5门窗竖向偏离中心5双层门窗内外框间距4同樘平开门窗相邻扇高度差2平开门窗铰链部位配合门隙+2;-1推拉门窗扇与框搭接量+1.5;-2.5推拉门窗扇与竖框平行度2施工单位检查评定结果专业工长(施工员)施工班组长项目专业质量检查员:年月日监理(建设)单位验收结论专业监理工程师:(建设单位项目专业技术负责人)年月日第2页共2页第1页共2页编号:时间:2021年x月x日书山有路勤为径,学海无涯苦作舟页码:第2页共2页说明主控项目1、塑料门窗的品种、类型、规格、尺寸、开启方向、安装位置、连接方式及填嵌密封处理应符合设计要求,内衬增强型钢的壁厚及设置应符合国家现行产品标准的质量要求。观察和尺量检查;检查产品合格证书、性能检测报告、进场验收记录和复验报告及隐蔽工程验收记录。2、塑料门窗框、副框和扇的安装必须牢固。固定片或膨胀螺栓的数量与位置应正确,连接方式应符合设计要求。固定点应距窗角、中横框、中竖框150~200mm,固定点间距应不大于600mm。观察和手扳检查和检查隐蔽工程验收记录。3、塑料门窗拼樘料内衬增强型钢的规格、壁厚必须符合设计要求,型钢应与型材内腔紧密吻合,其两端必须与洞口固定牢固。窗框必须与拼樘料连接紧密,固定点间距应不大于600mm。观察、手扳和尺量检查;检查进场验收记录。4、塑料门窗扇应开关灵活、关闭严密,无倒翘。推拉门窗扇必须有防脱落措施。观察、开闭和手扳检查。5、塑料门窗配件的型号、规格、数量应符合设计要求,安装应牢固,位置应正确,功能应满足使用要求。观察和手扳检查和尺量检查。6、塑料门窗框与墙体间缝隙应采用闭孔弹性材料填嵌饱满,表面应采用密封胶密封。密封胶应粘结牢固,表面应光滑、顺直、无裂纹。观察检查;检查隐蔽工程验收记录。一般项目1、塑料门窗表面应洁净、平整、光滑,大面应无划痕、碰伤。观察检查。2、塑料门窗扇的密封条不得脱槽。旋转窗间隙应基本均匀。3、塑料门窗扇的开关力应符合下列规定:(1)平开门窗扇平铰链的开关力应不大于80N;滑撑铰链的开关力应不大80N,并不小于30N。(2)推拉门窗扇的开关力应不大于l00N。观察和用弹簧秤检查。4、玻璃密封条与玻璃及玻璃槽口的接缝应平整,不得卷边、脱槽。观察检查。5、水孔应畅通,位置和数量应符合设计要求。观察检查。6、塑料门窗安装的允许偏差的检验方法:(1)门窗槽口宽度、高度,用钢尺检查(2)门窗槽口对角线长度差,用钢尺检查(3)门窗框的正、侧面垂直度,用1m垂直检测尺检查(4)门窗横框的水平度,用1m水平尺和塞尺检查(5)门窗横框标高,用钢尺检查(6)门窗竖向偏离中心,用钢直尺检查(7)双层门窗内外框间距,用钢尺检查(8)同樘平开门窗相邻扇高度差,用钢直尺检查(9)平开门窗铰链部位配合间隙,用塞尺检查(10)推拉门窗扇与框搭接量,用钢直尺检查(11)推拉门窗扇与竖框平行度,用1m水平尺和塞尺检查

1、当您付费下载文档后,您只拥有了使用权限,并不意味着购买了版权,文档只能用于自身使用,不得用于其他商业用途(如 [转卖]进行直接盈利或[编辑后售卖]进行间接盈利)。
2、本站所有内容均由合作方或网友上传,本站不对文档的完整性、权威性及其观点立场正确性做任何保证或承诺!文档内容仅供研究参考,付费前请自行鉴别。
3、如文档内容存在违规,或者侵犯商业秘密、侵犯著作权等,请点击“违规举报”。

碎片内容

塑料门窗安装工程检验批质量验收记录表

您可能关注的文档

确认删除?
VIP
微信客服
  • 扫码咨询
会员Q群
  • 会员专属群点击这里加入QQ群
客服邮箱
回到顶部