电脑桌面
添加小米粒文库到电脑桌面
安装后可以在桌面快捷访问

成品质量管理(1)VIP免费

成品质量管理(1)_第1页
1/10
成品质量管理(1)_第2页
2/10
成品质量管理(1)_第3页
3/10
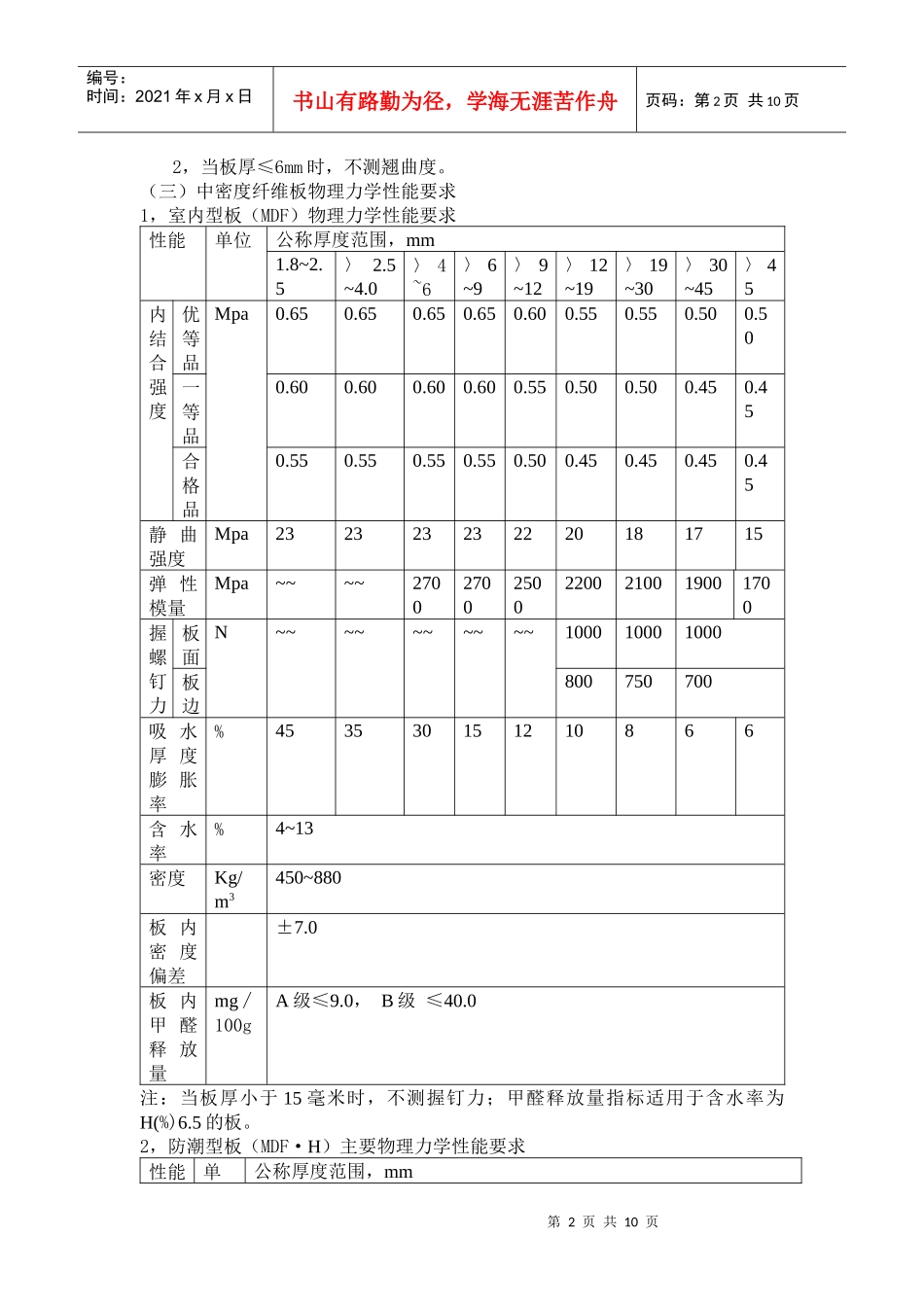
第1页共10页编号:时间:2021年x月x日书山有路勤为径,学海无涯苦作舟页码:第1页共10页成品质量管理制度产品质量是企业生产技术和管理工作的综合反映,加强质量管理工作,保证和提高产品质量,是搞好企业生产经营活动的一项基本内容,是提高产品竞争力、增加企业经济效益的重要途径。成品检验员的工作准则公平公正敬业专业1,凡入库的成品应按照规格分类存放,不得混淆,外包装应整洁、无破损。每一项一次罚款10元。2,出厂成品的各项指标必须符合单位规定的企业标准(高于国家标准)。3,在成品上打印的等级编号必须清晰、规整。不清晰或不规整,每一项一次罚款10元。4,产品出厂后因质量问题造成退货、索赔等,根据其生产日期及产品编号,追究质检员及有关部门负责人的责任,并对直接责任人进行100~200元的罚款。5,技术质检部门负责人要按时组织有关人员听取销售人员的反馈意见,及时改进和提高产品质量。菏泽大地木业有限公司2005-4-10中密度纤维板国家标准(GB\T11718-1999)中密度纤维板按适用条件分为三种类型:(1)室内型板,用MDF表示。(2)防潮型板,用MDF·H表示。(3)室外型板,用MDF·E表示。产品级别按内结合强度分为优等品、一等品、合格品三个等级。(一)表面外观质量产品表明外观质量应符合下表规定,偏差在范围之内的缺陷不计,表中未列出,对使用有影响的缺陷不允许。缺陷名称缺陷规定允许范围优等品一等品合格品局部松软直径≤50mm不允许3个边角缺损宽度≤10mm不允许允许油污直径≤8mm不允许1个炭化――――――――不允许(二)产品规格尺寸偏差应符合下表规定。性能单位公称厚度范围≤19〉19厚度偏差mm±0.20±0.30长度和宽度偏差mm∕m±2.0对角线差mm≤6翘曲度mm∕m≤5.0边缘不直度mm∕m±1.5注:1,每张板内各测量点的厚度不得超过其算术平均值的±0.15mm。第2页共10页第1页共10页编号:时间:2021年x月x日书山有路勤为径,学海无涯苦作舟页码:第2页共10页2,当板厚≤6mm时,不测翘曲度。(三)中密度纤维板物理力学性能要求1,室内型板(MDF)物理力学性能要求性能单位公称厚度范围,mm1.8~2.5〉2.5~4.0〉4~6〉6~9〉9~12〉12~19〉19~30〉30~45〉45内结合强度优等品Mpa0.650.650.650.650.600.550.550.500.50一等品0.600.600.600.600.550.500.500.450.45合格品0.550.550.550.550.500.450.450.450.45静曲强度Mpa232323232220181715弹性模量Mpa~~~~2700270025002200210019001700握螺钉力板面N~~~~~~~~~~100010001000板边800750700吸水厚度膨胀率%453530151210866含水率%4~13密度Kg/m3450~880板内密度偏差±7.0板内甲醛释放量mg∕100gA级≤9.0,B级≤40.0注:当板厚小于15毫米时,不测握钉力;甲醛释放量指标适用于含水率为H(%)6.5的板。2,防潮型板(MDF·H)主要物理力学性能要求性能单公称厚度范围,mm第3页共10页第2页共10页编号:时间:2021年x月x日书山有路勤为径,学海无涯苦作舟页码:第3页共10页位1.8~2.5〉2.5~4.0〉4~6〉6~9〉9~12〉12~19〉19~30〉30~45〉45吸水厚度膨胀率(湿循环性能测定)%35301812108776内结合强度Mpa0.700.700.700.800.800.750.750.700.60静曲强度Mpa272727272624221715弹性模量Mpa270027002700270025002400230022002000内结合强度%504025191615151515内结合强度(湿循环性能测定)Mpa0.350.350.350.300.250.200.150.100.10内结合强度(沸腾试验)Mpa0.200.200.200.150.150.120.120.100.103,室外型板(MDF·E)物理力学性能要求第4页共10页第3页共10页编号:时间:2021年x月x日书山有路勤为径,学海无涯苦作舟页码:第4页共10页性能单位公称厚度范围,mm1.8~2.5〉2.5~4.0〉4~6〉6~9〉9~12〉12~19〉19~30〉30~45〉45吸水厚度膨胀率%35301812108776内结合强度Mpa0.700.700.700.800.800.750.750.700.60静曲强度Mpa343434343230282119弹性模量Mpa300030003000300028002700260024002200内结合强度(沸腾试验)Mpa0.200.200.200.150.150.120.120.100.10一、检测规则检验分类产品检验分出厂检验和型式检验出厂检验包括以下项目:外观质量检验、规格尺寸测量、内结合强度、静曲强度、密度含水率、吸水厚度膨胀率。型式检验除包...

1、当您付费下载文档后,您只拥有了使用权限,并不意味着购买了版权,文档只能用于自身使用,不得用于其他商业用途(如 [转卖]进行直接盈利或[编辑后售卖]进行间接盈利)。
2、本站所有内容均由合作方或网友上传,本站不对文档的完整性、权威性及其观点立场正确性做任何保证或承诺!文档内容仅供研究参考,付费前请自行鉴别。
3、如文档内容存在违规,或者侵犯商业秘密、侵犯著作权等,请点击“违规举报”。

碎片内容

成品质量管理(1)

确认删除?
VIP
微信客服
  • 扫码咨询
会员Q群
  • 会员专属群点击这里加入QQ群
客服邮箱
回到顶部