电脑桌面
添加小米粒文库到电脑桌面
安装后可以在桌面快捷访问

002抽样计划作业指导书VIP免费

002抽样计划作业指导书_第1页
1/3
002抽样计划作业指导书_第2页
2/3
002抽样计划作业指导书_第3页
3/3
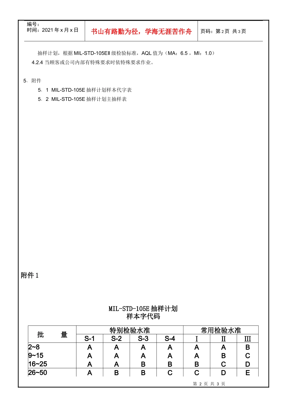
1﹑目的11﹑使产品品质能够符合客户的要求﹐满足其需要﹔12﹑使进料项目符合公司生产之品质要求﹔13﹑节省检验之人员﹑时间及费用﹒2﹑适用范围21﹑进料检验22﹑过程抽检2、3最终成品检验3﹑名词解释31﹑批(LOT)之构成311﹑﹑采购之进料﹐以每次送货同一规格之货品数量为进料批之构成﹔312﹑﹑生产过程之抽检,以每2小时生产之数量作为一个抽检批量;313﹑﹑在同一生产条件下(相同的材料﹑设备﹑人员﹑方法)生产的同一机种的一定数量的集合为成品批之构成﹔314﹑﹑仓储抽查时以现有同一规格货品之数量为一批之构成﹒32﹑抽样﹕从批中随机的方式抽取样本的工作﹔33﹑样本﹕从批中抽取部份作为检验对象的产品以表示﹔34﹑判定批是否合格﹐是以批之样本允许不予以判定(含有之最高不良个数以AC表示﹐最少的拒收不良品个数以Re表示)﹒4﹑抽样计划之执行方法41﹑计数型抽检方法411﹑﹑抽样检验与全数检验之选择<1>使用抽样检验之情况a﹑检验批中检验个数非常多时﹔b﹑检验项目很多时﹒<2>使用全数检验之情况a﹑检验容易或批量少时﹔b﹑品质不好或不稳定时﹒412﹑﹑抽样检验的形式<1>单次抽样计划从送检批中抽取一次样本﹐根据检验结果判断该批为合格或不合格﹒<2>按客户特别要求413﹑﹑本公司抽样计划除非另规定外皆采用MIL-STD-105E抽样计划表实施﹔<1>检验水准共分为I、II、III,一般采用II级抽样水准。42﹑特性4.2.1进料检验抽样标准本公司采用MIL-STD-105EⅡ级普通单次随机抽样,包装选用S-2,AQL值(CR:0,MA:0.65,MI:1.0)。4.2.2IPQC制程检验抽样标准4.2.2.1收货水准:依MIL-STD-105EⅡ表正常检验单次抽样计划书MA0.65,MI1.0。4.2.2.2批次和批量:以2小时所生产之产品作为一个批次;2小时所生产产品数量为一个批量。4.2.3成品检验抽样标准第2页共3页编号:时间:2021年x月x日书山有路勤为径,学海无涯苦作舟页码:第2页共3页抽样计划,根据MIL-STD-105EⅡ级检验标准,AQL值为(MA:6.5,MI:1.0)4.2.4当顾客或公司内部有特殊要求时依特殊要求作业。5﹑附件51MIL-STD-105E﹑抽样计划样本代字表52MIL-STD-105E﹑抽样计划主抽样表附件1MIL-STD-105E抽样计划样本字代码批量特别检验水准常用检验水准S-1S-2S-3S-4ⅠⅡⅢ2~8AAAAAAB9~15AAAAABC16~25AABBBCD26~50ABBCCDE第3页共3页第2页共3页编号:时间:2021年x月x日书山有路勤为径,学海无涯苦作舟页码:第3页共3页51~90BBCCCEF91~150BBCDDEG151~280BCDEEGH281~500BCDEFHJ501~1200CCEFGJK1201~3200CDEGHKL3201~10000CDFGJLM10001~35000CDFHKMN35000~150000DEGJLNP150001~500000DEGJMPQ500001以上DEHKNQR

1、当您付费下载文档后,您只拥有了使用权限,并不意味着购买了版权,文档只能用于自身使用,不得用于其他商业用途(如 [转卖]进行直接盈利或[编辑后售卖]进行间接盈利)。
2、本站所有内容均由合作方或网友上传,本站不对文档的完整性、权威性及其观点立场正确性做任何保证或承诺!文档内容仅供研究参考,付费前请自行鉴别。
3、如文档内容存在违规,或者侵犯商业秘密、侵犯著作权等,请点击“违规举报”。

碎片内容

002抽样计划作业指导书

您可能关注的文档

确认删除?
VIP
微信客服
  • 扫码咨询
会员Q群
  • 会员专属群点击这里加入QQ群
客服邮箱
回到顶部