电脑桌面
添加小米粒文库到电脑桌面
安装后可以在桌面快捷访问

装饰装修质量保证措施VIP专享VIP免费

装饰装修质量保证措施_第1页
1/42
装饰装修质量保证措施_第2页
2/42
装饰装修质量保证措施_第3页
3/42
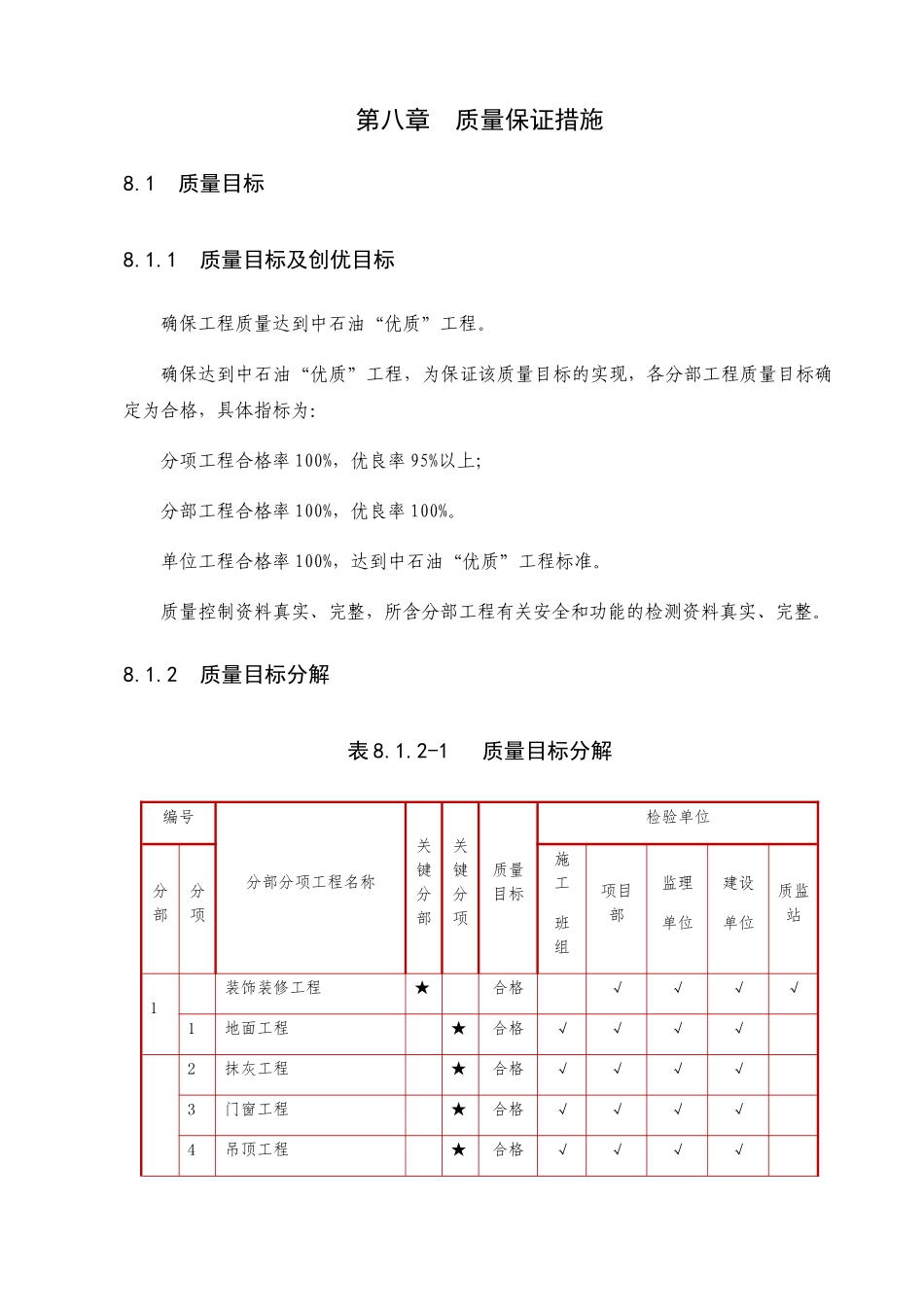
第八章质量保证措施8.1质量目标8.1.1质量目标及创优目标确保工程质量达到中石油“优质”工程。确保达到中石油“优质”工程,为保证该质量目标的实现,各分部工程质量目标确定为合格,具体指标为:分项工程合格率100%,优良率95%以上;分部工程合格率100%,优良率100%。单位工程合格率100%,达到中石油“优质”工程标准。质量控制资料真实、完整,所含分部工程有关安全和功能的检测资料真实、完整。8.1.2质量目标分解表8.1.2-1质量目标分解编号分部分项工程名称关键分部关键分项质量目标检验单位分部分项施工班组项目部监理单位建设单位质监站1装饰装修工程★合格√√√√1地面工程★合格√√√√2抹灰工程★合格√√√√3门窗工程★合格√√√√4吊顶工程★合格√√√√5轻质隔墙工程★合格√√√√6细部作法★合格√√√√2电气安装工程★合格√√√√1电气配管及预埋★合格√√√√2重复接地、防雷接地★合格√√√√3等电位连接★合格√√√√4管内穿线合格√√√√5电缆敷设合格√√√√6配电柜、箱(盘)安装★合格√√√√7电气设备安装★合格√√√√8插座、线盒、开关安装★合格√√√√9灯具安装★合格√√√√1穿墙(板)套管预埋★合格√√√√2预留管洞合格√√√√3消防管道防腐及油漆合格√√√√4消防管道安装合格√√√√3给、排水工程★合格√√√√1穿墙(板)套管预埋★合格√√√√2预留管洞合格√√√√3管道防腐及油漆合格√√√√4管道安装合格√√√√5阀门及水泵安装合格√√√√6消火栓箱等器材安装★合格√√√√7喷淋头安装★合格√√√√4职能建筑★合格√√√√1电气配管及预埋★合格√√√√2重复接地合格√√√√3管内穿线★合格√√√√4电缆敷设合格√√√√5弱电柜、箱(盘)安装★合格√√√√6弱电设备安装★合格√√√√7报警装置安装★合格√√√√8环境★合格√√√√9智能化集成系统合格√√√√5电梯安装工程★合格√√√√1设备进场验收合格√√√√2土建交接检验合格√√√√3整机安全验收★合格√√√√6室内采暖、通风工程★合格√√√√1穿墙(板)套管预埋★合格√√√√2预留管洞合格√√√√3采暖管道防腐及油漆合格√√√√4采暖管道安装合格√√√√5阀门及水泵安装合格√√√√6散热器安装★合格√√√√7通风安装工程★合格√√√√8.1.3质量控制分解表8.1.3-1质量控制分解序号控制项控制点控制人控制依据1编制施工组织设计施工部署、主要项目施工方法、计划及各项管理措施项目总工经研究确定的原则、施工规范、规程及现场的工程概况2图纸会审及对设计提出咨询,了解项目总工、技术员施工图纸、相关文件、规范、序号控制项控制点控制人控制依据设计交底设计意图规程、图集3材料采购物资分承包方的素质、材料的质量等项目经理材料主管施工图纸、验收标准、材料分包资料4材料复试工程物资试验品种、数量等项目总工、试验员相应的标准5选定施工队伍施工队的施工业绩、综合素质项目经理公司劳务部门公司的质量体系文件6施工组织设计交底施组中主要内容及施工中的注意问题项目总工生产经理已审批的施工组织设计7材料机械进场按计划和要求进场检验、标识、分类、存放器材负责人材料员合格分承包方、采购计划表8测量定位各种控制桩观测点项目总工测量员施工图纸、规范、测量定桩成果通知单9楼地面控制线、基层清理、面层施工工长、质量员、测量员施工图纸、相应图集、规范规程、技术交底10防水工程操作人员的素质企业资质方案项目总工质量员施工图、规范技术交底11门窗工程门窗制作、框与墙体的连接项目总工、质量员、工长施工图纸、相应图集、规范规程、技术交底12吊顶工程材料、安装外观项目总工、质量员、工长施工图纸、相应图集、规范规程、技术交底13抹灰工程材料、观感项目总工、质量员、工长施工图纸、相应图集、规范规程、技术交底14轻质隔墙材料、连接方式项目总工、质量员、工长施工图纸、相应图集、规范规程、技术交底15电气配管及预埋材质、连接方式项目总工、质量员、工长施工图纸、相应图集、规范规程、技术交底序号控制项控制点控制人控制依据16防雷接地系统材质、连接方式项目总工、质量员、工长施工图纸、相应图...

1、当您付费下载文档后,您只拥有了使用权限,并不意味着购买了版权,文档只能用于自身使用,不得用于其他商业用途(如 [转卖]进行直接盈利或[编辑后售卖]进行间接盈利)。
2、本站所有内容均由合作方或网友上传,本站不对文档的完整性、权威性及其观点立场正确性做任何保证或承诺!文档内容仅供研究参考,付费前请自行鉴别。
3、如文档内容存在违规,或者侵犯商业秘密、侵犯著作权等,请点击“违规举报”。

碎片内容

装饰装修质量保证措施

确认删除?
VIP
微信客服
  • 扫码咨询
会员Q群
  • 会员专属群点击这里加入QQ群
客服邮箱
回到顶部