电脑桌面
添加小米粒文库到电脑桌面
安装后可以在桌面快捷访问

表39先张法预应力管桩工程检验批质量验收记录VIP免费

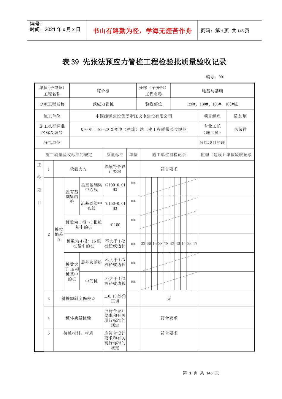
表39先张法预应力管桩工程检验批质量验收记录_第1页
1/145
表39先张法预应力管桩工程检验批质量验收记录_第2页
2/145
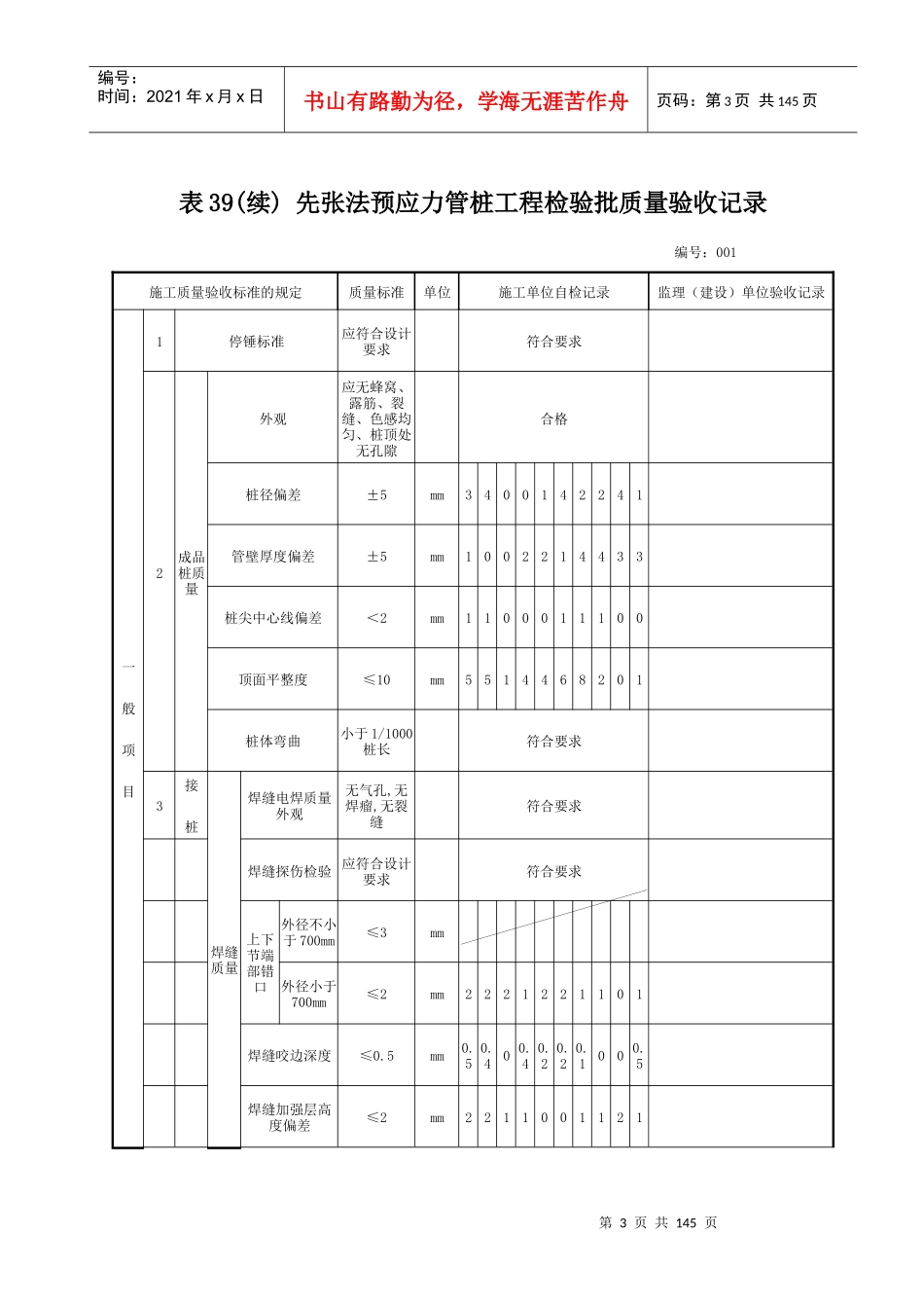
表39先张法预应力管桩工程检验批质量验收记录_第3页
3/145
第1页共145页编号:时间:2021年x月x日书山有路勤为径,学海无涯苦作舟页码:第1页共145页表39先张法预应力管桩工程检验批质量验收记录编号:001单位(子单位)工程名称综合楼分部(子分部)工程名称地基与基础分项工程名称预应力管桩验收部位128#、130#、106#、108#桩施工单位中国能源建设集团浙江火电建设有限公司项目经理陈加炳施工执行标准名称及编号Q/GDW1183-2012变电(换流)站土建工程质量验收规范专业工长(施工员)朱荣祥分包单位分包项目经理施工质量验收标准的规定质量标准单位施工单位自检记录监理(建设)单位验收记录主控项目1承载力☆必须符合设计要求符合要求2桩位偏差☆盖有基础梁的桩垂直基础梁中心线≤100+0.01H3mm沿基础梁中心线≤150+0.01H3mm桩数为1根~3根桩基中的桩≤100mm桩数为4根~16根桩基中的桩不大于1/2桩径或边长mm32661528784230142217桩数大于16根桩基中的桩最外边的桩不大于1/3桩径或边长mm中间桩不大于1/2桩径或边长mm3斜桩倾斜度偏差☆±0.15斜角正切无4桩体质量检验应符合设计要求和有关现行标准的规定符合要求5接桩材料、材质应符合设计要求和有关现行标准的规定符合要求第2页共145页第1页共145页编号:时间:2021年x月x日书山有路勤为径,学海无涯苦作舟页码:第2页共145页6接桩处防腐材料涂刷应符合设计要求和有关现行规范的规定符合要求第3页共145页第2页共145页编号:时间:2021年x月x日书山有路勤为径,学海无涯苦作舟页码:第3页共145页表39(续)先张法预应力管桩工程检验批质量验收记录编号:001施工质量验收标准的规定质量标准单位施工单位自检记录监理(建设)单位验收记录一般项目1停锤标准应符合设计要求符合要求2成品桩质量外观应无蜂窝、露筋、裂缝、色感均匀、桩顶处无孔隙合格桩径偏差±5mm3400142241管壁厚度偏差±5mm1002214433桩尖中心线偏差<2mm1100011100顶面平整度≤10mm5514468201桩体弯曲小于1/1000桩长符合要求3接桩焊缝质量焊缝电焊质量外观无气孔,无焊瘤,无裂缝符合要求焊缝探伤检验应符合设计要求符合要求上下节端部错口外径不小于700mm≤3mm外径小于700mm≤2mm2221221101焊缝咬边深度≤0.5mm0.50.400.40.20.20.1000.5焊缝加强层高度偏差≤2mm2211001121第4页共145页第3页共145页编号:时间:2021年x月x日书山有路勤为径,学海无涯苦作舟页码:第4页共145页焊缝加强层宽度偏差≤2mm2200210122第5页共145页第4页共145页编号:时间:2021年x月x日书山有路勤为径,学海无涯苦作舟页码:第5页共145页表39(续)先张法预应力管桩工程检验批质量验收记录编号:001施工质量验收标准的规定质量标准单位施工单位自检记录监理(建设)单位验收记录电焊结束后停歇时间>1.0min5554433545上下节平面偏差<10mm3255631224节点弯曲矢高小于1/1000两节桩长符合要求4桩顶标高偏差±50mm30202222413035442136备注H3为施工现场地面标高与桩顶设计标高的距离。施工单位检查结果符合要求,合格班组长:项目专业质量检查员:项目专业技术负责人:2016年9月26日监理(建设)单位验收结论专业监理工程师:(建设单位项目专业技术负责人)年月日第6页共145页第5页共145页编号:时间:2021年x月x日书山有路勤为径,学海无涯苦作舟页码:第6页共145页表39先张法预应力管桩工程检验批质量验收记录编号:002单位(子单位)工程名称综合楼分部(子分部)工程名称地基与基础分项工程名称预应力管桩验收部位109#、107#、131#、129#、216#、213#、224#、221#、220#、223#、212#、215#、211#桩施工单位中国能源建设集团浙江火电建设有限公司项目经理陈加炳施工执行标准名称及编号Q/GDW1183-2012变电(换流)站土建工程质量验收规范专业工长(施工员)朱荣祥分包单位分包项目经理施工质量验收标准的规定质量标准单位施工单位自检记录监理(建设)单位验收记录主控项目1承载力☆必须符合设计要求符合要求2桩位偏差☆盖有基础梁的桩垂直基础梁中心线≤100+0.01H3mm沿基础梁中心线≤150+0.01H3mm桩数为1根~3根桩基中的桩≤100mm桩数为4根~16根桩基中的桩不大于1/2桩径或边长mm56321142713715442014桩数大于16根桩基中的桩最外边的桩不大于1/3桩径或边长mm中...

1、当您付费下载文档后,您只拥有了使用权限,并不意味着购买了版权,文档只能用于自身使用,不得用于其他商业用途(如 [转卖]进行直接盈利或[编辑后售卖]进行间接盈利)。
2、本站所有内容均由合作方或网友上传,本站不对文档的完整性、权威性及其观点立场正确性做任何保证或承诺!文档内容仅供研究参考,付费前请自行鉴别。
3、如文档内容存在违规,或者侵犯商业秘密、侵犯著作权等,请点击“违规举报”。

碎片内容

表39先张法预应力管桩工程检验批质量验收记录

确认删除?
VIP
微信客服
  • 扫码咨询
会员Q群
  • 会员专属群点击这里加入QQ群
客服邮箱
回到顶部