电脑桌面
添加小米粒文库到电脑桌面
安装后可以在桌面快捷访问

胶袋质量检验标准VIP专享VIP免费

胶袋质量检验标准_第1页
1/9
胶袋质量检验标准_第2页
2/9
胶袋质量检验标准_第3页
3/9
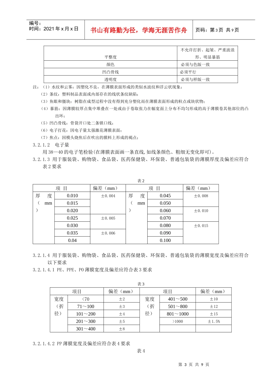
第1页共9页编号:时间:2021年x月x日书山有路勤为径,学海无涯苦作舟页码:第1页共9页修改说明序号修改原因及主要内容修改日期修改人起草者部门负责人签名姓名日期2003年10月10日2003年10月10第2页共9页第1页共9页编号:时间:2021年x月x日书山有路勤为径,学海无涯苦作舟页码:第2页共9页日1.内容和适应范围本标准规定了吹塑薄膜包装袋的详细技术要求、试验方法、检验规则及标志、包装、运输和贮存要求。2.种类胶袋按其原料和生产工艺不同可分为:2.1PE胶袋:将低密度聚乙烯树脂(LDPE)和线性低密度聚乙烯树脂(LLDPE)以一定比例混合在一起为原料的胶袋。2.2PP胶袋:以聚丙烯(PP)为原料的胶袋。2.3PPE胶袋;将低密度聚乙烯(LDPE)和线性低密度聚乙烯(LLDPE)以一定比例混合在一起为原料,按生产PP袋的工艺方法(平挤下吹法)生产的胶袋。2.4PO胶袋:以高密度聚乙烯(HDPE)为原料的胶袋。3.要求3.1料质胶袋的原料应无色、透明。胶粒应无斑点、杂质、发黄等疵病,包装袋内应干燥,无水珠。3.2膜料(卷筒薄膜)质量标准3.2.1服装袋、购物袋、食品袋、普通包装袋、医药保健袋、环保袋等膜料质量标准3.2.1.1用于服装袋、购物袋、食品袋、医药保健袋、环保袋、普通包装袋的膜料外观质量应符合表1的要求。表1项目要求水纹、云雾、条纹、电子打花不明显焦点、气泡、穿孔、划痕及破裂不允许杂质>0.3mm不允许鱼眼、僵块≥0.8mm不允许≥0.4mm印刷部分不允许无印刷的部分12”X15”PE≤6个PP≤10个PPE≤20个分散度100CM²PE≤2个PP≤3个PPE≤5个开口性易于揭开第3页共9页第2页共9页编号:时间:2021年x月x日书山有路勤为径,学海无涯苦作舟页码:第3页共9页平整度不允许打折、起皱、严重波浪形、明显暴筋颜色必须与色版一致凹凸骨线必须平行透明度必须与样版一致注:(1)水纹和云雾:因塑化不良,在薄膜表面形成的类似水波纹和浮云状现象;(2)条纹:塑料制品表面或内部存在的线状条纹缺陷;(3)鱼眼和僵块:树脂在成型过程中没有得到充分塑化而在薄膜表面形成的粒点或块状物;(4)暴筋:因薄膜较厚点集中堆叠在一处或由于卷取张力在幅宽面上分布不均匀形成的高于薄膜卷其他部位的凸出环;(5)凹凸骨线:骨袋开口处二条锁口线;(6)电子打花:因电子量太强激花薄膜表面;(7)焦点:因模头烧焦后在吹出的膜料上形成的褐点;3.2.1.2电子量用38—40的电子笔检验(在薄膜表面画一条直线,如线条颜色、粗细无变化即可)。3.2.1.3用于服装袋、购物袋、食品袋、医药保健袋、环保袋、普通包装袋的薄膜厚度及偏差应符合表2要求表2项目偏差(mm)项目偏差(mm)厚度(mm)0.010±0.004厚度(mm)0.045±0.0080.0150.0500.0200.060±0.0100.025±0.0050.0700.0300.080±0.0150.035±0.0060.0900.040.1003.2.1.4用于服装袋、购物袋、食品袋、医药保健袋、环保袋、普通包装袋的薄膜宽度及偏差应符合以下要求3.2.1.4.1PE、PPE、PO薄膜宽度及偏差应符合表3要求表3项目偏差(mm)项目偏差(mm)宽度(折径)<70±2宽度(折径)401~500±1071~100±3501~800±12101~200±4801~1000±15201~300±5>1000±1.5%301~400±83.2.1.4.2PP薄膜宽度及偏差应符合表4要求表4第4页共9页第3页共9页编号:时间:2021年x月x日书山有路勤为径,学海无涯苦作舟页码:第4页共9页宽度(折径)偏差(mm)≤100±2101~300±3301~500±3>500±43.2.2垃圾袋、卷筒布外包装用膜料质量标准3.2.2.1用于垃圾袋、卷筒布外包装膜料的外观质量应符合表5的要求。表5项目要求水纹、云雾、条纹、划痕不明显气泡、穿孔、破裂不允许杂质、焦点>0.8mm不允许鱼眼、僵块≥2mm不允许开口性易于揭开平整度不允许打折、起皱、严重波浪形、明显暴筋颜色必须与色板一致透明度必须与样板一致3.2.2.2用于垃圾袋、卷筒布外包装的薄膜厚度及偏差应符合表6要求表6项目偏差(mm)项目偏差(mm)厚度(mm)0.010±0.005厚度(mm)0.045±0.0120.0150.0500.0200.060±0.0150.025±0.0070.0700.0300.080±0.0200.035±0.0090.0900.040.1003.2.2.3用于垃圾袋、卷筒布外包装的薄膜宽度及偏差应符合表7要求表7宽度(折径)偏差(mm)≤400±10401~6...

1、当您付费下载文档后,您只拥有了使用权限,并不意味着购买了版权,文档只能用于自身使用,不得用于其他商业用途(如 [转卖]进行直接盈利或[编辑后售卖]进行间接盈利)。
2、本站所有内容均由合作方或网友上传,本站不对文档的完整性、权威性及其观点立场正确性做任何保证或承诺!文档内容仅供研究参考,付费前请自行鉴别。
3、如文档内容存在违规,或者侵犯商业秘密、侵犯著作权等,请点击“违规举报”。

碎片内容

胶袋质量检验标准

确认删除?
VIP
微信客服
  • 扫码咨询
会员Q群
  • 会员专属群点击这里加入QQ群
客服邮箱
回到顶部