电脑桌面
添加小米粒文库到电脑桌面
安装后可以在桌面快捷访问

减速机检修质量标准VIP免费

减速机检修质量标准_第1页
1/7
减速机检修质量标准_第2页
2/7
减速机检修质量标准_第3页
3/7
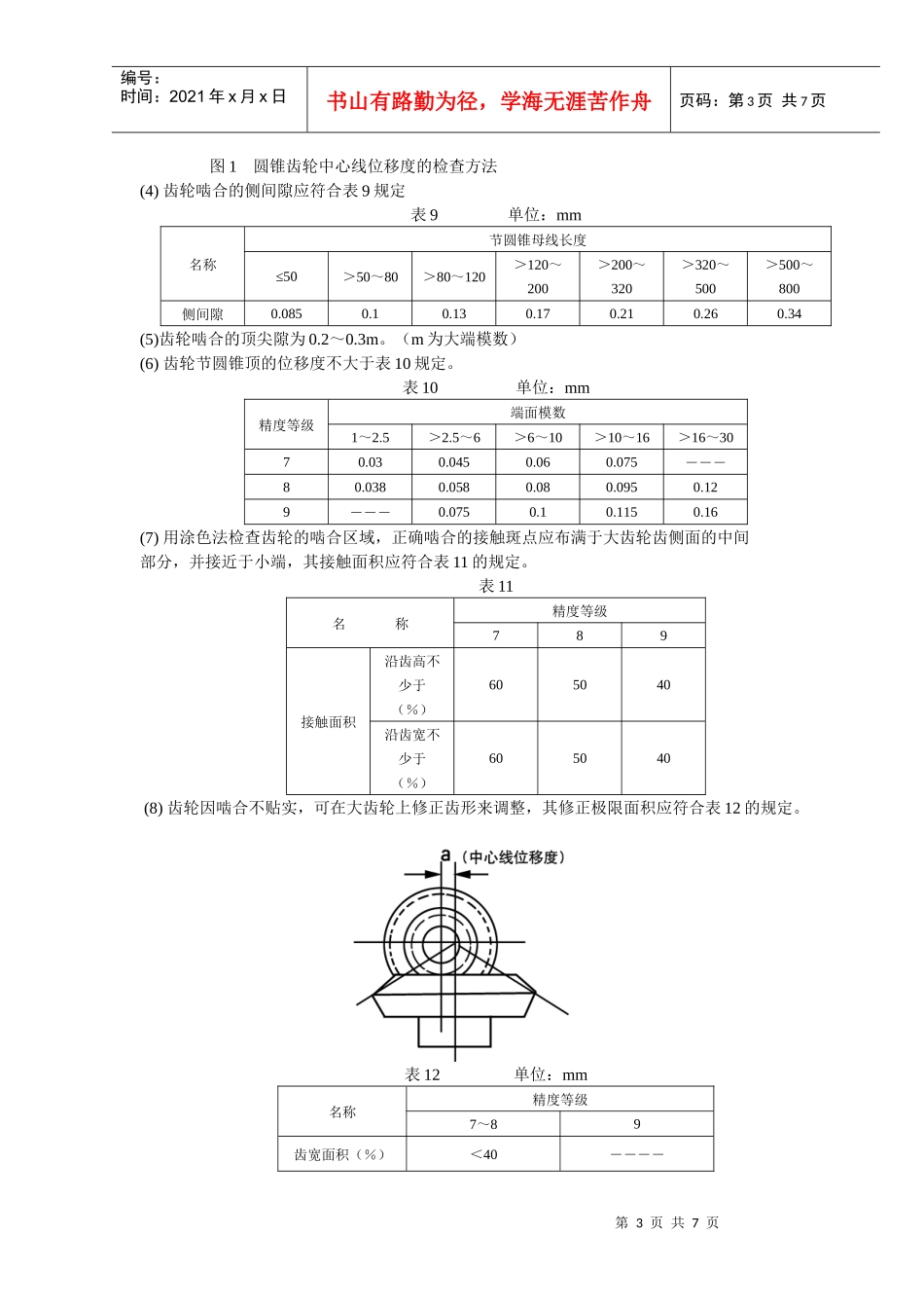
第1页共7页编号:时间:2021年x月x日书山有路勤为径,学海无涯苦作舟页码:第1页共7页减速机检修质量标准1.机体(1)机盖与机体的剖分面应平整光滑,保证装配严密,可用塞尺检查剖分面的接触密合性,即用小于0.05mm的塞尺插入深度不得大于剖分面的1/3。(2)上盖与机体不得有裂纹,装入煤油检查不得有渗漏。2.渐开线圆柱齿轮(1)齿轮不得有毛刺、裂纹、断裂等缺陷。(2)齿轮啮合处的工作面即齿高与齿宽上的剥蚀现象不大于20%。(3)齿轮装配后啮合必须正确,其接触面积应符合表1的规定。表1名称精度等级789接触沿齿高不少于(%)454030面积沿齿宽不少于(%)605040(4)齿轮啮合的侧间隙应符合表2的规定。表2单位:mm名称中心距~50>50~80>80~120>120~200>200~320>320~500>500~800>800~1250侧间隙0.0850.1050.130.170.210.260.340.42(5)齿轮啮合的顶尖隙为0.2~0.3m(m为法向模数)。(6)用压铅法检查齿轮的侧间隙和顶间隙如不符合第(4)和第(5)条规定者,可按表2及第(4)条修正中心距来实现(7)两齿轮的中心距极限偏差应符合表3规定。表3单位:mm名称中心距~50>50~80>80~120>120~200极限偏差±0.060±0.080±0.090±0.105名称>200~320>320~500>500~800>800~1250极限偏差±0.120±0.160±0.180±0.200(8)齿轮中心线在齿宽上的平行度不大于表4规定表4单位:mm第2页共7页第1页共7页编号:时间:2021年x月x日书山有路勤为径,学海无涯苦作舟页码:第2页共7页精度等级法向模数齿轮宽度~55>55~110>110~160>160~220>220~320>320~450>450~63071~300.0170.0190.0210.0240.0280.0340.0481~300.0210.0240.0260.030.0360.0420.0592.5~500.0260.030.0340.0380.0450.0520.06(9)齿轮轮缘的径向跳动不大于表5规定表5单位:mm精度等级法向模数齿轮直径>50>50~80>80~120>120~200>200~320>320~500>500~800>800~125071~300.0320.0420.050.0580.070.080.1050.11581~300.050.0650.080.1050.110.120.150.199>2.5~500.080.1050.120.150.180.20.240.3(10)齿轮节圆处齿厚的最大允许磨损值应符合表6规定。表6单位:mm圆周线速度≤2米/秒>2米/秒>6米/秒最大允许磨损值0.24m0.16m0.10m3.圆锥齿轮(1)齿轮必须光滑无毛刺、伤痕、裂纹等缺陷。(2)齿轮轴中心线夹角极限偏差符合表7规定。表7单位:mm名称节圆锥母线长度≤50>50~80>80~120>120~200>200~320>320~500>500~800轴线夹角极限偏差±0.045±0.058±0.070±0.080±0.095±0.110±0.130(3)齿轮中心线的位移不大于表8规定,其位移度检查方法见图4。表8单位:mm精度等级端面模数节圆锥母线长度≤200>200~320>320~500>500~80071~160.0190.0220.0280.03681~160.0240.0280.0360.04592.5~160.030.0360.0450.055第3页共7页第2页共7页编号:时间:2021年x月x日书山有路勤为径,学海无涯苦作舟页码:第3页共7页图1圆锥齿轮中心线位移度的检查方法(4)齿轮啮合的侧间隙应符合表9规定表9单位:mm名称节圆锥母线长度≤50>50~80>80~120>120~200>200~320>320~500>500~800侧间隙0.0850.10.130.170.210.260.34(5)齿轮啮合的顶尖隙为0.2~0.3m。(m为大端模数)(6)齿轮节圆锥顶的位移度不大于表10规定。表10单位:mm精度等级端面模数1~2.5>2.5~6>6~10>10~16>16~3070.030.0450.060.075---80.0380.0580.080.0950.129---0.0750.10.1150.16(7)用涂色法检查齿轮的啮合区域,正确啮合的接触斑点应布满于大齿轮齿侧面的中间部分,并接近于小端,其接触面积应符合表11的规定。表11名称精度等级789接触面积沿齿高不少于(%)605040沿齿宽不少于(%)605040(8)齿轮因啮合不贴实,可在大齿轮上修正齿形来调整,其修正极限面积应符合表12的规定。表12单位:mm名称精度等级7~89齿宽面积(%)<40----第4页共7页第3页共7页编号:时间:2021年x月x日书山有路勤为径,学海无涯苦作舟页码:第4页共7页修正方法研磨或刮后研磨刮或锉后刮配(9)锥齿轮齿顶圆锥的径向跳动应不大于表13的规定。表13单位:mm公称尺寸(运动)精度等级789大端分度圆...

1、当您付费下载文档后,您只拥有了使用权限,并不意味着购买了版权,文档只能用于自身使用,不得用于其他商业用途(如 [转卖]进行直接盈利或[编辑后售卖]进行间接盈利)。
2、本站所有内容均由合作方或网友上传,本站不对文档的完整性、权威性及其观点立场正确性做任何保证或承诺!文档内容仅供研究参考,付费前请自行鉴别。
3、如文档内容存在违规,或者侵犯商业秘密、侵犯著作权等,请点击“违规举报”。

碎片内容

减速机检修质量标准

确认删除?
VIP
微信客服
  • 扫码咨询
会员Q群
  • 会员专属群点击这里加入QQ群
客服邮箱
回到顶部