电脑桌面
添加小米粒文库到电脑桌面
安装后可以在桌面快捷访问

分部(子分部工程质量验收记录表)VIP免费

分部(子分部工程质量验收记录表)_第1页
1/7
分部(子分部工程质量验收记录表)_第2页
2/7
分部(子分部工程质量验收记录表)_第3页
3/7
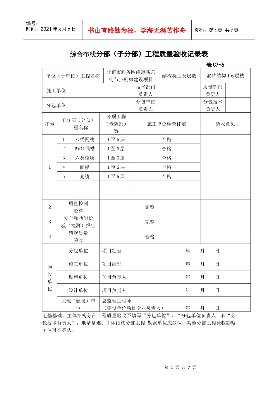
第1页共7页编号:时间:2021年x月x日书山有路勤为径,学海无涯苦作舟页码:第1页共7页综合布线分部(子分部)工程质量验收记录表表C7-6单位(子单位)工程名称北京市政务网络惠新东街节点机房建设项目结构类型及层数混砖结构1-6层楼施工单位技术部门负责人质量部门负责人分包单位分包单位负责人分包技术负责人序号子分部(分项)工程名称分项工程(检验批)数施工单位检查评定验收意见11六类网线1至6层合格2PVC线槽1至6层合格3六类模块1至6层合格4面板1至6层合格5光缆1至6层合格2质量控制资料完整3安全和功能检验(检测)报告完整4感观质量验收合格验收单位分包单位项目经理年月日施工单位项目经理年月日勘察单位项目负责人年月日设计单位项目负责人年月日监理(建设)单位总监理工程师(建设单位项目专业负责人)年月日地基基础、主体结构分部工程质量验收不填写“分包单位”、“分包单位负责人”和“分包技术负责人”。地基基础、主体结构分部工程勘察单位应签认,其他分部工程验收勘察单位可不签认。第2页共7页第1页共7页编号:时间:2021年x月x日书山有路勤为径,学海无涯苦作舟页码:第2页共7页金属桥架分部(子分部)工程质量验收记录表表C7-6单位(子单位)工程名称北京市政务网络惠新东街节点机房建设项目结构类型及层数混砖结构1-6层楼施工单位技术部门负责人质量部门负责人分包单位分包单位负责人分包技术负责人序号子分部(分项)工程名称分项工程(检验批)数施工单位检查评定验收意见11金属桥架1至6层合格2通丝1至6层合格3吊杆1至6层合格4横旦1至6层合格2质量控制资料完整3安全和功能检验(检测)报告完整4感观质量验收合格验收单位分包单位项目经理年月日施工单位项目经理年月日勘察单位项目负责人年月日设计单位项目负责人年月日监理(建设)单位总监理工程师(建设单位项目专业负责人)年月日地基基础、主体结构分部工程质量验收不填写“分包单位”、“分包单位负责人”和“分包技术负责人”。地基基础、主体结构分部工程勘察单位应签认,其他分部工程验收勘察第3页共7页第2页共7页编号:时间:2021年x月x日书山有路勤为径,学海无涯苦作舟页码:第3页共7页单位可不签认。机柜分部(子分部)工程质量验收记录表表C7-6单位(子单位)工程名称北京市政务网络惠新东街节点机房建设项目结构类型及层数混砖结构1-6层楼施工单位技术部门负责人质量部门负责人分包单位分包单位负责人分包技术负责人序号子分部(分项)工程名称分项工程(检验批)数施工单位检查评定验收意见1142U机柜1至6层竖井间21U配线架1至6层竖井间31U理线器1至6层竖井间4110鱼骨架1至6层竖井间2质量控制资料完整3安全和功能检验(检测)报告完整4感观质量验收合格验收单位分包单位项目经理年月日施工单位项目经理年月日勘察单位项目负责人年月日设计单位项目负责人年月日第4页共7页第3页共7页编号:时间:2021年x月x日书山有路勤为径,学海无涯苦作舟页码:第4页共7页监理(建设)单位总监理工程师(建设单位项目专业负责人)年月日地基基础、主体结构分部工程质量验收不填写“分包单位”、“分包单位负责人”和“分包技术负责人”。地基基础、主体结构分部工程勘察单位应签认,其他分部工程验收勘察单位可不签认。综合布线分部(子分部)工程质量验收记录表表C7-6单位(子单位)工程名称北京市政务网络惠新东街节点机房建设项目结构类型及层数混砖结构1-2层楼施工单位技术部门负责人质量部门负责人分包单位分包单位负责人分包技术负责人序号子分部(分项)工程名称分项工程(检验批)数施工单位检查评定验收意见11六类网线1至2层合格2PVC线管1至2层合格3六类模块1至2层合格4面板1至2层合格2质量控制资料完整3安全和功能检验(检测)报告完整4感观质量验收合格验收分包单位项目经理年月日施工单位项目经理年月日第5页共7页第4页共7页编号:时间:2021年x月x日书山有路勤为径,学海无涯苦作舟页码:第5页共7页单位勘察单位项目负责人年月日设计单位项目负责人年月日监理(建设)单位总监理工程师(建设单位项目专业负责人)年月日地基基础、主体结构分部工程质量验收不填写“分包单位”、“分包单位负...

1、当您付费下载文档后,您只拥有了使用权限,并不意味着购买了版权,文档只能用于自身使用,不得用于其他商业用途(如 [转卖]进行直接盈利或[编辑后售卖]进行间接盈利)。
2、本站所有内容均由合作方或网友上传,本站不对文档的完整性、权威性及其观点立场正确性做任何保证或承诺!文档内容仅供研究参考,付费前请自行鉴别。
3、如文档内容存在违规,或者侵犯商业秘密、侵犯著作权等,请点击“违规举报”。

碎片内容

分部(子分部工程质量验收记录表)

精华资料店+ 关注
实名认证
内容提供者

大量教育教学资料

确认删除?
VIP
微信客服
  • 扫码咨询
会员Q群
  • 会员专属群点击这里加入QQ群
客服邮箱
回到顶部