电脑桌面
添加小米粒文库到电脑桌面
安装后可以在桌面快捷访问

木门窗安装工程检验批质量验收记录表VIP专享VIP免费

木门窗安装工程检验批质量验收记录表_第1页
1/2
木门窗安装工程检验批质量验收记录表_第2页
2/2
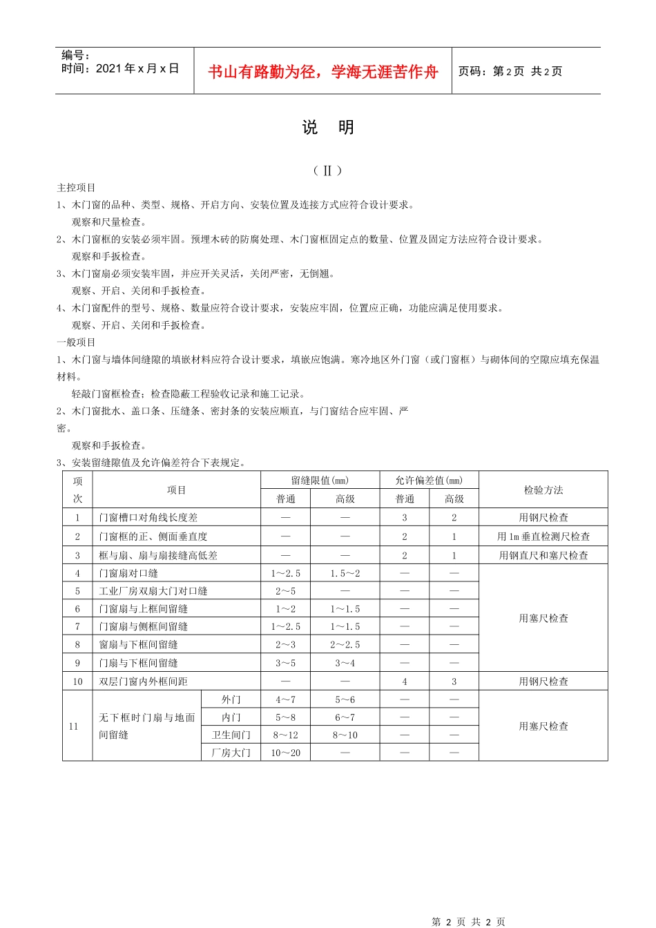
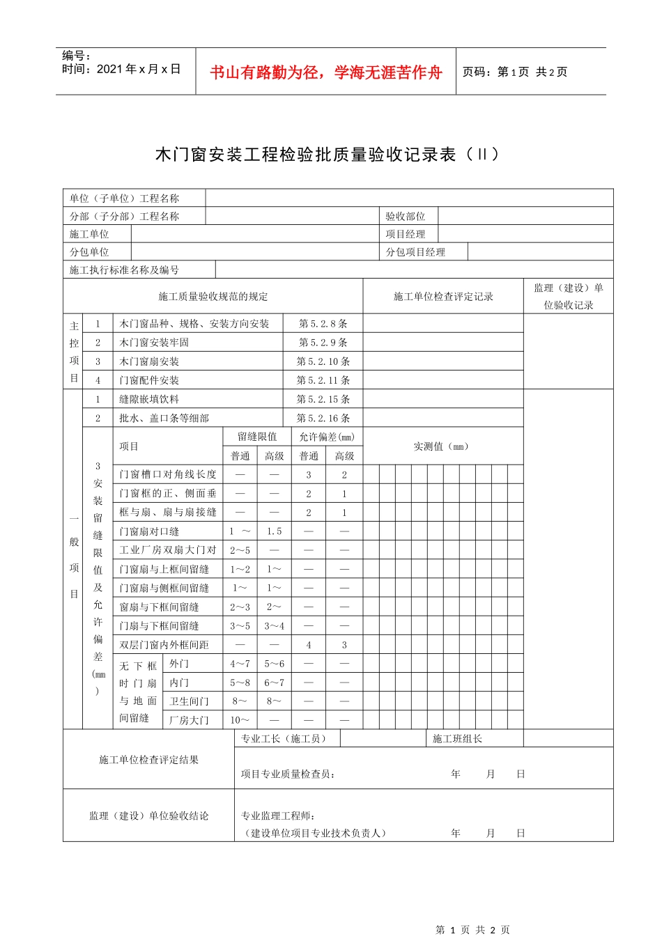
第1页共2页编号:时间:2021年x月x日书山有路勤为径,学海无涯苦作舟页码:第1页共2页木门窗安装工程检验批质量验收记录表(Ⅱ)单位(子单位)工程名称分部(子分部)工程名称验收部位施工单位项目经理分包单位分包项目经理施工执行标准名称及编号施工质量验收规范的规定施工单位检查评定记录监理(建设)单位验收记录主控项目1木门窗品种、规格、安装方向安装第5.2.8条2木门窗安装牢固第5.2.9条3木门窗扇安装第5.2.10条4门窗配件安装第5.2.11条一般项目1缝隙嵌填饮料第5.2.15条2批水、盖口条等细部第5.2.16条3安装留缝限值及允许偏差(mm)项目留缝限值(mm)允许偏差(mm)实测值(mm)普通高级普通高级门窗槽口对角线长度差——32门窗框的正、侧面垂直度——21框与扇、扇与扇接缝高低差——21门窗扇对口缝1~2.51.5~2——工业厂房双扇大门对口缝2~5———门窗扇与上框间留缝1~21~1.5——门窗扇与侧框间留缝1~2.51~1.5——窗扇与下框间留缝2~32~2.5——门扇与下框间留缝3~53~4——双层门窗内外框间距——43无下框时门扇与地面间留缝外门4~75~6——内门5~86~7——卫生间门8~128~10——厂房大门10~20———施工单位检查评定结果专业工长(施工员)施工班组长项目专业质量检查员:年月日监理(建设)单位验收结论专业监理工程师:(建设单位项目专业技术负责人)年月日第2页共2页第1页共2页编号:时间:2021年x月x日书山有路勤为径,学海无涯苦作舟页码:第2页共2页说明(Ⅱ)主控项目1、木门窗的品种、类型、规格、开启方向、安装位置及连接方式应符合设计要求。观察和尺量检查。2、木门窗框的安装必须牢固。预埋木砖的防腐处理、木门窗框固定点的数量、位置及固定方法应符合设计要求。观察和手扳检查。3、木门窗扇必须安装牢固,并应开关灵活,关闭严密,无倒翘。观察、开启、关闭和手扳检查。4、木门窗配件的型号、规格、数量应符合设计要求,安装应牢固,位置应正确,功能应满足使用要求。观察、开启、关闭和手扳检查。一般项目1、木门窗与墙体间缝隙的填嵌材料应符合设计要求,填嵌应饱满。寒冷地区外门窗(或门窗框)与砌体间的空隙应填充保温材料。轻敲门窗框检查;检查隐蔽工程验收记录和施工记录。2、木门窗批水、盖口条、压缝条、密封条的安装应顺直,与门窗结合应牢固、严密。观察和手扳检查。3、安装留缝隙值及允许偏差符合下表规定。项次项目留缝限值(mm)允许偏差值(mm)检验方法普通高级普通高级1门窗槽口对角线长度差——32用钢尺检查2门窗框的正、侧面垂直度——21用1m垂直检测尺检查3框与扇、扇与扇接缝高低差——21用钢直尺和塞尺检查4门窗扇对口缝1~2.51.5~2——用塞尺检查5工业厂房双扇大门对口缝2~5———6门窗扇与上框间留缝1~21~1.5——7门窗扇与侧框间留缝1~2.51~1.5——8窗扇与下框间留缝2~32~2.5——9门扇与下框间留缝3~53~4——10双层门窗内外框间距——43用钢尺检查11无下框时门扇与地面间留缝外门4~75~6——用塞尺检查内门5~86~7——卫生间门8~128~10——厂房大门10~20———

1、当您付费下载文档后,您只拥有了使用权限,并不意味着购买了版权,文档只能用于自身使用,不得用于其他商业用途(如 [转卖]进行直接盈利或[编辑后售卖]进行间接盈利)。
2、本站所有内容均由合作方或网友上传,本站不对文档的完整性、权威性及其观点立场正确性做任何保证或承诺!文档内容仅供研究参考,付费前请自行鉴别。
3、如文档内容存在违规,或者侵犯商业秘密、侵犯著作权等,请点击“违规举报”。

碎片内容

木门窗安装工程检验批质量验收记录表

确认删除?
VIP
微信客服
  • 扫码咨询
会员Q群
  • 会员专属群点击这里加入QQ群
客服邮箱
回到顶部