电脑桌面
添加小米粒文库到电脑桌面
安装后可以在桌面快捷访问

TS16949—过程审核控制程序VIP免费

TS16949—过程审核控制程序_第1页
1/7
TS16949—过程审核控制程序_第2页
2/7
TS16949—过程审核控制程序_第3页
3/7
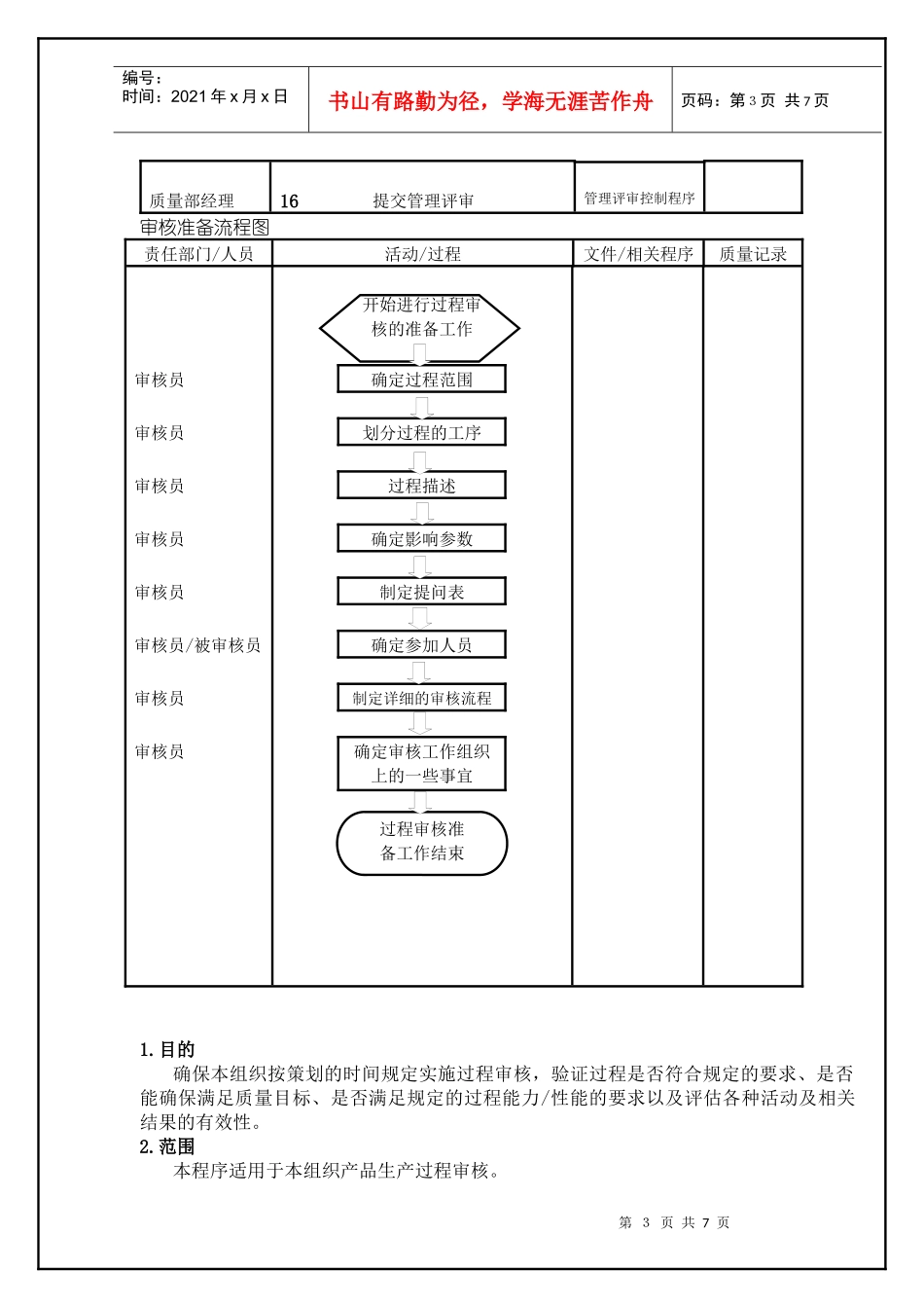
第1页共7页编号:时间:2021年x月x日书山有路勤为径,学海无涯苦作舟页码:第1页共7页Version版次Update修订Page页码Update/ModifyReason制订/修订原因Author修订者Date日期Compile编制Dept.部门:Check审核Dept.部门:Approve批准Dept.部门:Name姓名:Name姓名:Name姓名:Date日期:Date日期:Date日期:Co-Signature会签Dept.部门:Name姓名:Date日期:有效性是否得到验证第2页共7页第1页共7页编号:时间:2021年x月x日书山有路勤为径,学海无涯苦作舟页码:第2页共7页过程审核过程方法责任部门/人员活动/过程文件/相关程序质量记录质量部经理1质量部经理2计划内审核计划外/针对事件的审核审核组长3制订审核计划年度审核计划内审员4准备和制订文件任命书/检查表/审核流程计划审核组长5首次会议签到表审核员6审核实施/评定和分级结果一览表/提问评分一览表审核组长7未次会议签到表审核员8审核报告总评定/说明审核员9否是缺陷部门10纠正措施计划纠正与预防措施控制程序措施计划表缺陷部门11落实措施计划审核员12有效性跟踪/验证审核员13是质量部经理14是否需要进一步审核否记录控制程序质量部经理15审核开始是否有缺陷结束审核并归档第3页共7页第2页共7页编号:时间:2021年x月x日书山有路勤为径,学海无涯苦作舟页码:第3页共7页管理评审控制程序质量部经理16提交管理评审审核准备流程图责任部门/人员活动/过程文件/相关程序质量记录开始进行过程审核的准备工作审核员确定过程范围审核员划分过程的工序审核员过程描述审核员确定影响参数审核员制定提问表审核员/被审核员确定参加人员审核员制定详细的审核流程审核员确定审核工作组织上的一些事宜过程审核准备工作结束1.目的确保本组织按策划的时间规定实施过程审核,验证过程是否符合规定的要求、是否能确保满足质量目标、是否满足规定的过程能力/性能的要求以及评估各种活动及相关结果的有效性。2.范围本程序适用于本组织产品生产过程审核。第4页共7页第3页共7页编号:时间:2021年x月x日书山有路勤为径,学海无涯苦作舟页码:第4页共7页3.职责3.1质量部负责过程审核实施。3.2各相关部门对过程审核进行配合。4.工作程序:4.1审核开始质量部经理有责任维护本程序的运行。确定需要的过程审核。4.2审核事宜过程审核可分为计划内(针对体系和项目)和计划外审核。针对体系的审核a)每年计划的针对每个顾客的每一类产品进行的一次过程审核。b)每年组织对主要原物料供应商进行过程审核。针对项目的过程审核a)在产品质量先期策划阶段进行的过程审核,这个审核按《产品质量先期策划控制程序》规定的检查表进行的过程审核。计划外审核在以下几种特殊情况,要进行计划外的过程审核。针对事件/问题的审核:对于一个全新的没有类似产品的生产经验的项目,在项目的每个阶段,为了消除出现缺陷或为了审查是否对关键的过程特性进行了足够的考虑,需要进行过程审核,这有助于限制缺陷起因并采取纠正措施。以及发生以下情况下要进行过程审核:a)产品质量下降;b)用户索赔及抱怨;c)生产流程更改;d)过程不稳定;e)强制降低成本;f)组织内部需要;g)顾客需要在本组织现场做过程审核。4.3制定审核计划年度过程审核计划由质量部编制,管理者代表批准,对于计划外的过程审核,当发生需要计划外审核时,由管理者代表决定进行计划外的过程审核。在编制年度审核计划时需要注意审核计划需要覆盖每一个顾客每一个类型的产品,对于不同地点的不同顾客应当作不同的顾客来看待。审核计划应覆盖本组织的所有制造过程。4.4准备和制订文件充分的审核准备是特别重要的,是审核成功的基础。同时必须通知被审核部门审核的原因及日期。过程审核准备见审核准备流程图。过程审核应按过程审核年度工作计划安排进行。过程审核工作计划内容包括:第5页共7页第4页共7页编号:时间:2021年x月x日书山有路勤为径,学海无涯苦作舟页码:第5页共7页a)审核目的;b)审核依据;c)审核组成员;d)审核范围;e)审核流程;f)审核日程安排。过程审核工作计划由质量部编制,质量部经理批准后,分发给各部门。由质量部经理确定过程审核人员、审核组长,过程审核员必须有以下...

1、当您付费下载文档后,您只拥有了使用权限,并不意味着购买了版权,文档只能用于自身使用,不得用于其他商业用途(如 [转卖]进行直接盈利或[编辑后售卖]进行间接盈利)。
2、本站所有内容均由合作方或网友上传,本站不对文档的完整性、权威性及其观点立场正确性做任何保证或承诺!文档内容仅供研究参考,付费前请自行鉴别。
3、如文档内容存在违规,或者侵犯商业秘密、侵犯著作权等,请点击“违规举报”。

碎片内容

TS16949—过程审核控制程序

确认删除?
VIP
微信客服
  • 扫码咨询
会员Q群
  • 会员专属群点击这里加入QQ群
客服邮箱
回到顶部