电脑桌面
添加小米粒文库到电脑桌面
安装后可以在桌面快捷访问

园林绿化工程检验批质量验收记录表(DOC36页)VIP免费

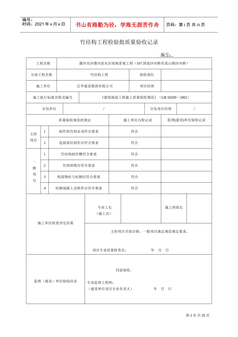
园林绿化工程检验批质量验收记录表(DOC36页)_第1页
1/35
园林绿化工程检验批质量验收记录表(DOC36页)_第2页
2/35
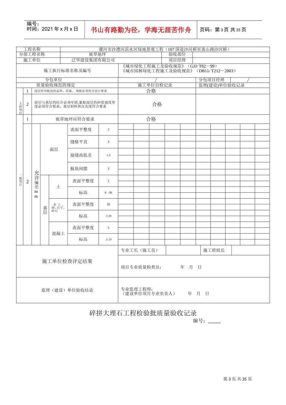
园林绿化工程检验批质量验收记录表(DOC36页)_第3页
3/35
第1页共35页编号:时间:2021年x月x日书山有路勤为径,学海无涯苦作舟页码:第1页共35页竹结构工程检验批质量验收记录编号:工程名称漯河市沙澧河滨水区绿地景观工程(107国道沙河桥至嵩山路沙河桥)分部工程名称竹结构工程验收部位施工单位泛华建设集团有限公司项目经理施工执行标准名称及编号《建筑地面工程施工质量验收规范》(GB50209-2002)分包单位∕分包项目经理∕质量验收规范的规定施工单位自检记录监理(建设)单位验收记录主控项目1制作的竹材必须符合要求符合2连接部位制作应符合要求符合一般项目1竹结构制作槽符合要求符合2竹材烘烤应符合要求符合3构筑物柱与柱脚应符合要求符合4柱脚混凝土及铁件应符合要求符合施工单位检查评定结果专业工长(施工员)施工班组长主控项目全部合格,一般项目满足规范规定要求。项目专业质量检查员:年月日监理(建设)单位验收结论同意验收。专业监理工程师:(建设单位项目专业负责人)年月日第2页共35页编号:时间:2021年x月x日书山有路勤为径,学海无涯苦作舟页码:第2页共35页中、简瓦屋面工程检验批质量验收编号:嵌草地坪检验批质量验收记录编号:工程名称漯河市沙澧河滨水区绿地景观工程(107国道沙河桥至嵩山路沙河桥)分部工程名称中、简瓦屋面工程验收部位施工单位泛华建设集团有限公司项目经理施工执行标准名称及编号《屋面工程施工质量验收规范》(GB50207-2002)分包单位∕分包项目经理∕质量验收规范的规定施工单位自检记录监理(建设)单位验收记录主控项目1瓦件的品种、规格、质量必须符合设计要求合格2不得使用疤癞、火裂及破碎缺角的瓦件合格一般项目1瓦楞铺设应符合设计要求合格2屋脊砌筑应符合设计要求合格3屋面外观应符合设计要求合格允许偏差项目(mm)屋脊每间平直度20裂缝宽度≤1瓦片进脊10屋面瓦片挑出檐口50蓑衣盖瓦出椽子封檐板≥20底瓦盖透斜沟50-90木基层每平直度20椽子间距偏差15封檐板平直度8施工单位检查评定结果专业工长(施工员)施工班组长主控项目全部合格,一般项目满足规范规定要求。项目专业质量检查员:年月日监理(建设)单位验收结论专业监理工程师:(建设单位项目专业负责人)年月日第3页共35页编号:时间:2021年x月x日书山有路勤为径,学海无涯苦作舟页码:第3页共35页碎拼大理石工程检验批质量验收记录编号:工程名称漯河市沙澧河滨水区绿地景观工程(107国道沙河桥至嵩山路沙河桥)分部工程名称嵌草地坪验收部位施工单位泛华建设集团有限公司项目经理施工执行标准名称及编号《城市绿化工程施工及验收规范》(GJJ/T82-99)《城市园林绿化工程施工及验收规范》(DB11/T212-2003)分包单位∕分包项目经理∕质量验收规范的规定施工单位自检记录监理(建设)单位验收记录主控项目1面层所用板块的品种、质量、规格必须符合设计要求合格2面层与基层的结合必须牢固,黏贴面层的砂浆强度厚度必须符合要求;基层材料和压实度符合要求合格一般项目1嵌草地坪应符合要求合格2允许偏差mm面层表面平整度3缝格平直3接缝高低差1.5板块间隙3基层土表面平整度5标高0-50灰土、砂、石子、碎石表面平整度20标高±20混凝土表面平整度5标高±10施工单位检查评定结果专业工长(施工员)施工班组长项目专业质量检查员:年月日监理(建设)单位验收结论专业监理工程师:(建设单位项目专业负责人)年月日第4页共35页编号:时间:2021年x月x日书山有路勤为径,学海无涯苦作舟页码:第4页共35页卵石铺装检验批质量验收记录编号:工程名称漯河市沙澧河滨水区绿地景观工程(107国道沙河桥至嵩山路沙河桥)分部工程名称碎拼大理石工程验收部位施工单位泛华建设集团有限公司项目经理施工执行标准名称及编号《城市绿化工程施工及验收规范》(GJJ/T82-99)《城市园林绿化工程施工及验收规范》(DB11/T212-2003)分包单位∕分包项目经理∕质量验收规范的规定施工单位自检记录监理(建设)单位验收记录主控项目1面层所用板块的品种、质量、规格必须符合设计要求合格2面层与基层的结合必须牢固,黏贴面层的砂浆强度厚度必须符合要求;基层材料和压实度符合要求合格一般项目1碎拼大理石工程面层应符合要求合格2允许偏差mm面层...

1、当您付费下载文档后,您只拥有了使用权限,并不意味着购买了版权,文档只能用于自身使用,不得用于其他商业用途(如 [转卖]进行直接盈利或[编辑后售卖]进行间接盈利)。
2、本站所有内容均由合作方或网友上传,本站不对文档的完整性、权威性及其观点立场正确性做任何保证或承诺!文档内容仅供研究参考,付费前请自行鉴别。
3、如文档内容存在违规,或者侵犯商业秘密、侵犯著作权等,请点击“违规举报”。

碎片内容

园林绿化工程检验批质量验收记录表(DOC36页)

您可能关注的文档

精华资料店+ 关注
实名认证
内容提供者

大量教育教学资料

相关文档

确认删除?
VIP
微信客服
  • 扫码咨询
会员Q群
  • 会员专属群点击这里加入QQ群
客服邮箱
回到顶部