电脑桌面
添加小米粒文库到电脑桌面
安装后可以在桌面快捷访问

常规锅炉安装施工质量验收范围划分表1VIP免费

常规锅炉安装施工质量验收范围划分表1_第1页
1/44
常规锅炉安装施工质量验收范围划分表1_第2页
2/44
常规锅炉安装施工质量验收范围划分表1_第3页
3/44
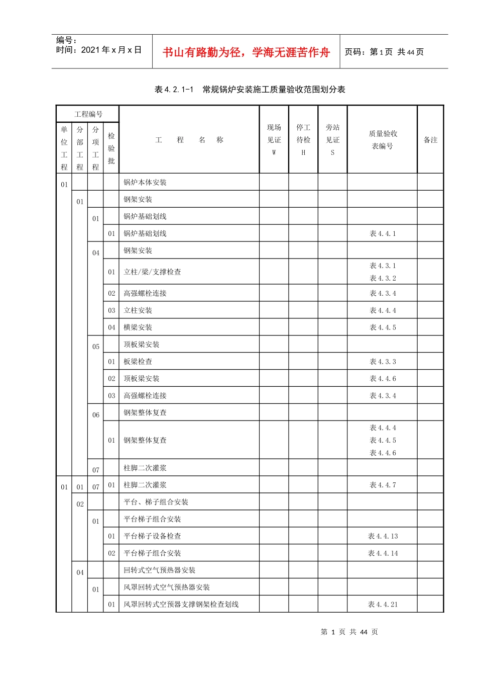
第1页共44页编号:时间:2021年x月x日书山有路勤为径,学海无涯苦作舟页码:第1页共44页表4.2.1-1常规锅炉安装施工质量验收范围划分表工程编号工程名称现场见证W停工待检H旁站见证S质量验收表编号备注单位工程分部工程分项工程检验批01锅炉本体安装01钢架安装01锅炉基础划线01锅炉基础划线表4.4.104钢架安装01立柱/梁/支撑检查表4.3.1表4.3.202高强螺栓连接表4.3.403立柱安装表4.4.404横梁安装表4.4.505顶板梁安装01板梁检查表4.3.302顶板梁安装表4.4.603高强螺栓连接表4.3.406钢架整体复查01钢架整体复查表4.4.4表4.4.5表4.4.607柱脚二次灌浆01010701柱脚二次灌浆表4.4.702平台、梯子组合安装01平台梯子组合安装01平台梯子设备检查表4.4.1302平台梯子组合安装表4.4.1404回转式空气预热器安装01风罩回转式空气预热器安装01风罩回转式空预器支撑钢架检查划线表4.4.21第2页共44页第1页共44页编号:时间:2021年x月x日书山有路勤为径,学海无涯苦作舟页码:第2页共44页工程编号工程名称现场见证W停工待检H旁站见证S质量验收表编号备注单位工程分部工程分项工程检验批02风罩回转式空气预热器垫铁安装表4.4.2203风罩回转式空气预热器轴承安装表4.4.2304风罩回转式空气预热器定子安装表4.4.2405风罩回转式空气预热器本体安装表4.4.2506风罩回转式空气预热器驱动装置安装表4.4.2607风罩回转式空气管道及吹灰器附属设备安装表4.4.2702受热面回转式空气预热器安装01受热面回转式空预器支撑钢架检查划线表4.4.2102受热面回转式空气预热器定子安装表4.4.2803受热面回转式空气预热器轴承安装表4.4.2301040204受热面回转式空气预热器转子安装表4.4.2905受热面回转式空气预热器驱动装置安装表4.4.2606受热面回转式空气预热器密封安装表4.4.3007润滑系统设备安装表4.4.3108受热面回转式空气管道及吹灰器附属设备安装表4.4.2703回转式空气预热器分部试运01油系统试运表4.4.3202驱动装置试运表4.4.3303空气预热器分部试运表4.4.3405锅炉护板、密封件及门孔安装01护板安装01护板安装表4.4.3702水封/砂封装置安装01水封/砂封装置安装表4.4.3803炉顶密封罩壳及局部密封件安装01炉顶密封罩壳及局部密封件安装表4.4.39第3页共44页第2页共44页编号:时间:2021年x月x日书山有路勤为径,学海无涯苦作舟页码:第3页共44页工程编号工程名称现场见证W停工待检H旁站见证S质量验收表编号备注单位工程分部工程分项工程检验批04炉本体门孔安装01炉本体门孔安装表4.4.4006渣井、灰斗组合安装01渣井安装01渣井安装表4.4.4102灰斗组合01灰斗组合表4.4.4203灰斗安装01灰斗安装表4.4.4207燃烧设备安装01旋流式燃烧器安装01旋流式燃烧器设备检查表4.4.4301070102旋流式燃烧器安装表4.4.4402直流式燃烧器安装01直流式燃烧器设备检查表4.4.4502直流式燃烧器安装表4.4.4603油(气)燃烧器安装01油(气)燃烧器设备检查表4.4.4702油(气)燃烧器安装表4.4.4804无油点火装置(微油点火装置)安装01无油点火装置(微油点火装置)设备检查表4.4.4902无油点火装置(微油点火装置)安装表4.4.5009汽水分离器、贮水箱安装01汽水分离器检查、划线01汽水分离器检查、划线表4.4.5102汽水分离器安装01汽水分离器安装表4.4.52第4页共44页第3页共44页编号:时间:2021年x月x日书山有路勤为径,学海无涯苦作舟页码:第4页共44页工程编号工程名称现场见证W停工待检H旁站见证S质量验收表编号备注单位工程分部工程分项工程检验批03贮水箱安装检查、划线01贮水箱安装检查、划线表4.4.5104贮水箱安装01贮水箱安装表4.4.52工程编号现场见证W停工待检H旁站剑阵S质量验收表编号单位工程分部工程分项工程检验批工程名称0110水冷壁安装01水冷壁组合01受热面设备检查表4.3.702联箱安装表4.3.1003水冷壁组合表4.3.9表4.4.5502水冷壁组件及单片安装01受热面设备检查表4.3.702联箱安装表4.3.1003水冷壁安装表4.3.9表4.4.5605延伸墙水冷壁组合01受热面设备检查表4.3.702延伸墙水冷壁组合表4.3.9表4.4.5506延伸墙水冷壁组件及单片安装01受热面设备检查表4.3.702联箱安装表4.3.1003延伸墙水冷壁组件及单片安装表4.3.9表4.4.56第5页共44页第4页共44页编号:时...

1、当您付费下载文档后,您只拥有了使用权限,并不意味着购买了版权,文档只能用于自身使用,不得用于其他商业用途(如 [转卖]进行直接盈利或[编辑后售卖]进行间接盈利)。
2、本站所有内容均由合作方或网友上传,本站不对文档的完整性、权威性及其观点立场正确性做任何保证或承诺!文档内容仅供研究参考,付费前请自行鉴别。
3、如文档内容存在违规,或者侵犯商业秘密、侵犯著作权等,请点击“违规举报”。

碎片内容

常规锅炉安装施工质量验收范围划分表1

确认删除?
VIP
微信客服
  • 扫码咨询
会员Q群
  • 会员专属群点击这里加入QQ群
客服邮箱
回到顶部