电脑桌面
添加小米粒文库到电脑桌面
安装后可以在桌面快捷访问

隧道工程施工质量验收标准(表格)VIP专享VIP免费

隧道工程施工质量验收标准(表格)_第1页
1/56
隧道工程施工质量验收标准(表格)_第2页
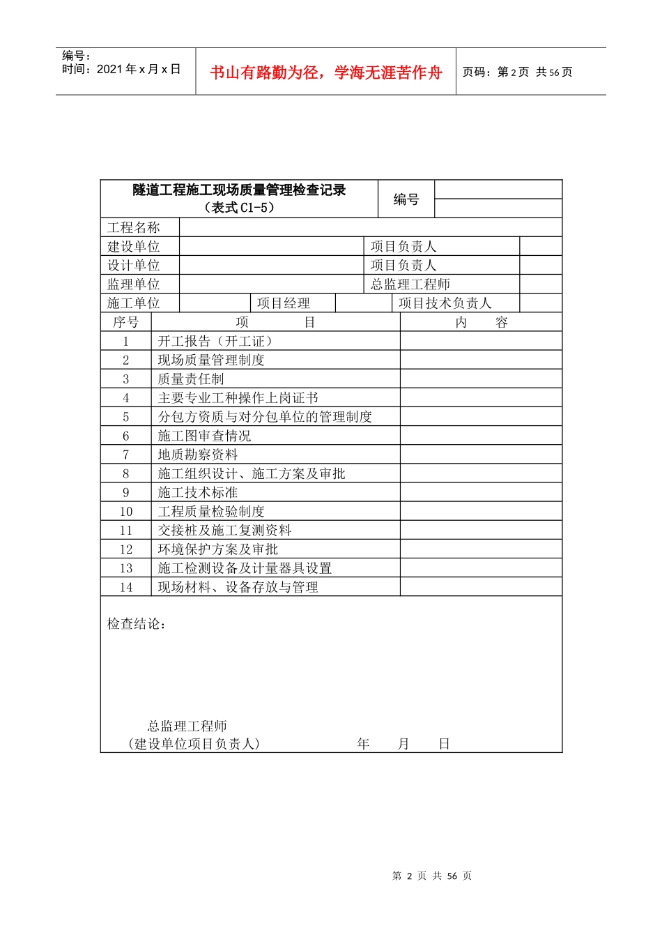
2/56
隧道工程施工质量验收标准(表格)_第3页
3/56
第1页共56页编号:时间:2021年x月x日书山有路勤为径,学海无涯苦作舟页码:第1页共56页北京市建设工程技术企业标准QB编号:QGD-007-2005备案号:JQB-050-2005轨道交通隧道工程施工质量验收标准Standardforconstructionalqualityacceptanceoftunnelengineeringofrailtransportation2005-08-01发布2005-09-01实施北京市轨道交通建设管理有限公司第2页共56页第1页共56页编号:时间:2021年x月x日书山有路勤为径,学海无涯苦作舟页码:第2页共56页隧道工程施工现场质量管理检查记录(表式C1-5)编号工程名称建设单位项目负责人设计单位项目负责人监理单位总监理工程师施工单位项目经理项目技术负责人序号项目内容1开工报告(开工证)2现场质量管理制度3质量责任制4主要专业工种操作上岗证书5分包方资质与对分包单位的管理制度6施工图审查情况7地质勘察资料8施工组织设计、施工方案及审批9施工技术标准10工程质量检验制度11交接桩及施工复测资料12环境保护方案及审批13施工检测设备及计量器具设置14现场材料、设备存放与管理检查结论:总监理工程师(建设单位项目负责人)年月日第3页共56页第2页共56页编号:时间:2021年x月x日书山有路勤为径,学海无涯苦作舟页码:第3页共56页分项工程质量验收记录(表式C7-9)编号单位工程名称分部工程名称分项工程名称检验批数施工单位项目经理项目技术负责人分包单位分包单位负责人分包项目经理开工日期年月日完工日期年月日序号检验批部位、区段施工单位检查评定结果监理(建设)单位验收结论1234567891011121314遗留问题及解决方案:检查结论项目专业技术负责人:年月日验收结论监理工程师(建设单位项目专业技术负责人)年月日第4页共56页第3页共56页编号:时间:2021年x月x日书山有路勤为径,学海无涯苦作舟页码:第4页共56页单位工程观感质量检查记录(表式C7-10)编号单位工程名称施工单位序号项目名称质量状况质量评定好一般差1混凝土观感表面色泽结构整体轮廓错台、跑模现象大面积蜂窝、麻面有害裂缝施工缝、变形缝2防水观感结构防水效果水沟排水施工缝、变形缝防水穿墙管防水观感质量综合评价检查结论第5页共56页第4页共56页编号:时间:2021年x月x日书山有路勤为径,学海无涯苦作舟页码:第5页共56页施工单位项目经理总监理工程师建设单位项目负责人年月日年月日年月日注:观感质量评定为“差”的项目应返修。第6页共56页第5页共56页编号:时间:2021年x月x日书山有路勤为径,学海无涯苦作舟页码:第6页共56页附录A明挖隧道工程检验批质量验收记录表格第7页共56页第6页共56页编号:时间:2021年x月x日书山有路勤为径,学海无涯苦作舟页码:第7页共56页钻孔灌注桩钢筋笼检验批质量验收记录(表式C7-8-1)编号单位工程名称分部工程名称分项工程名称验收部位施工单位项目经理分包单位分包项目经理施工执行标准名称及编号施工质量验收标准的规定施工单位检查记录监理(建设)单位验收记录主控项目1钢筋材质检验设计要求2钢筋笼制作偏差主筋间距10mm长度30mm箍筋间距20mm直径10mm一般项目1施工单位检查结果专业工长(施工员)施工班组长项目专业质量检查员:年月日监理(建设)单位验收结论专业监理工程师:(建设单位项目专业技术负责人):年月日第8页共56页第7页共56页编号:时间:2021年x月x日书山有路勤为径,学海无涯苦作舟页码:第8页共56页第9页共56页第8页共56页编号:时间:2021年x月x日书山有路勤为径,学海无涯苦作舟页码:第9页共56页钻孔灌注桩检验批质量验收记录(表式C7-8-2)编号单位工程名称分部工程名称分项工程名称验收部位施工单位项目经理分包单位分包项目经理施工执行标准名称及编号施工质量验收标准的规定施工单位检查记录监理(建设)单位验收记录第10页共56页第9页共56页编号:时间:2021年x月x日书山有路勤为径,学海无涯苦作舟页码:第10页共56页主控项目1桩位轴线方向±50mm垂直轴线方向±30mm,02孔深(mm)+3003桩体质量检验设计要求4混凝土强度设计要求5承载力设计要求一般项目1垂直度5‰2桩径5mm3泥浆比重(粘土或砂性土中)1.15~1.204泥浆面标高(高于地下水位)(m)0.5~1.05沉渣厚度端承桩(mm)≤50摩擦桩...

1、当您付费下载文档后,您只拥有了使用权限,并不意味着购买了版权,文档只能用于自身使用,不得用于其他商业用途(如 [转卖]进行直接盈利或[编辑后售卖]进行间接盈利)。
2、本站所有内容均由合作方或网友上传,本站不对文档的完整性、权威性及其观点立场正确性做任何保证或承诺!文档内容仅供研究参考,付费前请自行鉴别。
3、如文档内容存在违规,或者侵犯商业秘密、侵犯著作权等,请点击“违规举报”。

碎片内容

隧道工程施工质量验收标准(表格)

确认删除?
VIP
微信客服
  • 扫码咨询
会员Q群
  • 会员专属群点击这里加入QQ群
客服邮箱
回到顶部