电脑桌面
添加小米粒文库到电脑桌面
安装后可以在桌面快捷访问

品管七大手法309368152VIP免费

品管七大手法309368152_第1页
1/48
品管七大手法309368152_第2页
2/48
品管七大手法309368152_第3页
3/48
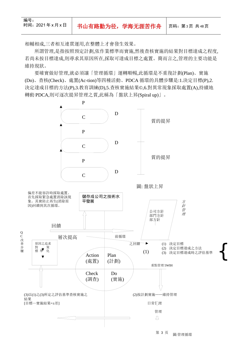
第1页共48页编号:时间:2021年x月x日书山有路勤为径,学海无涯苦作舟页码:第1页共48页品管七大手法目錄第一章QC手法概論第二章圖表(Graph)D1.前言2.何謂圖表3.圖表之功用與具備條件4.圖表之種類5.圖表制作之原則6.圖表製作要領7.品管上常用之圖表及其使用目的8.幾種常用圖表介紹第三章特性要因圖(CharacteristicDiagram)1.前言2.何謂特性要因圖3.我要因圖的畫法4.繪圖應注意事項5.特性要因圖的特點6.特性要因圖的用法7.特性要因圖種類8.特性要因圖的思考原則第四章查檢表(CheckSheet)1.前言2.何謂查檢表3.查檢表的設計要領4.查檢表的種類與作法5.查檢表之使用6.數據收集7.數據之整理第五章柏拉圖(ParetoDiagram)1.前言2.柏拉圖的由來3.柏拉圖的定義4.柏拉圖的作法5.柏拉圖作法之注意事項6.柏拉圖之用途7.柏拉圖使用注意事項8.那些數據可以整理為柏拉圖第六章直方圖(Histogram)1.前言2.何謂直方圖3.直方圖之制作4.直方圖常見之形態5.直方圖之應用6.直方圖之使用注意事項第七章散布圖(ScatterDiagram)1.前言2.何謂散布圖3.散布圖的功用4.相對應的兩組數據間關係的分類5.散布圖之作法6.散布圖之判讀7.散布圖判讀注意事項8.散布之相關檢定9.散布圖活用例第八章層別法(Stratification)第2页共48页第1页共48页编号:时间:2021年x月x日书山有路勤为径,学海无涯苦作舟页码:第2页共48页1.前言2.何謂層別法3.層別法的功用4.層別法的對象與項目5.層別實例6.層別法使用注意事項第九章管制圖(ControlChart)1.前言2.何謂管制圖3.管制圖的原理4.管制圖的種類5.計量值管制圖與計數值管制圖之比較6.管制圖的繪制要領7.管制圖的繪制8.管制圖之判讀9.管制圖的效用10.使用管制圖注意事項第一章QC手法概論品質管制是根據消費者導向之思想,掌握誰是顧客以及其要求,利用公司固有技術能力,使該要求能便宜、適時、安全而具體實現。因此,每一份子在自己崗位上,應具備品質意識、問題意識、改善意識,尋求本身工作方法或推展方法之缺失,謀求改善,全員協助之下達成顧客之需求與社會之要求,其手段(管理方法)為應用統計手法或觀念。採用「根據數據、事實發方言」的統計方法來管理,除了可客觀判斷事實外,亦具有相當合理的說服力。QC活動中所採用之統計手法均极為簡單,一般為「QC七大手法」。七大手法使用情形可歸納如下:1.根據事實、數據發言——圖表(Graph)、查檢表(Check)、散佈圖(ScatterDiagram)。2.整理原因與結果之關係,以探討潛伏性之問題——特性要因圖(CharacteristicDiagram)3.凡事物不能完全單用平均值來考慮,應了解事物均有變異存在,須從平均值與變異性來考慮——直方圓(Histogram)、管制圖(ComtrolChart)。4.所有數據不可僅止於平均值,須根據數據之履歷,考慮適當分層——層別法(Stratification)。5.並非對所有原因採取處置,而是先就其中影響較大的2~3項採取措施,(VigalFew,TrivialMany),亦即為重點管理——柏拉圖(ParetoDiagram)。簡單來說,這些手法是要「以現實合理之眼光,來觀察產生不良情形之現場物」,確實做好所謂的「3現主義」。目前產業界,無論是公司、部門或是工作現場、對管理都非常重視,也經常在強調管的重要性。但若單是只強調管理是無法促進整體管理水準的提高,必得要管理、改善與統計方法何謂統計手法3現主義QC改善步驟根據事實、數據發言考慮層別重點管理以現實之眼光觀察現場之現物QC七大手法第3页共48页第2页共48页编号:时间:2021年x月x日书山有路勤为径,学海无涯苦作舟页码:第3页共48页相輔相成,三者相互連貫運用,在整體上才會發生效果。所謂管理,是指按照預定計劃,依作業標準而實施,然後查核實施的結果對目標達成之程度,若尚未按目標達成,則尋求其原因所在,採取可達成目標之處置。簡而言之,管理的主要功能是維持現狀。要確實做好管理,就必須讓「管理循環」運轉順暢,此循環是不重復計劃(Plan)、實施(Do)、查核(Check)、處置(Ac-tion)等四種活動、PDCA循環的具體步驟是:1.決定目標(P),2.決定達成目標的方法(P),3.教育訓練(D),5.查核實施結果©,6.對異常現象採取處置(A),持續地轉動PDCA,則可逐次提昇管理之質,此稱為「盤狀上昇(Spiralup)」。回饋{PCCPDCDDP質的提昇質的提昇圖:...

1、当您付费下载文档后,您只拥有了使用权限,并不意味着购买了版权,文档只能用于自身使用,不得用于其他商业用途(如 [转卖]进行直接盈利或[编辑后售卖]进行间接盈利)。
2、本站所有内容均由合作方或网友上传,本站不对文档的完整性、权威性及其观点立场正确性做任何保证或承诺!文档内容仅供研究参考,付费前请自行鉴别。
3、如文档内容存在违规,或者侵犯商业秘密、侵犯著作权等,请点击“违规举报”。

碎片内容

品管七大手法309368152

您可能关注的文档

确认删除?
VIP
微信客服
  • 扫码咨询
会员Q群
  • 会员专属群点击这里加入QQ群
客服邮箱
回到顶部